VH2V直通高压球阀
VH2V直通高压球阀、VH2V液压球阀适用于液压系统和化工系统的各种管路上做为启闭用。开关迅速、方便,流体阻力小,是所有阀类中流体阻力最小的一种只要阀杆转动90°,球阀就完成了全开或全关动作,很容易实现快速启闭。阀杆密封可靠。球阀启闭时阀杆只作旋转运动,因此阀杆的填料密封不易被破坏,而且阀杆倒密封的密封力随着介质压力的增加而增大。适用介质:液压油、水一乙二醇、其它混合液体。
|
产品名称: |
VH2V直通高压球阀 |
产品型号: |
VH2V |
|
公称通径: |
DN6~DN50 |
结构形式: |
球形 |
|
公称压力: |
31.5Mpa~40.0Mpa~50.0Mpa |
连接方式: |
内螺纹、外螺纹 |
|
适用温度: |
-20~+100℃~+170℃ |
驱动方式: |
手动 |
|
阀体材质: |
铸钢、不锈钢 |
制造标准: |
国标GB、德国DIN、美国API、ANSI |
|
适用介质: |
水、油、气 |
生产厂家: |
上海凯利科阀门有限公司 |
产品说明
VH2V直通高压球阀适用于液压系统和化工系统的各种管路上做为启闭用。开关迅速、方便,流体阻力小,是所有阀类中流体阻力最小的一种只要阀杆转动90°,球阀就完成了全开或全关动作,很容易实现快速启闭。阀杆密封可靠。球阀启闭时阀杆只作旋转运动,因此阀杆的填料密封不易被破坏,而且阀杆倒密封的密封力随着介质压力的增加而增大。适用介质:液压油、水一乙二醇、其它混合液体。
产品特点
VH2V直通高压球阀是我公司引进德国先进技术工艺,主要用于液压管路中控制油液的流通和截止,本型球阀具有流阻损失小,密封性能可靠,操作方便,外观精美等特点。
图形符号
型号说明

① 系列代号:VH2V系列
② 连接代号:M** 、G** 、 **LR 、**SR、PT**、NPT**
③ 阀体材料:1-钢、2-不锈钢
④ 球体材料:1-钢、2-黄铜、3-不锈钢
⑤ 工作温度:1、-25~+100℃ 2、-30~+170℃
⑥ 其他密封:2-丁晴橡胶、4-氟橡胶
⑦ 手柄形式:01-铝质直柄02-铝质曲柄03-铸锌直柄04-铸锌曲柄05-钢质直柄06-钢质曲柄09-不带手柄
⑧ 设计序号:由生产商定
⑨ 表面处理:空白-磷化、G-电镀黄锌
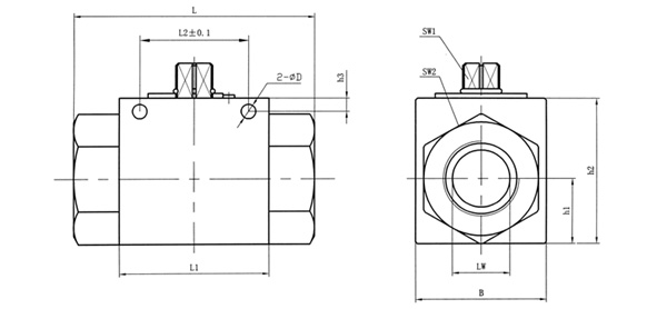
外形结构图
M螺纹连接口略图
M螺纹外形尺寸表
|
简略型号 |
PN(bar) |
DN |
LW |
RA |
d1 |
i |
L |
L1 |
B |
L2 |
h1 |
h2 |
SW1 |
SW2 |
D |
h3 |
|
VH2V-M16×1.5 |
500 |
06 |
06 |
11 |
M16×1.5 |
11 |
69 |
40 |
26 |
31.5 |
13.5 |
35 |
09 |
22 |
4.5 |
4.8 |
|
VH2V-M27×1.5 |
500 |
10 |
10 |
20 |
M27×1.5 |
12 |
76 |
42 |
32 |
31.5 |
16 |
40 |
09 |
27 |
5.3 |
5.8 |
|
VH2V-M36×2 |
400 |
20 |
20 |
30 |
M36×2 |
15 |
103 |
60 |
48 |
48.5 |
25 |
58 |
12 |
41 |
6.5 |
6 |
|
VH2V-M42×2 |
350 |
25 |
23 |
35 |
M42×2 |
18 |
116 |
65 |
57 |
50.5 |
28.5 |
65 |
12 |
50 |
8.5 |
7 |
G螺纹连接口略图
G螺纹外形尺寸表
|
简略型号 |
PN(bar) |
DN |
LW |
RA |
d1 |
i |
L |
L1 |
B |
L2 |
h1 |
h2 |
SW1 |
SW2 |
D |
h3 |
|
VH2V-G1/4 |
500 |
06 |
06 |
/ |
G1/4 |
14 |
69 |
40 |
26 |
31.5 |
13.5 |
35 |
09 |
22 |
4.5 |
4.8 |
|
VH2V-G3/8 |
500 |
10 |
10 |
/ |
G3/8 |
14 |
72 |
42 |
32 |
31.5 |
16 |
40 |
09 |
27 |
5.3 |
5.8 |
|
VH2V-G1/2 |
500 |
13 |
12 |
/ |
G1/2 |
16 |
83 |
48 |
35 |
38.5 |
18 |
45 |
09 |
30 |
6.5 |
6 |
|
VH2V-G3/4 |
400 |
20 |
20 |
/ |
G3/4 |
18 |
93 |
60 |
50 |
48.5 |
23 |
58 |
12 |
41 |
6.5 |
6 |
|
VH2V-G1 |
350 |
25 |
25 |
/ |
G1 |
21 |
115 |
65 |
57 |
50.5 |
27.5 |
65 |
12 |
46 |
8.5 |
7 |
NPT螺纹连接口略图
NPT螺纹外形尺寸表
|
简略型号 |
PN(bar) |
DN |
LW |
RA |
d1 |
i |
L |
L1 |
B |
L2 |
h1 |
h2 |
SW1 |
SW2 |
D |
h3 |
|
VH2V-NPT1/4 |
500 |
06 |
06 |
/ |
NPT1/4 |
14 |
69 |
40 |
26 |
31.5 |
13.5 |
35 |
09 |
22 |
4.5 |
4.8 |
|
VH2V-NPT3/8 |
500 |
10 |
10 |
/ |
NPT3/8 |
14 |
72 |
42 |
32 |
31.5 |
16 |
40 |
09 |
27 |
5.3 |
5.8 |
|
VH2V-NPT1/2 |
500 |
13 |
12 |
/ |
NPT1/2 |
16 |
83 |
48 |
35 |
38.5 |
18 |
45 |
09 |
30 |
6.5 |
6 |
|
VH2V-NPT3/4 |
400 |
20 |
20 |
/ |
NPT3/4 |
18 |
95 |
60 |
50 |
48.5 |
23 |
58 |
12 |
41 |
6.5 |
6 |
|
VH2V-NPT1 |
350 |
25 |
23 |
/ |
NPT1 |
21 |
113 |
65 |
57 |
50.5 |
27.5 |
65 |
12 |
46 |
8.5 |
7 |
LR螺纹连接口略图
LR螺纹外形尺寸表
|
简略型号 |
PN(bar) |
DN |
LW |
RA |
d1 |
i |
L |
L1 |
B |
L2 |
h1 |
h2 |
SW1 |
SW2 |
D |
h3 |
|
VH2V-08LR |
500 |
06 |
06 |
08 |
M14×1.5 |
10 |
67 |
40 |
26 |
31.5 |
13.5 |
35 |
09 |
22 |
4.5 |
4.8 |
|
VH2V-12LR |
500 |
10 |
10 |
12 |
M18×1.5 |
11 |
74 |
42 |
32 |
31.5 |
16 |
40 |
09 |
27 |
5.3 |
5.8 |
|
VH2V-15LR |
500 |
13 |
12 |
15 |
M22×1.5 |
12 |
82 |
48 |
35 |
38.5 |
18 |
45 |
09 |
30 |
6.5 |
6 |
|
VH2V-18LR |
500 |
13 |
12 |
18 |
M26×1.5 |
12 |
82 |
48 |
35 |
38.5 |
18 |
45 |
09 |
30 |
6.5 |
6 |
|
VH2V-22LR |
400 |
20 |
19 |
22 |
M30×2 |
14 |
101 |
60 |
50 |
48.5 |
23 |
58 |
12 |
41 |
6.5 |
6 |
|
VH2V-28LR |
350 |
25 |
24 |
28 |
M36×2 |
14 |
108 |
65 |
57 |
50.5 |
27.5 |
65 |
12 |
46 |
8.5 |
7 |
SR螺纹连接口略图
SR螺纹外形尺寸表
|
简略型号 |
PN(bar) |
DN |
LW |
RA |
d1 |
i |
L |
L1 |
B |
L2 |
h1 |
h2 |
SW1 |
SW2 |
D |
h3 |
|
VH2V-10SR |
500 |
06 |
06 |
10 |
M18×1.5 |
12 |
73 |
40 |
26 |
31.5 |
13.5 |
35 |
09 |
22 |
4.5 |
4.8 |
|
VH2V-14SR |
500 |
10 |
10 |
14 |
M22×1.5 |
14 |
80 |
42 |
32 |
31.5 |
16 |
40 |
09 |
27 |
5.3 |
5.8 |
|
VH2V-16SR |
500 |
13 |
12 |
16 |
M24×1.5 |
14 |
86 |
48 |
35 |
38.5 |
18 |
45 |
09 |
30 |
6.5 |
6 |
|
VH2V-20SR |
500 |
13 |
12 |
20 |
M30×2 |
16 |
90 |
48 |
35 |
38.5 |
18 |
45 |
09 |
30 |
6.5 |
6 |
|
VH2V-25R |
400 |
20 |
20 |
25 |
M36×2 |
18 |
109 |
60 |
50 |
48.5 |
23 |
58 |
12 |
41 |
6.5 |
6 |
|
VH2V-30SR |
350 |
25 |
25 |
30 |
M42×2 |
20 |
120 |
65 |
57 |
50.5 |
27.5 |
65 |
12 |
46 |
8.5 |
7 |
声明:【VH2V直通高压球阀】规格型号、结构尺寸由上海凯利科阀门有限公司提供,如何选择适用的VH2V直通高压球阀产品,使之在工艺控制中安全可靠、经济适用,可致电我司销售部门及技术部门,我们将在最短的时间内为您解答! |