D71F46不锈钢衬氟蝶阀
D71F46不锈钢衬氟蝶阀广泛用于防腐管道系统上。主要用以实现阀门的开启、关闭与调节。全衬聚四氟乙烯(F4)、聚三氟氯乙烯(F3)和聚全氟乙丙烯(F46)氟塑料衬里阀,具有耐腐蚀、无泄漏、寿命长等优点。 适用于浓硫酸、盐酸、硝酸、氢氟酸、王水、各种有机酸、强酸、氧化性介质或高温烯硫酸、高温浓醋酸、酸碱交替及多种有机溶剂和其它强腐蚀性介质。
|
产品名称: |
不锈钢衬氟蝶阀 |
产品型号: |
D71F46 |
|
公称通径: |
DN40~DN1200 |
阀座密封: |
F4、F46 |
|
公称压力: |
1.0Mpa~1.6MPa |
连接方式: |
对夹式、法兰式 |
|
适用温度: |
-25ºC~+150ºC |
驱动方式: |
手动、蜗轮、电动、气动 |
|
阀体材质: |
铸铁、铸钢、不锈钢 |
制造标准: |
国标GB、德国DIN、美国API、ANSI |
|
适用介质: |
强酸、碱、硫酸、王水腐蚀性液体 |
生产厂家: |
上海凯利科阀门有限公司 |
产品说明
D71F46不锈钢衬氟蝶阀广泛用于防腐管道系统上。主要用以实现阀门的开启、关闭与调节。全衬聚四氟乙烯(F4)、聚三氟氯乙烯(F3)和聚全氟乙丙烯(F46)氟塑料衬里阀,具有耐腐蚀、无泄漏、寿命长等优点。 适用于浓硫酸、盐酸、硝酸、氢氟酸、王水、各种有机酸、强酸、氧化性介质或高温烯硫酸、高温浓醋酸、酸碱交替及多种有机溶剂和其它强腐蚀性介质。
产品特点
1、中线蝶阀为整个蝶板与阀座在360°圆周内同心(中线),具有双向密封功能,压力,流量可自由调节;
2、四级加载弹性密封,绝对保证了阀门内、外的零泄漏;
a、轴头、蝶板园周连接处的特殊过渡曲线与阀座的合理过盈;
b、轴头端面采用弹性O型圈和轴肩处刚性垫圈、弹性橡胶垫组合;
c、轴的径向采用O型圈与金属垫的组合;
d、阀座镶在有弹性条的阀体的槽内;
3、采用可调弹性弹子定位。定位准确,结构简单。
应用标准
|
设计标准 |
GB12238 |
|
结构长度 |
GB12221 |
|
法兰标准 |
JB/T79-94 |
|
GB9113.1-26 |
|
检验试验 |
GB/T13927 |
|
驱动方式 |
蜗轮、手动、电动、气动 |
性能规范
|
零件名称 |
材料 |
|
上下阀体 |
铸铁、铸钢、不锈钢、衬F46、F4 |
|
阀座 |
铸钢 |
|
带杆蝶板 |
铸钢、不锈钢、衬F46、F4 |
|
填料 |
F4 |
|
衬垫 |
硅橡胶 |
|
蜗轮手柄 |
球墨铸铁 |
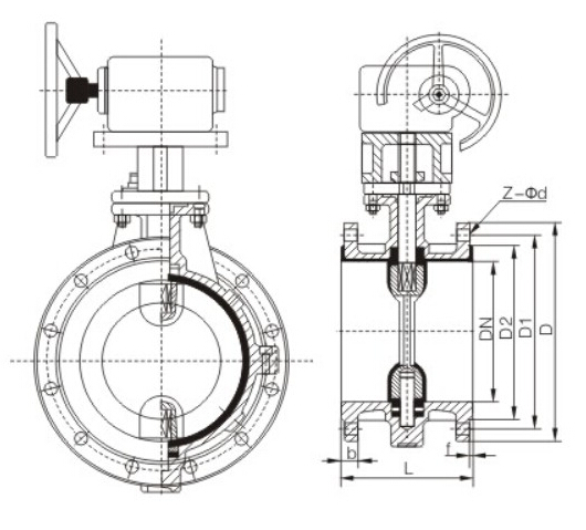
结构尺寸图
D71F46不锈钢衬氟蝶阀主要外形尺寸
公称通经
DN(mm) |
外形尺寸(mm) |
|
L |
D |
D1 |
D2 |
f |
b |
Z-φd |
|
40 |
33 |
145 |
110 |
85 |
3 |
16 |
4-φ18 |
|
50 |
43 |
152 |
120.5 |
92 |
3 |
16 |
4-φ18 |
|
65 |
46 |
178 |
139.5 |
105 |
3 |
18 |
4-φ18 |
|
80 |
46 |
190 |
152.5 |
127 |
3 |
19 |
4-φ18 |
|
100 |
52 |
229 |
190.5 |
157 |
3 |
24 |
8-φ18 |
|
125 |
56 |
254 |
216 |
186 |
3 |
24 |
8-φ18 |
|
150 |
56 |
279 |
241.5 |
216 |
3 |
26 |
8-φ23 |
|
200 |
60 |
343 |
298.5 |
270 |
3 |
29 |
8-φ23 |
外形结构图
D341F46不锈钢衬氟蝶阀主要外形尺寸
|
公称通经 |
L |
D |
D1 |
D2 |
f |
b |
Z-φd |
|
DN(mm) |
NPS(inch) |
PN1.0MPa |
|
40 |
3/2 |
106 |
145 |
110 |
85 |
3 |
18 |
4-φ18 |
|
50 |
2 |
108 |
160 |
125 |
100 |
3 |
20 |
4-φ18 |
|
65 |
5/2 |
112 |
180 |
145 |
120 |
3 |
20 |
4-φ18 |
|
80 |
3 |
114 |
195 |
160 |
135 |
3 |
22 |
4-φ18 |
|
100 |
4 |
127 |
215 |
180 |
155 |
3 |
22 |
8-φ18 |
|
125 |
5 |
140 |
245 |
210 |
185 |
3 |
24 |
8-φ18 |
|
150 |
6 |
140 |
280 |
240 |
210 |
3 |
24 |
8-φ23 |
|
200 |
8 |
152 |
335 |
295 |
265 |
3 |
26 |
8-φ23 |
|
250 |
10 |
250 |
390 |
350 |
320 |
3 |
28 |
12-φ23 |
|
300 |
12 |
270 |
440 |
400 |
368 |
3 |
28 |
12-φ23 |
|
350 |
14 |
290 |
500 |
460 |
428 |
4 |
30 |
16-φ23 |
|
400 |
16 |
310 |
565 |
515 |
482 |
4 |
32 |
16-φ25 |
|
450 |
18 |
330 |
615 |
565 |
532 |
4 |
32 |
20-φ25 |
|
500 |
20 |
350 |
680 |
620 |
585 |
4 |
34 |
20-φ25 |
|
600 |
24 |
390 |
780 |
725 |
685 |
5 |
36 |
20-φ30 |
|
700 |
28 |
430 |
895 |
840 |
800 |
5 |
40 |
24-φ30 |
|
800 |
32 |
470 |
1010 |
950 |
905 |
5 |
44 |
24-φ34 |
|
900 |
36 |
510 |
1110 |
1050 |
1005 |
5 |
46 |
28-φ34 |
|
1000 |
40 |
550 |
1220 |
1160 |
1115 |
5 |
50 |
28-φ34 |
D341F46不锈钢衬氟蝶阀主要外形尺寸
|
公称通经 |
L |
D |
D1 |
D2 |
f |
b |
Z-φd |
|
DN(mm) |
NPS(inch) |
PN1.6MPa |
|
40 |
3/2 |
106 |
145 |
110 |
85 |
3 |
18 |
4-φ18 |
|
50 |
2 |
108 |
160 |
125 |
100 |
3 |
20 |
4-φ18 |
|
65 |
5/2 |
112 |
180 |
145 |
120 |
3 |
20 |
4-φ18 |
|
80 |
3 |
114 |
195 |
160 |
135 |
3 |
22 |
8-φ18 |
|
100 |
4 |
127 |
215 |
180 |
155 |
3 |
24 |
8-φ18 |
|
125 |
5 |
140 |
245 |
210 |
185 |
3 |
26 |
8-φ18 |
|
150 |
6 |
140 |
280 |
240 |
210 |
3 |
28 |
8-φ18 |
|
200 |
8 |
152 |
335 |
295 |
265 |
3 |
30 |
12-φ23 |
|
250 |
10 |
250 |
405 |
355 |
320 |
3 |
32 |
12-φ25 |
|
300 |
12 |
270 |
460 |
410 |
375 |
4 |
34 |
12-φ25 |
|
350 |
14 |
290 |
520 |
470 |
435 |
4 |
38 |
16-φ25 |
|
400 |
16 |
310 |
580 |
525 |
485 |
4 |
40 |
16-φ30 |
|
450 |
18 |
330 |
640 |
585 |
545 |
4 |
44 |
20-φ30 |
|
500 |
20 |
350 |
705 |
650 |
608 |
4 |
46 |
20-φ34 |
|
600 |
24 |
390 |
840 |
770 |
718 |
5 |
54 |
20-φ41 |
|
700 |
28 |
430 |
910 |
840 |
788 |
5 |
54 |
24-φ41 |
|
800 |
32 |
470 |
1020 |
950 |
898 |
5 |
54 |
24-φ41 |
|
900 |
36 |
510 |
1120 |
1050 |
998 |
5 |
54 |
28-φ41 |
|
1000 |
40 |
550 |
1255 |
1170 |
1110 |
5 |
60 |
28-φ48 |
声明:【D71F46不锈钢衬氟蝶阀】规格型号、结构尺寸由上海凯利科阀门有限公司提供,如何选择适用的D71F46不锈钢衬氟蝶阀产品,使之在工艺控制中安全可靠、经济适用,可致电我司销售部门及技术部门,我们将在最短的时间内为您解答! |