D941F46电动衬氟法兰蝶阀
D941F46电动衬氟法兰蝶阀广泛用于防腐管道系统上。主要用以实现阀门的开启、关闭与调节。全衬聚四氟乙烯(F4)、聚三氟氯乙烯(F3)和聚全氟乙丙烯(F46)氟塑料衬里阀,具有耐腐蚀、无泄漏、寿命长等优点。 适用于浓硫酸、盐酸、硝酸、氢氟酸、王水、各种有机酸、强酸、氧化性介质或高温烯硫酸、高温浓醋酸、酸碱交替及多种有机溶剂和其它强腐蚀性介质。
|
产品名称: |
电动衬氟法兰蝶阀 |
产品型号: |
D941F46 |
|
公称通径: |
DN40~DN1200 |
阀座密封: |
F4、F46 |
|
公称压力: |
1.0Mpa~1.6MPa |
连接方式: |
对夹式、法兰式 |
|
适用温度: |
-25ºC~+150ºC |
驱动方式: |
手动、蜗轮、电动、气动 |
|
阀体材质: |
铸铁、铸钢、不锈钢 |
制造标准: |
国标GB、德国DIN、美国API、ANSI |
|
适用介质: |
强酸、碱、硫酸、王水腐蚀性液体 |
生产厂家: |
上海凯利科阀门有限公司 |
产品说明
D941F46电动衬氟法兰蝶阀广泛用于防腐管道系统上。主要用以实现阀门的开启、关闭与调节。全衬聚四氟乙烯(F4)、聚三氟氯乙烯(F3)和聚全氟乙丙烯(F46)氟塑料衬里阀,具有耐腐蚀、无泄漏、寿命长等优点。 适用于浓硫酸、盐酸、硝酸、氢氟酸、王水、各种有机酸、强酸、氧化性介质或高温烯硫酸、高温浓醋酸、酸碱交替及多种有机溶剂和其它强腐蚀性介质。
产品特点
1、中线蝶阀为整个蝶板与阀座在360°圆周内同心(中线),具有双向密封功能,压力,流量可自由调节;
2、四级加载弹性密封,绝对保证了阀门内、外的零泄漏;
a、轴头、蝶板园周连接处的特殊过渡曲线与阀座的合理过盈;
b、轴头端面采用弹性O型圈和轴肩处刚性垫圈、弹性橡胶垫组合;
c、轴的径向采用O型圈与金属垫的组合;
d、阀座镶在有弹性条的阀体的槽内;
3、采用可调弹性弹子定位。定位准确,结构简单。
应用标准
|
设计标准 |
GB12238 |
|
结构长度 |
GB12221 |
|
法兰标准 |
JB/T79-94 |
|
GB9113.1-26 |
|
检验试验 |
GB/T13927 |
|
驱动方式 |
蜗轮、手动、电动、气动 |
性能规范
|
零件名称 |
材料 |
|
上下阀体 |
铸铁、铸钢、不锈钢、衬F46、F4 |
|
阀座 |
铸钢 |
|
带杆蝶板 |
铸钢、不锈钢、衬F46、F4 |
|
填料 |
F4 |
|
衬垫 |
硅橡胶 |
|
蜗轮手柄 |
球墨铸铁 |
技术参数
|
公称通径DN(mm) |
50~2000 |
|
公称压力 |
PN1.0、1.6MPa |
|
法兰标准 |
JB/T79、GB/T9113、HG20594-97 |
|
连接形式 |
法兰式、对夹式 |
|
阀板形式 |
垂直板式 |
|
流量特性 |
近似快开型 |
|
动作范围 |
0~90° |
|
泄露量 |
按GB/T4213-92,为Kv值的10-4 |
|
基本误差 |
±2.5% |
|
回差 |
±2.5% |
|
死区 |
1% (可调) |
|
可调范围 |
50:1 |
|
配置执行机构 |
可配PSQ、HQ、UNIC、361RS、JO等系列角行程电动执行机构 |
|
控制方式 |
开关到位灯(开关两位控制)、智能调节(4~20mA模拟量信号控制) |
电动执行器
|
执行器类别 |
引进型RDK系列执行器参数 |
引进型3610R系列执行器参数 |
引进型HQ系列执行器参数 |
|
电源电压 |
标准:220V AC单相 可选:110V AC 单相、380/440V AC 三相、24V/110V/220V AC |
|
输出力矩 |
50N·M~2000N·M |
50N·M~1500N·M |
50N·M~3000N·M |
|
动作范围 |
0~90° 0~360° |
0~90° |
0~90°、0°~270°可选 |
|
控制方式 |
开关到位灯(开关两位控制)、无源触点信号、1/5K电位计、智能调节(4~20mA模拟量信号控制) |
|
动作时间 |
15秒/30秒/60秒 |
10秒/15秒/30秒 |
18S~112S |
|
保护装置 |
过热保护 |
过载保护 |
内置过热保护、过载保护 |
|
环境温度 |
-30°~60° |
-30°~60° |
-20℃~+70℃ |
|
手动操作 |
同附带手柄操作 |
同附带手柄操作 |
机械离合机构,配手轮操作 |
|
机械限位 |
电气、机械二重限位 |
电气、机械二重限位 |
2个外部调整螺栓 |
|
防护等级 |
IP65 |
IP55 |
IP65、IP67、可定制IP68 |
|
防爆等级 |
无防爆 |
ExdⅡ BT4 |
ExdⅡ BT4,ExdⅡ CT6 |
|
位置测量 |
可选装开关或电位计 |
比例控制单元 |
电位计、比例控制单元 |
|
驱动电机 |
8W/E |
AC可逆电机 |
鼠笼式异步电机 |
|
进线接口 |
PE1/2〞进线线锁 |
2-PF 1/2〞进线线锁 |
2个 PF 3/4” |
|
壳体材料 |
铝合金 |
钢,铝合金 |
钢,铝合金,铝青铜,聚碳酸脂 |
|
外涂层 |
干粉,环氧聚酯,具有超强防腐功能 |
(1)功能强劲:智能型、调节型、开关式。
(2)体积小巧:体积仅相当于同类产品的35%左右。
(3)使用方便:采用单相电源,接线简单;采用独创的球型凸出结构,使观察更方便;免加油免点检、防水防锈、任意角度安装。
(4)保护装置有双重限位、过热保护、过载保护。全行程时间15秒、30秒、45秒、60秒。及带手动功能。
(5)智能数控:内置模块采用先进计算机单片及智能控制软件直接接收计算机或工业仪表等输出的标准信号(4-20mA DC /1-5VDC)实现阀门开度的智能控制和精确定位。
也可选用3810系列或NA系列电子式角行程执行机构.亦可选用PSQ系列或DYR系列。≥DN400口径阀门一般采用380VAC电动执行器。
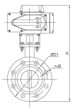
外形结构图
主要外形连接尺寸
|
公称通径 |
长度 |
外形尺寸
(参考值) |
连接尺寸
(标准值) |
重量
(kg) |
|
0.6MPa |
1.0MPa |
1.6MPa |
|
毫米 |
英寸 |
L |
H1 |
H |
D2 |
D1 |
D |
n-d |
D2 |
D1 |
D |
n-d |
D2 |
D1 |
D |
n-d |
|
50 |
2 |
108 |
82.5 |
443 |
140 |
110 |
88 |
4-14 |
165 |
125 |
99 |
4-18 |
165 |
125 |
99 |
4-18 |
51 |
|
65 |
21/2 |
112 |
92.5 |
463 |
160 |
130 |
108 |
4-14 |
185 |
145 |
118 |
4-18 |
185 |
145 |
118 |
4-18 |
62 |
|
80 |
3 |
114 |
100 |
483 |
190 |
150 |
124 |
4-18 |
200 |
160 |
132 |
8-18 |
200 |
160 |
132 |
8-18 |
73.5 |
|
100 |
4 |
127 |
110 |
498 |
210 |
170 |
144 |
4-18 |
220 |
180 |
156 |
8-18 |
220 |
180 |
156 |
8-18 |
87 |
|
125 |
5 |
140 |
125 |
682 |
240 |
200 |
174 |
8-18 |
250 |
210 |
184 |
8-18 |
250 |
210 |
184 |
8-18 |
98 |
|
150 |
6 |
140 |
142.5 |
736 |
265 |
225 |
199 |
8-18 |
285 |
240 |
211 |
8-22 |
285 |
240 |
211 |
8-22 |
102 |
|
200 |
8 |
152 |
170 |
800 |
320 |
280 |
254 |
8-18 |
340 |
295 |
266 |
8-22 |
340 |
295 |
266 |
12-22 |
150 |
|
250 |
10 |
250 |
197.5 |
895 |
375 |
335 |
309 |
12-18 |
395 |
350 |
319 |
12-22 |
405 |
355 |
319 |
12-26 |
170 |
|
300 |
12 |
270 |
222.5 |
956 |
440 |
395 |
363 |
12-22 |
445 |
400 |
370 |
12-22 |
460 |
410 |
370 |
12-26 |
220 |
|
350 |
14 |
290 |
252.5 |
1029 |
490 |
445 |
413 |
12-22 |
505 |
460 |
429 |
16-22 |
520 |
470 |
429 |
16-26 |
350 |
|
400 |
16 |
310 |
282.5 |
1103 |
540 |
495 |
463 |
16-22 |
565 |
515 |
480 |
16-26 |
580 |
525 |
480 |
16-30 |
430 |
|
450 |
18 |
330 |
307.5 |
1186 |
595 |
550 |
518 |
16-22 |
615 |
565 |
530 |
20-26 |
640 |
585 |
548 |
20-30 |
550 |
|
500 |
20 |
350 |
335 |
1280 |
645 |
600 |
568 |
20-22 |
670 |
620 |
582 |
20-26 |
715 |
650 |
609 |
20-33 |
580 |
|
600 |
24 |
390 |
390 |
1321 |
755 |
705 |
667 |
20-26 |
780 |
725 |
682 |
20-30 |
840 |
770 |
720 |
20-36 |
850 |
|
700 |
28 |
430 |
447.5 |
1431 |
860 |
810 |
772 |
24-26 |
895 |
840 |
794 |
24-30 |
910 |
840 |
794 |
24-36 |
950 |
|
800 |
32 |
470 |
507.5 |
1542 |
975 |
920 |
878 |
24-30 |
1015 |
950 |
901 |
24-33 |
1025 |
950 |
901 |
24-39 |
1150 |
|
900 |
36 |
510 |
557.5 |
1800 |
1075 |
1020 |
978 |
24-30 |
1115 |
1050 |
1001 |
28-33 |
1125 |
1050 |
1001 |
28-39 |
1750 |
|
1000 |
40 |
550 |
615 |
2363 |
1175 |
1120 |
1078 |
28-30 |
1230 |
1160 |
1112 |
28-36 |
1255 |
1170 |
1112 |
28-42 |
2100 |
|
1200 |
48 |
630 |
727.5 |
2583 |
1405 |
1340 |
1295 |
32-33 |
1455 |
1380 |
1328 |
32-39 |
1485 |
1390 |
1328 |
32-48 |
2580 |
|
1400 |
56 |
710 |
837.5 |
2710 |
1630 |
1560 |
1510 |
36-36 |
1675 |
1590 |
1530 |
36-42 |
1685 |
1590 |
1530 |
36-48 |
2990 |
|
1600 |
64 |
790 |
957.5 |
2845 |
1830 |
1760 |
1710 |
40-36 |
1915 |
1820 |
1750 |
40-48 |
1930 |
1820 |
1750 |
40-56 |
3475 |
|
1800 |
72 |
870 |
1057.5 |
3060 |
2045 |
1970 |
1918 |
44-39 |
2115 |
2020 |
1950 |
44-48 |
2130 |
2020 |
1950 |
44-56 |
4058 |
|
2000 |
80 |
950 |
1162.5 |
3350 |
2265 |
2180 |
2125 |
48-42 |
2325 |
2230 |
2150 |
48-48 |
2345 |
2230 |
2150 |
48-62 |
4680 |
声明:【D941F46电动衬氟法兰蝶阀】规格型号、结构尺寸由上海凯利科阀门有限公司提供,如何选择适用的D941F46电动衬氟法兰蝶阀产品,使之在工艺控制中安全可靠、经济适用,可致电我司销售部门及技术部门,我们将在最短的时间内为您解答! |