首页
公司介绍
新闻中心
组织机构
服务理念
售后服务
联系我们
产品中心
jtgk.png

产品中心

GI不锈钢高真空蝶阀

您的位置:阀门 - 蝶阀 - GI不锈钢高真空蝶阀 更新时间:2024-07-27 09:07:57
GI不锈钢高真空蝶阀
    • 质量安全:压力、材质、密封等全方位检测确保质量过关!
    • 价格比较:在相同品质的情况下,厂里直销,更具有优势!
    • 交货快捷:常规产品现货供应,生产加工销售一条龙服务!
      上海凯利科阀门竭诚为您提供安全可靠的GI不锈钢高真空蝶阀成套技术方案,以及售前选型报价,售后技术指导、安装、调试服务!

    • 产品描述
    • 在线询价
    • 技术咨询
    GI不锈钢高真空蝶阀GI不锈钢高真空蝶阀

    GI不锈钢高真空蝶阀用于接通或切断真空管路中的气流。阀体的阀板采用夹紧结构,把阀板的密封圈夹紧,起到更好的密封作用。除了能用在真空状态下,也能用在低压状态下使用。不锈钢高真空蝶阀适用介质为纯净空气和非腐蚀性气体。

    产品名称: 不锈钢高真空蝶阀 产品型号: GI
    公称通径: DN40~DN1200 阀座密封: 氟橡胶、丁晴橡胶、金属座
    公称压力: 105~1.3×10-4Pa 连接方式: 对夹式
    适用温度: -30ºC~+150ºC 驱动方式: 手动、电动、气动
    阀体材质: 铸钢、不锈钢、316、316L 制造标准: 国标GB、德国DIN、美国API、ANSI
    适用介质: 空气 生产厂家: 上海凯利科阀门有限公司

    产品说明

    GI不锈钢高真空蝶阀用于接通或切断真空管路中的气流。阀体的阀板采用夹紧结构,把阀板的密封圈夹紧,起到更好的密封作用。除了能用在真空状态下,也能用在低压状态下使用。不锈钢高真空蝶阀适用介质为纯净空气和非腐蚀性气体。

    技术性能

    适用范围:Applicability 105~1.3×10-4Pa
    阀门漏率:Valve Leak Rate ≤1.3×10-4Pa.L/S.
    适用温度:Applicable Temperature -25~+80℃(丁腈橡胶)
    -30~+150℃(氟橡胶)
    气源压力:Mains Voltage 0.4~0.6MPa
    安装方向:Mounting Direction 任意

    主要零件材料

    阀体、阀盖、阀杆:碳钢或不锈钢
    密封件:丁腈橡胶、氟橡胶

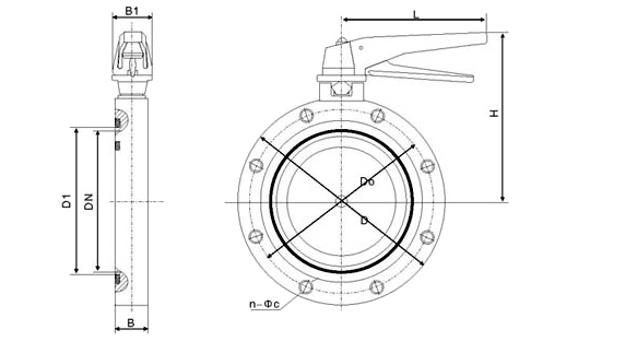
    外形结构图

    主要外形尺寸

    真空标准:GB6070
    型号 DN D D0 B N C H L
    GI-32 32 90 70 22 4 9 130 140
    GI-40 40 100 80 22 4 9 140 155
    GI-50 50 110 90 22 4 9 150 170
    GI-63 63 130 110 28 4 9 170 190
    GI-80 80 145 125 28 8 9 185 212
    GI-100 100 165 145 28 8 9 206 242
    GI-125 125 200 175 34 8 11 240 283
    GI-160 150 225 200 34 8 11 265 320
    GI-200 200 285 260 40 12 11 334 400
    GI-250 250 335 310 45 12 11 384 473
    GI-320 300 425 395 50 12 147 472 568
    GI-400 400 510 480 60 16 14 560 700
    真空标准:JB919
    型号 DN D D0 B N C H L
    GI-32 32 78 64 22 4 7 118 134
    GI-40 40 85 70 22 4 7 125 147
    GI-50 50 110 90 22 4 9 150 170
    GI-63 63 125 105 28 4 9 165 187
    GI-80 80 145 125 28 4 9 185 212
    GI-100 100 170 145 28 4 12 210 244
    GI-125 125 195 170 34 4 12 238 280
    GI-150 150 220 195 34 8 12 263 317
    GI-200 200 275 250 40 8 12 324 396
     

    声明:【GI不锈钢高真空蝶阀】规格型号、结构尺寸由上海凯利科阀门有限公司提供,如何选择适用的GI不锈钢高真空蝶阀产品,使之在工艺控制中安全可靠、经济适用,可致电我司销售部门及技术部门,我们将在最短的时间内为您解答!

    Copyright ©2011-2022 上海凯利科阀门有限公司,版权所有。 沪ICP备11046016号-29 网站地图

    销售电话:021-31001158

    手机号码:13816746668 陈国辉/经理

    电子邮件:klkvalves@126.com@126.com

    主营产品:球阀,闸阀,蝶阀,截止阀,止回阀,调节阀

    本周热门:气动球阀气动蝶阀气动刀闸阀气动调节阀电动球阀电动蝶阀电动刀闸阀电动调节阀不锈钢球阀不锈钢闸阀不锈钢截止阀不锈钢止回阀不锈钢电磁阀高压电磁阀高压球阀波纹管截止阀

    官方网址:www.fm058.com