电动低温三通球阀
Q944F/Q945F电动低温三通球阀是由角行程系列智能式执行机构和三通球阀组成,是一种旋转类流向切换阀门,电动三通球阀具有关闭严密,结构紧凑,重量轻,维修方便等优点。
|
产品名称: |
电动低温三通球阀 |
产品型号: |
L型Q944F/T型Q945F |
|
公称通径: |
DN15~DN300 |
结构形式: |
球形 |
|
公称压力: |
1.6Mpa~6.4Mpa |
连接方式: |
法兰 |
|
适用温度: |
-40ºC~+180ºC |
驱动方式: |
电动 |
|
阀体材质: |
铸钢、不锈钢 |
制造标准: |
国标GB、德国DIN、美国API、ANSI |
|
适用介质: |
水、油、气体、液体 |
生产厂家: |
上海凯利科阀门有限公司 |
产品说明
Q944F/Q945F电动低温三通球阀是由角行程系列智能式执行机构和三通球阀组成,是一种旋转类流向切换阀门,电动三通球阀具有关闭严密,结构紧凑,重量轻,维修方便等优点。电动低温三通球阀广泛用于气体、液体、蒸汽、油品等腐蚀性介质的管道自动化控制中。电动三通球阀能实现对管道中介质流向的切换。也能使相互垂直的两个通道连通或关闭。四阀座密封三通球阀具有造型美观、结构紧凑合理。电动低温三通球阀不仅可实现介质流向的切换,也可使三个通道相互连通,现时也可关闭任一通道,使另外两个通道连通,灵活控制管路中介质的合流或分流。故称之为电动三通换向球阀。
主要技术参数及性能
|
公称通径 DN(mm) |
15 |
20 |
25 |
32 |
40 |
50 |
65 |
80 |
100 |
125 |
150 |
200 |
|
允许压差(MPa) |
≤公称压力 |
|
动作范围 |
0~90° |
|
阀体形式 |
二段分体式铸造阀体 |
|
阀盖形式 |
整体式 |
|
压盖型式 |
螺栓压紧式 |
|
密封填料 |
V型聚四氟乙烯填料、含浸聚四氟乙烯石棉填料、石棉纺织填料、石墨填料 |
|
连接方式 |
法兰式、螺纹式(适用于1/2"~2") |
|
阀芯形式 |
三通球型阀芯 |
|
流量特性 |
近似快开特性 |
|
泄露量Q |
软密封:零泄露;金属密封:按GB/T4213-92,小于额定KV0.01% |
|
基本误差 |
±1% |
|
回差 |
±1% |
|
死区 |
≤1% |
|
配置执行器型号 |
JOX、3810R、DZW、JHQ、PSQ电动执行机构 |
|
控制方式 |
开关到位灯(开关两位控制)、无源触点信号、1/5K电位计、智能调节(4~20mA模拟量信号控制) |
执行器技术参数
|
执行器类别 |
引进型JO系列执行器参数 |
引进型3610R系列执行器参数 |
引进型JHQ系列执行器参数 |
|
电源电压 |
标准:220V AC单相 可选:110V AC 单相、380/440V AC 三相、24V/110V/220V AC |
|
输出力矩 |
50N·M~2000N·M |
50N·M~1500N·M |
50N·M~3000N·M |
|
动作范围 |
0~90° 0~360° |
0~90° |
0~90°、0°~270°可选 |
|
输入信号 |
开关量、4~20mA模拟量 |
4~20mA模拟量信号 |
开关量、4~20mA模拟量信号 |
|
反馈信号 |
开关量、4~20mA模拟量 |
4~20mA模拟量信号 |
开关量、4~20mA模拟量信号 |
|
动作时间 |
15秒/30秒/60秒 |
10秒/15秒/30秒 |
18S~112S |
|
保护装置 |
过热保护 |
过载保护 |
内置过热保护、过载保护 |
|
环境温度 |
-30°~60° |
-30°~60° |
-20℃~+70℃ |
|
手动操作 |
同附带手柄操作 |
同附带手柄操作 |
机械离合机构,配手轮操作 |
|
机械限位 |
电气、机械二重限位 |
电气、机械二重限位 |
2个外部调整螺栓 |
|
防护等级 |
IP65 |
IP55 |
IP65、IP67、可定制IP68 |
|
防爆等级 |
无防爆 |
ExdⅡ BT4 |
ExdⅡ BT4,ExdⅡ CT6 |
|
位置测量 |
可选装开关或电位计 |
比例控制单元 |
电位计、比例控制单元 |
|
驱动电机 |
8W/E |
AC可逆电机 |
鼠笼式异步电机 |
|
进线接口 |
PE1/2〞进线线锁 |
2-PF 1/2〞进线线锁 |
2个 PF 3/4” |
|
壳体材料 |
铝合金 |
钢,铝合金 |
钢,铝合金,铝青铜,聚碳酸脂 |
|
外涂层 |
干粉,环氧聚酯,具有超强防腐功能 |
|
采用独特的电制动线路,因而定位精度高,执行机构灵敏,启动停止迅速,运行平稳。同时具有抗干扰、抗浪涌电压、防击穿能力强的特点 |
|
适用于动作频繁的调节回路,当接通持续率为25%时,每小时动作次数可达630-1200次 |
主要零件材料
|
零件名称 |
材料名称 |
|
阀体 |
WCB |
304(CF8) |
316(CF8M) |
316L(CF3M) |
|
球体 |
2Cr13+氮化处理 |
304 |
316 |
316L |
|
阀杆 |
2Cr13 |
304 |
316 |
316L |
|
密封圈 |
聚四氟乙烯(PTFE)、增强聚四氟乙烯(PPL)、对位聚苯、柔性石墨 |
|
适用介质 |
水、气体、蒸汽、油品等 |
硝酸等腐蚀性介质 |
醋酸等腐蚀介质 |
尿素等腐蚀性介质 |
控制方式
电动低温三通球阀分L型和T型,介质流通方向见下图。L型电动三通球阀适用于介质流向的切换,能使相互垂直的两个通道连通:T型电动三通球阀适用于介质的分流、合流或流向 切换,T型孔道可以使三个通道互相连通或使其中两个通道连通,电动三通球阀一般采用三个阀座结构,亦可根据用户要求采用四阀座结构。
T型流向示意图
L型流向示意图
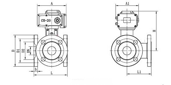
外形尺寸图
主要外形尺寸
|
公称通径 DN(mm) |
15 |
20 |
25 |
32 |
40 |
50 |
65 |
80 |
100 |
125 |
150 |
200 |
250 |
300 |
|
L |
150 |
150 |
180 |
200 |
220 |
240 |
260 |
280 |
320 |
380 |
440 |
550 |
/ |
/ |
|
L1 |
75 |
75 |
90 |
100 |
110 |
120 |
130 |
140 |
160 |
190 |
220 |
275 |
/ |
/ |
|
H、A |
由于阀门密封选择及温度选择不同,执行器尺寸需根据实际配置,该尺寸可咨询精欧公司技术部。 |
PN1.6MPa法兰连接尺寸
|
D |
95 |
105 |
115 |
140 |
150 |
165 |
185 |
200 |
220 |
250 |
285 |
340 |
405 |
460 |
|
D1 |
65 |
75 |
85 |
100 |
110 |
125 |
145 |
160 |
180 |
210 |
240 |
295 |
355 |
410 |
|
D2 |
46 |
56 |
65 |
76 |
84 |
99 |
118 |
132 |
156 |
184 |
211 |
266 |
319 |
370 |
|
b |
14 |
16 |
16 |
18 |
18 |
20 |
22 |
24 |
24 |
26 |
28 |
24 |
26 |
28 |
|
f |
2 |
2 |
2 |
2 |
2 |
2 |
2 |
2 |
2 |
2 |
2 |
2 |
2 |
2 |
|
n-φd |
4-14 |
4-14 |
4-14 |
4-18 |
4-18 |
4-18 |
4-18 |
8-18 |
8-18 |
8-18 |
8-22 |
12-22 |
12-26 |
12-26 |
PN2.5MPa法兰连接尺寸
|
D |
95 |
105 |
115 |
140 |
150 |
165 |
185 |
200 |
235 |
270 |
300 |
360 |
425 |
485 |
|
D1 |
65 |
75 |
85 |
100 |
110 |
125 |
145 |
160 |
190 |
220 |
250 |
310 |
370 |
430 |
|
D2 |
46 |
56 |
65 |
76 |
84 |
99 |
118 |
132 |
156 |
184 |
211 |
274 |
330 |
389 |
|
b |
14 |
16 |
16 |
18 |
18 |
20 |
22 |
24 |
24 |
26 |
28 |
34 |
38 |
42 |
|
f |
2 |
2 |
2 |
2 |
2 |
2 |
2 |
2 |
2 |
2 |
2 |
2 |
2 |
2 |
|
n-φd |
4-14 |
4-14 |
4-14 |
4-18 |
4-18 |
4-18 |
8-18 |
8-18 |
8-22 |
8-26 |
8-26 |
12-26 |
12-30 |
16-30 |
声明:【电动低温三通球阀】规格型号、结构尺寸由上海凯利科阀门有限公司提供,如何选择适用的电动低温三通球阀产品,使之在工艺控制中安全可靠、经济适用,可致电我司销售部门及技术部门,我们将在最短的时间内为您解答! |