首页
公司介绍
新闻中心
组织机构
服务理念
售后服务
联系我们
产品中心
jtgk.png

产品中心

Q41F46衬四氟球阀

您的位置:阀门 - 球阀 - Q41F46衬四氟球阀 更新时间:2024-07-27 09:07:54
Q41F46衬四氟球阀
    • 质量安全:压力、材质、密封等全方位检测确保质量过关!
    • 价格比较:在相同品质的情况下,厂里直销,更具有优势!
    • 交货快捷:常规产品现货供应,生产加工销售一条龙服务!
      上海凯利科阀门竭诚为您提供安全可靠的Q41F46衬四氟球阀成套技术方案,以及售前选型报价,售后技术指导、安装、调试服务!

    • 产品描述
    • 在线询价
    • 技术咨询
    Q41F46衬四氟球阀Q41F46衬四氟球阀

    Q41F46衬四氟球阀可分为对分二片式和三片式两种结构型式,除具有的流体阻力小,启闭速度快,结构简单外,采用FEP衬里层的球阀具有极高的化学稳定性可以适用除“熔融碱金属和元素氟”,以外其它任何强腐蚀性质。采用全通径、浮动球结构,阀门可在整个压力范围内进行无泄漏关闭,更便于管路系统的通球扫线和管路维护。

    产品名称: 衬四氟球阀 产品型号: Q41F46
    公称通径: DN15~DN300 结构形式: 球形
    公称压力: 1.6Mpa~6.4Mpa 连接方式: 法兰、内螺纹
    适用温度: ≤450ºC 驱动方式: 手动、气动、电动
    阀体材质: 铸钢、不锈钢 制造标准: 国标GB、德国DIN、美国API、ANSI
    适用介质: 水、油、气体、导热油、液体 生产厂家: 上海凯利科阀门有限公司

    产品说明

    Q41F46衬四氟球阀可分为对分二片式和三片式两种结构型式,除具有的流体阻力小,启闭速度快,结构简单外,采用FEP衬里层的球阀,具有极高的化学稳定性,可以适用除“熔融碱金属和元素氟”,以外其它任何强腐蚀性质。采用全通径、浮动球结构,阀门可在整个压力范围内进行无泄漏关闭,更便于管路系统的通球扫线和管路维护。启闭件球件与阀杆铸(锻)为一体,杜绝了由于压力变化引起阀杆冲出承压件内的可能性,从根本上保证了工程中的使用安全性。结构紧凑合理,阀体内腔空间最小,减小了介质滞留,另外,特殊的模压工艺,使密封面致密度良好,加之人字环形PTFE填料组合,使阀门达到零泄漏。

    基本型号 

    手动 Q41F3 蜗轮 Q341F3
    Q41F46 Q341F46
    气动 Q641F3 电动 Q941F3
    Q641F46 Q941F46

    技术规范

    设计标准 GB12237
    结构长度 GB12221
    法兰标准 JB/T79-94
    GB9113.1-26
    检验试验 JB/T9092-99
    驱动方式 手动、电动、气动、蜗轮

    主要零部件材料表

    序号 零件名称 灰铸铁 铸钢 不锈耐酸铸钢 超低碳不锈耐酸铸钢
    Z C P8 R8 R3 R3
    1 阀体/阀盖 A216-C A216-WCB A351-CF8 A351-CF8M A351-CF3 A351-CF3M
    2 球体/阀杆 A216-WCB A351-CF8 A351-CF8M A351-CF3 A351-CF3M
    3 衬里/阀座 PTFE(F4)、PCTFE(F3)、FEP(F46)、PFA(可溶F4)
    4 填料/压盖 PTFE(F4) A351-CF3 A351-CF3
    5 填料 A216-WCB A351-CF8 A351-CF8
    6 支架 A193-B7 A194-8 A193-B8M
    7 紧固螺栓 A193-B7 A193-B8M A194-8
    8 螺母 A194-2H A194-8 A194-8
    9 操作手柄 A216-WCB A216-WCB A216-WCB

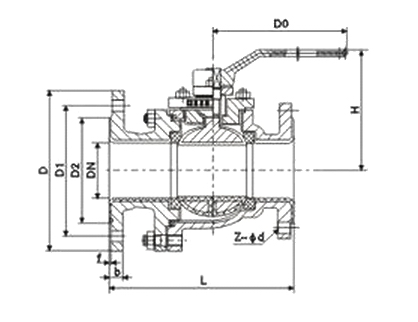
    外形结构图

     

    1.0MPa主要外形和连接尺寸

    公称通经 L D D1 D2 f b Z-φd
    DN(mm) NPS(inch) PN1.0MPa
    15 1/2 130 95 65 45 2 14 4-φ14
    20 3/4 140 105 75 55 2 16 4-φ14
    25 1 150 115 85 65 2 16 4-φ14
    32 5/4 165 135 100 78 2 18 4-φ18
    40 3/2 180 145 110 85 3 18 4-φ18
    50 2 200 160 125 100 3 20 4-φ18
    65 5/2 220 180 145 120 3 20 4-φ18
    80 3 250 195 160 135 3 22 4-φ18
    100 4 280 215 180 155 3 22 8-φ18
    125 5 320 245 210 185 3 24 8-φ18
    150 6 360 280 240 210 3 24 8-φ23
    200 8 457 335 295 265 3 26 8-φ23
    250 10 533 390 350 320 3 28 12-φ23

    1.6MPa主要外形和连接尺寸

    公称通经 L D D1 D2 f b Z-φd
    DN(mm) NPS(inch) PN1.0MPa
    15 1/2 130 95 65 45 2 14 4-φ14
    20 3/4 130 105 75 55 2 16 4-φ14
    25 1 140 115 85 65 2 16 4-φ14
    32 5/4 165 135 100 78 2 18 4-φ18
    40 3/2 165 145 110 85 3 18 4-φ18
    50 2 203 160 125 100 3 20 4-φ18
    65 5/2 222 180 145 120 3 20 4-φ18
    80 3 241 195 160 135 3 22 8-φ18
    100 4 305 215 180 155 3 24 8-φ18
    125 5 356 245 210 185 3 26 8-φ18
    150 6 394 280 240 210 3 28 8-φ23
    200 8 457 335 295 265 3 30 12-φ23
     

    声明:【Q41F46衬四氟球阀】规格型号、结构尺寸由上海凯利科阀门有限公司提供,如何选择适用的Q41F46衬四氟球阀产品,使之在工艺控制中安全可靠、经济适用,可致电我司销售部门及技术部门,我们将在最短的时间内为您解答!

    Copyright ©2011-2022 上海凯利科阀门有限公司,版权所有。 沪ICP备11046016号-29 网站地图

    销售电话:021-31001158

    手机号码:13816746668 陈国辉/经理

    电子邮件:klkvalves@126.com@126.com

    主营产品:球阀,闸阀,蝶阀,截止阀,止回阀,调节阀

    本周热门:气动球阀气动蝶阀气动刀闸阀气动调节阀电动球阀电动蝶阀电动刀闸阀电动调节阀不锈钢球阀不锈钢闸阀不锈钢截止阀不锈钢止回阀不锈钢电磁阀高压电磁阀高压球阀波纹管截止阀

    官方网址:www.fm058.com