PQ340F,PQ340Y,PQ340H上装式偏心半球阀
PQ340F/Y/H上装式偏心半球阀利用偏心阀体,偏心球体和阀座,阀杆作旋转运动时在共同轨迹自动定心,关闭过程中越关越紧,完全达到良好的密封目的。阀门的球体和阀座完全脱离,消除了密封圈的磨损,克服了传统球体阀座与球体密封面始终磨损的问题,非金属弹性材料被嵌入金属座中,阀座金属面受到良好的保护。本产品特别适用于钢铁业,铝业,纤维,微小固体颗粒,纸浆,煤灰,石油气等介质。
|
产品名称: |
上装式偏心半球阀 |
产品型号: |
PQ340H、PQ340Y、PQ340F |
|
公称通径: |
DN15~DN2200 |
结构形式: |
球形 |
|
公称压力: |
1.6Mpa~32.0Mpa |
连接方式: |
法兰 |
|
适用温度: |
-20ºC~+180ºC~350ºC~550ºC |
驱动方式: |
手动、蜗轮、电动、气动 |
|
阀体材质: |
碳钢、铸钢、WCB、不锈钢 |
制造标准: |
国标GB、德国DIN、美国API、ANSI |
|
适用介质: |
水、油、浆液、污水、气体、液体 |
生产厂家: |
上海凯利科阀门有限公司 |
产品说明
PQ340F/Y/H上装式偏心半球阀利用偏心阀体,偏心球体和阀座,阀杆作旋转运动时在共同轨迹自动定心,关闭过程中越关越紧,完全达到良好的密封目的。阀门的球体和阀座完全脱离,消除了密封圈的磨损,克服了传统球体阀座与球体密封面始终磨损的问题,非金属弹性材料被嵌入金属座中,阀座金属面受到良好的保护。本产品特别适用于钢铁业,铝业,纤维,微小固体颗粒,纸浆,煤灰,石油气等介质。
结构特点
1. 阀座设外台阶与阀体内台阶相配合的结构,防止了球体与阀座发生卡阻或脱离现象。
2. 利用偏心阀体,偏心球体和阀座,阀杆作旋转运气时,在共同轨迹自动定心,关闭过程中越关越紧,完全达到良好密封的目的,所以偏心半球阀密性能安全可靠;阀门启闭时,球体与阀座完全脱开,消除了密封副的磨损,克服了传统球阀阀座与球体密封面始终磨损的问题。
3. 非金属弹性材料被 于金属座中,阀座金属密封面受到良好的保护。
4. 半球切口的球体与阀座之间有剪切作用,特适用于含 维,微小固体颗粒,浆等介质。
5. 全开时流通能力大,压力损失小,且介质不会沉积在阀体中腔内。
6. 本产品具有精确的调节和可靠定位功能,流量特性为近似百分比,可调范围大,最大调比为100;1。
执行标准
设计制造:GB12237-89
法兰连接:GB/T17241.6998、GB/T9115(钢制)
结构长度:GB12221-89
压力试验:GB/T13927的规定
性能参数
|
公称压力(Mpa) |
0.6 |
1.0 |
1.6 |
2.5 |
4.0 |
|
公称通经(mm) |
40-600 |
40-600 |
40-600 |
40-600 |
40-600 |
|
密封试验压力(Mpa) |
0.66 |
1.1 |
1.76 |
2.75 |
4.4 |
|
壳体试验压力(Mpa) |
0.9 |
1.5 |
2.4 |
3.75 |
6.0 |
|
适用温度(℃) |
-29~300、-29~425、-29~540 |
|
适用介质 |
清水、海水、污水、酸碱等液体、料浆、蒸汽、燃气、油类 |
|
驱动方式 |
手动、电动、气动 |
|
连接形式 |
法兰连接、对夹连接 |
|
安装方式 |
立式安装、卧式安装 |
材料明细表
|
序号 |
名称及规格 |
材料 |
|
1 |
底盖 |
25 |
|
2 |
内六角螺栓 |
35CrMo |
|
3 |
垫片 |
柔性石墨 |
|
4 |
阀体 |
WCB |
|
5 |
下阀杆 |
2Cr13 |
|
6 |
球体 |
WCB |
|
7 |
滑动轴承 |
铜基合金或不锈钢 |
|
8 |
垫片 |
柔性石墨 |
|
9 |
阀座+堆焊合金钢 |
25 |
|
10 |
阀座支承 |
25 |
|
11 |
内六角螺栓 |
35CrMo |
|
12 |
键 |
40Cr |
|
13 |
上阀杆 |
2Cr13 |
|
14 |
滑动轴承 |
铜基合金或不锈钢 |
|
15 |
填料垫 |
2Cr13 |
|
16 |
填料 |
柔性石墨 |
|
17 |
填料压盖 |
WCB |
|
18 |
支架 |
WCB |
|
19 |
螺柱 |
35CrMo |
|
20 |
螺母 |
45 |
|
21 |
螺柱 |
35CrMo |
|
22 |
螺母 |
45 |
|
23 |
螺柱 |
35CrMo |
|
24 |
螺母 |
45 |
|
25 |
键 |
40Cr |
|
26 |
手动操作器 |
组合件 |
主要零件材料
|
阀体 阀盖 |
GB |
WCB |
ZG1Cr18Ni9Ti |
ZG0Cr18Ni12Mo2Ti |
ZG15Cr1Mo1V |
|
ASTM |
WCB |
CF8 |
CF8M |
WC9 |
|
球体 |
GB |
ZG2Cr13 |
ZG1Cr18Ni9Ti 表面特殊处理 |
ZG0Cr18Ni12Mo2Ti 表面特殊处理 |
ZG15Cr1Mo1V 表面特殊处理 |
|
ASTM |
CA15 |
CF8+HF |
CF8M+HF |
WC9+HF |
|
阀杆 |
GB |
2Cr13 |
1Cr18Ni9Ti |
0Cr18Ni12Mo2Ti |
25Cr2Mo2V |
|
ASTM |
420 |
304 |
316 |
F22a |
|
阀座 |
GB |
PTFE |
2Cr13 |
PTFE |
1Cr18Ni9Ti |
PTFE |
0Cr18Ni12Mo2Ti |
D517 |
|
ASTM |
PTFE |
420 |
PTFE |
304 |
PTFE |
316 |
HF |
|
填料 |
GB |
PTFE |
柔性石墨 |
PTFE |
柔性石墨 |
PTFE |
柔性石墨 |
柔性石墨 |
|
ASTM |
PTFE |
柔性石墨 |
PTFE |
柔性石墨 |
PTFE |
柔性石墨 |
柔性石墨 |
|
螺栓 |
GB |
35 |
0Cr18Ni9 |
0Cr18Ni9 |
15Cr1Mo1V |
|
ASTM |
A193 B7 |
A320-B8 |
A320-B8 |
A193 B16 |
|
螺母 |
GB |
45 |
0Cr18Ni9 |
0Cr18Ni9 |
20CrMo |
|
ASTM |
A194 2H |
A194-8 |
A194-8 |
A194-4 |
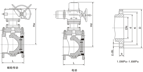
外形结构图
主要连接尺寸1.0MPa
|
公称压力 PN |
公称通径 DN |
尺寸[mm] |
|
L |
D |
D1 |
D2 |
b |
Z-Φd |
Ws |
Hs |
Hw |
Hd |
|
1.0Mpa |
50 |
124 |
160 |
125 |
100 |
16 |
4-Φ18 |
230 |
164 |
260 |
310 |
|
65 |
145 |
180 |
145 |
120 |
18 |
4-Φ18 |
250 |
180 |
275 |
330 |
|
80 |
165 |
195 |
160 |
135 |
20 |
4-Φ18 |
300 |
200 |
300 |
360 |
|
100 |
194 |
215 |
180 |
155 |
20 |
8-Φ18 |
320 |
235 |
335 |
390 |
|
125 |
210 |
245 |
210 |
185 |
22 |
8-Φ18 |
400 |
260 |
355 |
405 |
|
150 |
229 |
280 |
240 |
210 |
24 |
8-Φ18 |
500 |
280 |
375 |
440 |
|
200 |
243 |
335 |
295 |
265 |
24 |
8-Φ23 |
800 |
320 |
410 |
470 |
|
250 |
297 |
390 |
350 |
320 |
26 |
12-Φ23 |
1000 |
355 |
485 |
550 |
|
300 |
338 |
440 |
400 |
368 |
26 |
12-Φ23 |
1200 |
400 |
530 |
595 |
|
350 |
400 |
500 |
460 |
428 |
28 |
16-Φ23 |
|
|
580 |
650 |
|
400 |
420 |
565 |
515 |
482 |
28 |
16-Φ25 |
|
|
650 |
730 |
|
450 |
502 |
615 |
565 |
532 |
30 |
20-Φ25 |
|
|
710 |
790 |
|
500 |
533 |
670 |
620 |
585 |
30 |
20-Φ25 |
|
|
760 |
840 |
|
600 |
800 |
780 |
725 |
685 |
34 |
20-Φ30 |
|
|
870 |
960 |
|
700 |
900 |
895 |
840 |
800 |
38 |
24-Φ30 |
|
|
910 |
1080 |
|
800 |
1000 |
1010 |
950 |
905 |
42 |
24-Φ34 |
|
|
935 |
1125 |
主要连接尺寸1.6MPa
|
公称压力 PN |
公称通径 DN |
尺寸[mm] |
|
L |
D |
D1 |
D2 |
b |
Z-Φd |
Ws |
Hs |
Hw |
Hd |
|
1.6Mpa |
50 |
124 |
165 |
125 |
100 |
16 |
4-Φ18 |
230 |
164 |
260 |
310 |
|
65 |
145 |
185 |
145 |
120 |
18 |
4-Φ18 |
250 |
180 |
275 |
330 |
|
80 |
165 |
200 |
160 |
135 |
20 |
8-Φ18 |
300 |
200 |
300 |
360 |
|
100 |
194 |
220 |
180 |
155 |
20 |
8-Φ18 |
320 |
235 |
335 |
390 |
|
125 |
210 |
250 |
210 |
185 |
22 |
8-Φ18 |
400 |
260 |
355 |
405 |
|
150 |
229 |
285 |
240 |
210 |
24 |
8-Φ23 |
500 |
280 |
375 |
440 |
|
200 |
243 |
340 |
295 |
265 |
26 |
12-Φ23 |
800 |
320 |
410 |
470 |
|
250 |
297 |
405 |
355 |
320 |
30 |
12-Φ25 |
1000 |
355 |
485 |
550 |
|
300 |
338 |
460 |
410 |
375 |
30 |
12-Φ25 |
1200 |
400 |
530 |
595 |
|
350 |
400 |
520 |
470 |
435 |
34 |
16-Φ25 |
|
|
580 |
650 |
|
400 |
420 |
580 |
525 |
485 |
36 |
16-Φ30 |
|
|
650 |
730 |
|
450 |
502 |
640 |
585 |
545 |
40 |
20-Φ30 |
|
|
710 |
790 |
|
500 |
533 |
715 |
650 |
608 |
44 |
20-Φ34 |
|
|
760 |
840 |
|
600 |
800 |
840 |
770 |
718 |
48 |
20-Φ41 |
|
|
870 |
960 |
|
700 |
900 |
910 |
840 |
788 |
50 |
24-Φ41 |
|
|
910 |
1080 |
|
800 |
1000 |
1025 |
950 |
898 |
52 |
24-Φ41 |
|
|
935 |
1125 |
主要连接尺寸2.5 MPa
|
公称压力 PN |
公称通径 DN |
尺寸[mm] |
|
L |
D |
D1 |
D2 |
D6 |
b |
Z-Φd |
Ws |
Hs |
Hw |
Hd |
|
2.5 Mpa |
50 |
124 |
165 |
125 |
100 |
|
20 |
4-Φ18 |
230 |
164 |
260 |
310 |
|
65 |
145 |
185 |
145 |
120 |
|
22 |
8-Φ18 |
250 |
180 |
275 |
330 |
|
80 |
165 |
200 |
160 |
135 |
|
22 |
8-Φ18 |
300 |
200 |
300 |
360 |
|
100 |
194 |
230 |
190 |
160 |
|
24 |
8-Φ23 |
320 |
235 |
335 |
390 |
|
125 |
210 |
270 |
220 |
188 |
|
28 |
8-Φ25 |
400 |
260 |
355 |
405 |
|
150 |
229 |
300 |
250 |
218 |
|
30 |
8-Φ25 |
500 |
280 |
375 |
440 |
|
200 |
243 |
360 |
310 |
278 |
|
34 |
12-Φ25 |
800 |
320 |
410 |
470 |
|
250 |
297 |
425 |
370 |
332 |
|
36 |
12-Φ30 |
1000 |
355 |
485 |
550 |
|
300 |
338 |
485 |
430 |
390 |
|
40 |
16-Φ30 |
1200 |
400 |
530 |
595 |
|
350 |
400 |
555 |
490 |
448 |
|
44 |
16-Φ34 |
|
|
580 |
650 |
|
400 |
420 |
620 |
550 |
505 |
|
48 |
16-Φ34 |
|
|
650 |
730 |
|
450 |
502 |
670 |
600 |
555 |
|
50 |
20-Φ34 |
|
|
710 |
790 |
|
500 |
533 |
730 |
660 |
610 |
|
52 |
20-Φ41 |
|
|
760 |
840 |
|
600 |
800 |
845 |
770 |
718 |
|
56 |
20-Φ41 |
|
|
870 |
960 |
|
700 |
900 |
960 |
875 |
815 |
|
60 |
24-Φ48 |
|
|
990 |
1080 |
|
800 |
1000 |
1085 |
990 |
930 |
|
64 |
24-Φ48 |
|
|
935 |
1125 |
主要连接尺寸4.0 MPa
|
公称压力 PN |
公称通径 DN |
尺寸[mm] |
|
L |
D |
D1 |
D2 |
D6 |
b |
Z-Φd |
Ws |
Hs |
Hw |
Hd |
|
4.0 Mpa |
50 |
124 |
165 |
125 |
100 |
88 |
20 |
4-Φ18 |
250 |
180 |
275 |
325 |
|
65 |
145 |
185 |
145 |
120 |
110 |
22 |
8-Φ18 |
300 |
200 |
290 |
345 |
|
80 |
165 |
200 |
160 |
135 |
121 |
22 |
8-Φ18 |
320 |
220 |
315 |
375 |
|
100 |
194 |
235 |
190 |
160 |
150 |
24 |
8-Φ23 |
400 |
260 |
350 |
405 |
|
125 |
210 |
270 |
220 |
188 |
176 |
28 |
8-Φ25 |
500 |
290 |
370 |
420 |
|
150 |
229 |
300 |
250 |
218 |
204 |
30 |
8-Φ25 |
800 |
310 |
390 |
455 |
|
200 |
245 |
375 |
320 |
282 |
260 |
38 |
12-Φ30 |
1000 |
350 |
435 |
495 |
|
250 |
297 |
450 |
385 |
345 |
313 |
42 |
12-Φ34 |
1200 |
390 |
510 |
575 |
|
300 |
338 |
515 |
450 |
408 |
364 |
46 |
16-Φ34 |
|
|
555 |
620 |
|
350 |
400 |
580 |
510 |
465 |
422 |
52 |
16-Φ34 |
|
|
605 |
675 |
|
400 |
420 |
660 |
585 |
535 |
474 |
58 |
16-Φ41 |
|
|
675 |
755 |
|
450 |
502 |
685 |
610 |
560 |
524 |
60 |
20-Φ41 |
|
|
735 |
815 |
|
500 |
533 |
755 |
670 |
612 |
576 |
62 |
20-Φ48 |
|
|
785 |
870 |
声明:【PQ340F,PQ340Y,PQ340H上装式偏心半球阀】规格型号、结构尺寸由上海凯利科阀门有限公司提供,如何选择适用的PQ340F,PQ340Y,PQ340H上装式偏心半球阀产品,使之在工艺控制中安全可靠、经济适用,可致电我司销售部门及技术部门,我们将在最短的时间内为您解答! |