D342X单偏心法兰式蝶阀
D342X法兰单偏心蝶阀的结构特征为阀杆轴心偏离了蝶板中心、从而使蝶板上下端不再成为回转轴心、分散、减轻了蝶板上下端与阀座的过度挤压,解决了同心蝶阀的蝶板与阀座的挤压问题。但由于单偏心构造在阀门的整个开关过程中蝶板与阀座的刮擦现象并未消失、在应用范围上和同心蝶阀大同小异、故采用不多。
|
产品名称: |
单偏心法兰式蝶阀 |
产品型号: |
D342X |
|
公称通径: |
DN50~DN2000 |
阀座密封: |
丁青橡胶、聚四氟乙烯 |
|
公称压力: |
1.0Mpa~1.6MPa |
连接方式: |
对夹、法兰 |
|
适用温度: |
-0ºC~+80ºC |
驱动方式: |
手动、蜗轮、电动、气动 |
|
阀体材质: |
铸铁、球墨铸铁、铸钢 |
制造标准: |
国标GB、德国DIN、美国API、ANSI |
|
适用介质: |
水、油、气体、粉体、液体 |
生产厂家: |
上海凯利科阀门有限公司 |
产品说明
D342X单偏心法兰式蝶阀的结构特征为阀杆轴心偏离了蝶板中心、从而使蝶板上下端不再成为回转轴心、分散、减轻了蝶板上下端与阀座的过度挤压,解决了同心蝶阀的蝶板与阀座的挤压问题。但由于单偏心构造在阀门的整个开关过程中蝶板与阀座的刮擦现象并未消失、在应用范围上和同心蝶阀大同小异、故采用不多。
产品特点
本阀结构独特,操作灵活,省力,方便。
2、蝶板采用框架结构,强度高,过流面积大,流阻小。
3、密封副材料选用不锈钢和硅耐油橡胶配对,使用寿命长。
4、本阀采用双偏心结构,具有越关越紧的密封功能,密封性能可靠。
5、整体烤漆、能有效地防止锈蚀且只要更换密封阀座密封材料,就可使用于不同介质。
6、橡胶密封圈即可位于阀体上,也可以位于蝶板上,可适用不同特点的介质,供用户选择。
7、本阀具有双向密封功能,安装时不受介质流向的控制,也不受空间位置的影响,可在任何方向安装。
主要参数
|
公称通经DN(mm) |
50~2000 |
50~1600 |
|
公称药理PN(MPa) |
0.6 |
1.0 |
1.6 |
|
密封试验(MPa) |
0.66 |
1.1 |
1.76 |
|
强度试验(MPa) |
0.9 |
1.5 |
2.4 |
|
适用温度 |
丁腈橡胶:-40℃~90℃氟橡胶:-20℃~200℃ |
|
适用介质 |
水、空气、天然气、油品及弱腐蚀性流体 |
|
泄漏率 |
符合GB/T13927-92标准 |
|
驱动方式 |
蜗轮传动、电动、气动、液动 |
主要零部件材料
|
零件名称 |
材料 |
|
阀体 |
WCB、QT450-10、HT200、HT250 |
|
蝶板 |
WCB、QT450-10、HT200、HT250 |
|
阀轴 |
2Cr13 |
|
密封圈 |
丁腈耐油橡胶 |
|
填料 |
柔性石墨 |
执行标准
|
制造标准 |
GB/T 122387-89 |
|
法兰标准 |
GB9113-2000、GB17241.6-1998 |
|
结构长度标准 |
GB12221-89 |
|
检验标准 |
GB/T 13927-92 |
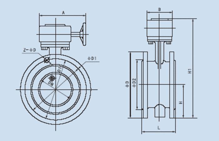
外形结构图
主要外形尺寸
|
DN |
主要外形连接尺寸 |
法兰尺寸和螺栓孔尺寸 |
|
L |
H |
H1 |
A |
B |
0.6MPa |
1.0MPa |
1.6MPa |
|
D |
D1 |
D2 |
n-d |
D |
D1 |
D2 |
n-d |
D |
D1 |
D2 |
n-d |
|
50 |
108 |
82.5 |
306 |
80 |
80 |
140 |
110 |
88 |
4-14 |
185 |
125 |
99 |
4-18 |
165 |
125 |
99 |
4-18 |
|
65 |
112 |
92.5 |
321 |
80 |
80 |
160 |
130 |
108 |
4-14 |
185 |
145 |
118 |
4-18 |
185 |
145 |
118 |
4-18 |
|
80 |
114 |
100 |
346 |
80 |
80 |
190 |
150 |
124 |
4-18 |
200 |
160 |
132 |
8-18 |
200 |
160 |
132 |
8-18 |
|
100 |
127 |
110 |
387 |
95 |
95 |
210 |
170 |
144 |
4-18 |
220 |
180 |
156 |
8-18 |
220 |
180 |
156 |
8-18 |
|
125 |
140 |
125 |
411 |
95 |
95 |
240 |
20 |
174 |
8-18 |
250 |
210 |
184 |
8-18 |
250 |
210 |
184 |
8-18 |
|
150 |
140 |
142.5 |
447 |
95 |
95 |
265 |
225 |
199 |
8-18 |
285 |
240 |
211 |
8-22 |
285 |
240 |
211 |
8-22 |
|
200 |
152 |
170 |
607 |
190 |
308 |
320 |
280 |
254 |
8-18 |
340 |
295 |
266 |
8-22 |
340 |
295 |
266 |
12-22 |
|
250 |
165 |
192.5 |
688 |
190 |
308 |
375 |
335 |
309 |
12-18 |
395 |
350 |
319 |
12-22 |
405 |
355 |
319 |
12-26 |
|
300 |
178 |
222.5 |
742 |
190 |
308 |
440 |
395 |
363 |
12-22 |
445 |
400 |
370 |
12-22 |
460 |
410 |
370 |
12-26 |
|
350 |
190 |
252.5 |
797 |
190 |
308 |
490 |
445 |
413 |
12-22 |
505 |
460 |
429 |
16-22 |
520 |
470 |
429 |
16-26 |
|
400 |
216 |
282.5 |
930 |
270 |
466 |
540 |
495 |
463 |
16-22 |
565 |
515 |
480 |
16-26 |
580 |
525 |
480 |
16-30 |
|
450 |
222 |
307.5 |
975 |
270 |
466 |
595 |
550 |
518 |
16-22 |
615 |
565 |
530 |
20-26 |
640 |
585 |
548 |
20-30 |
|
500 |
229 |
335 |
1065 |
270 |
466 |
645 |
600 |
568 |
20-22 |
670 |
620 |
582 |
20-26 |
715 |
650 |
609 |
20-33 |
|
600 |
267 |
390 |
1225 |
457 |
625 |
755 |
705 |
667 |
20-26 |
780 |
725 |
682 |
20-30 |
840 |
770 |
720 |
20-36 |
|
700 |
292 |
447.5 |
1343 |
457 |
625 |
860 |
810 |
772 |
24-26 |
895 |
840 |
794 |
24-30 |
910 |
840 |
794 |
24-36 |
|
800 |
318 |
507.5 |
1436 |
457 |
625 |
975 |
920 |
878 |
24-30 |
1015 |
950 |
901 |
24-33 |
1025 |
950 |
901 |
24-39 |
|
900 |
330 |
557.5 |
1616 |
598 |
853 |
1075 |
1020 |
978 |
24-30 |
1115 |
1050 |
1001 |
28-33 |
1125 |
1050 |
1001 |
28-39 |
|
1000 |
410 |
615 |
1711 |
598 |
853 |
1175 |
1120 |
1078 |
28-30 |
1230 |
1160 |
1112 |
28-36 |
1255 |
1170 |
1112 |
28-42 |
|
1200 |
470 |
727.5 |
1971 |
598 |
853 |
1405 |
1340 |
1295 |
32-33 |
1455 |
1380 |
1328 |
32-39 |
1485 |
1390 |
1328 |
32-48 |
|
1400 |
530 |
837.5 |
2218 |
860 |
1345 |
1630 |
1560 |
1510 |
36-36 |
1675 |
1590 |
1530 |
36-42 |
1685 |
1590 |
1530 |
36-48 |
|
1600 |
600 |
957.5 |
2578 |
860 |
1345 |
1830 |
1760 |
1710 |
40-36 |
1915 |
1820 |
1750 |
40-48 |
1930 |
1820 |
1750 |
40-56 |
|
1800 |
670 |
1057.5 |
2689 |
860 |
1345 |
2045 |
1970 |
1918 |
44-39 |
2115 |
2020 |
1950 |
44-48 |
2130 |
2020 |
1950 |
44-56 |
|
2000 |
760 |
1162.5 |
3022 |
952 |
1592 |
2265 |
2180 |
2125 |
48-42 |
2325 |
2230 |
2150 |
48-48 |
2345 |
2230 |
2150 |
48-62 |
声明:【D342X单偏心法兰式蝶阀】规格型号、结构尺寸由上海凯利科阀门有限公司提供,如何选择适用的D342X单偏心法兰式蝶阀产品,使之在工艺控制中安全可靠、经济适用,可致电我司销售部门及技术部门,我们将在最短的时间内为您解答! |