首页
公司介绍
新闻中心
组织机构
服务理念
售后服务
联系我们
产品中心
jtgk.png

产品中心

J61W不锈钢焊接截止阀

您的位置:阀门 - 截止阀 - J61W不锈钢焊接截止阀 更新时间:2024-07-27 09:07:22
J61W不锈钢焊接截止阀
    • 质量安全:压力、材质、密封等全方位检测确保质量过关!
    • 价格比较:在相同品质的情况下,厂里直销,更具有优势!
    • 交货快捷:常规产品现货供应,生产加工销售一条龙服务!
      上海凯利科阀门竭诚为您提供安全可靠的J61W不锈钢焊接截止阀成套技术方案,以及售前选型报价,售后技术指导、安装、调试服务!

    • 产品描述
    • 在线询价
    • 技术咨询
    J61W不锈钢焊接截止阀J61W不锈钢焊接截止阀

    J61W不锈钢焊接截止阀适用于公称压力PN2.5~6.4MPa的石油 、化工 、水力 、火力电站各种系统的管路中,切断或接通管路介质,适用介质为:水、油品、蒸汽等。操作方式有:手动、齿轮传动、电动等。

    产品名称: 不锈钢焊接截止阀 产品型号: J61Y
    公称通径: DN15~DN300 结构形式: 截止式
    公称压力: 1.6MPa~6.4.0MPa 连接方式: 焊接、法兰
    适用温度: -29ºC~+570ºC 驱动方式: 手轮、伞齿轮、电动
    阀体材质: 不锈钢 制造标准: 国标GB、德国DIN、美国API、ANSI
    适用介质: 水、油、蒸汽、气体 生产厂家: 上海凯利科阀门有限公司

    产品说明

    J61W不锈钢焊接截止阀适用于公称压力PN2.5~6.4MPa的石油 、化工 、水力 、火力电站各种系统的管路中,切断或接通管路介质,,适用介质为:水、油品、蒸汽等。操作方式有:手动、齿轮传动、电动等。

    产品特点

    1、结构简单,制造和维修比较方便
    2、工作行程小,启闭时间短
    3、密封性好,密封面间磨擦力小,寿命较长 

    主要性能指标

    型号 J61W/H-25 J61W/H-40 J61W/H-64
    工作压力(MPa) 2.5 4.0 6.4
    适用温度(℃) ≤425
    适用介质 水、蒸汽、油品、腐蚀性气体
    材料 阀杆 不锈钢
    阀体、阀盖、支架 不锈钢
    闸板、阀瓣、密封面 不锈钢或硬质合金
    阀座密封面 不锈钢
    阀杆螺母 不锈钢
    填料 柔性石墨

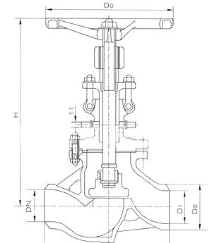
    外形结构图

    主要外形尺寸

    公称通径 主要外形尺寸和连接尺寸
    L D2 D1 H D0
    J61H-25P
    15 130 36 19 11 120
    20 150 44 26 11 140
    25 160 44 33 12 140
    32 180 48 34 - 180
    40 200 55 40 - 200
    50 230 64 50 - 250
    65 290 82 65 - 250
    80 310 94 78 - 300
    100 350 117 97 - 350
    125 400 144 122 - 400
    150 480 170 148 - 400
    200 600 220 197 - 400
    J61H-40P
    15 13 38 19 - 120
    20 150 47 26 - 140
    25 160 47 33 - 160
    32 180 53 34 - 160
    40 200 57 40 - 200
    50 230 68 50 - 250
    65 290 85 65 - 280
    80 310 98 78 - 320
    100 350 122 97 - 350
    125 400 148 122 - 400
    150 480 176 148 - 400
     
     

    声明:【J61W不锈钢焊接截止阀】规格型号、结构尺寸由上海凯利科阀门有限公司提供,如何选择适用的J61W不锈钢焊接截止阀产品,使之在工艺控制中安全可靠、经济适用,可致电我司销售部门及技术部门,我们将在最短的时间内为您解答!

    Copyright ©2011-2022 上海凯利科阀门有限公司,版权所有。 沪ICP备11046016号-29 网站地图

    销售电话:021-31001158

    手机号码:13816746668 陈国辉/经理

    电子邮件:klkvalves@126.com@126.com

    主营产品:球阀,闸阀,蝶阀,截止阀,止回阀,调节阀

    本周热门:气动球阀气动蝶阀气动刀闸阀气动调节阀电动球阀电动蝶阀电动刀闸阀电动调节阀不锈钢球阀不锈钢闸阀不锈钢截止阀不锈钢止回阀不锈钢电磁阀高压电磁阀高压球阀波纹管截止阀

    官方网址:www.fm058.com