QJH球芯截止阀
QJH球芯截止阀是我公司引进德国先进技术工艺,主要用于液压管路中控制油液的流通和截止,采用球心结构具有流阻损失小,密封性能可靠,操作方便,外观精美等特点。 适用介质:液压油、水一乙二醇、其它混合液体。
|
产品名称: |
球芯截止阀 |
产品型号: |
QJH |
|
公称通径: |
DN6~DN80 |
结构形式: |
截止式 |
|
公称压力: |
31.5MPa~50.0MPa |
连接方式: |
板式、法兰式、内螺纹、外螺纹 |
|
适用温度: |
-29ºC~+80ºC |
驱动方式: |
手轮 |
|
阀体材质: |
碳钢、铸钢、不锈钢 |
制造标准: |
国标GB、德国DIN、美国API、ANSI |
|
适用介质: |
水、油、气体、液体 |
生产厂家: |
上海凯利科阀门有限公司 |
产品说明
QJH球芯截止阀是我公司引进德国先进技术工艺,主要用于液压管路中控制油液的流通和截止,采用球心结构具有流阻损失小,密封性能可靠,操作方便,外观精美等特点。 适用介质:液压油、水一乙二醇、其它混合液体。
图形符号

型号说明

① 系列代号Series Code:QJH系列球心截止阀
② 压力等级Pressure Grade:H-32MPa
③ 公称通径Nominal Path:6、10、15、20、25、32、40、50、65、80mm
④ 连接形式Joint Model:B-板式、F-法兰式、NL-内螺纹连接、WL-外螺纹连接
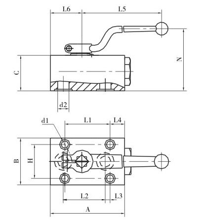
板式球芯截止阀
|
型号 |
A |
B |
C |
L1 |
L2 |
L3 |
L4 |
L5 |
L6 |
H |
N |
d1 |
d2 |
|
QJH-10B |
80 |
54 |
42 |
60 |
45 |
11 |
13 |
105 |
33 |
38 |
62 |
Ф8.5 |
Ф9 |
|
QJH-15B |
92 |
58 |
44 |
56 |
52 |
6 |
18 |
147 |
39 |
42 |
77 |
Ф8.5 |
Ф14 |
|
QJH-20B |
108 |
70 |
52 |
70 |
60 |
8.5 |
21.5 |
185 |
45 |
50 |
90 |
Ф11 |
Ф18 |
|
QJH-25B |
125 |
75 |
60 |
80 |
72 |
11 |
20 |
185 |
54.5 |
55 |
99 |
Ф11 |
Ф24 |
|
QJH-32B |
152 |
98 |
71 |
120 |
90 |
19 |
16 |
240 |
69.5 |
75 |
111 |
Ф13 |
Ф30 |
|
QJH-40B |
185 |
120 |
93 |
150 |
110 |
23 |
20 |
240 |
80 |
90 |
129 |
Ф17 |
Ф38 |
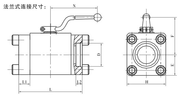
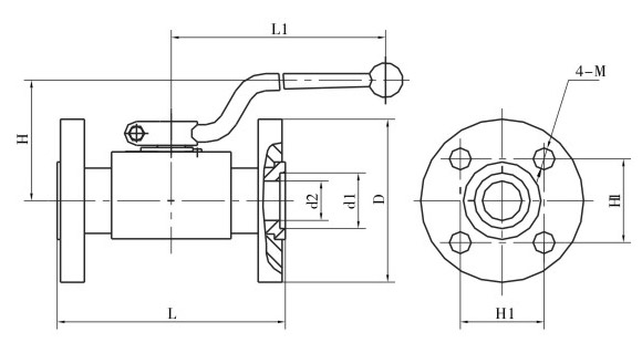
法兰式球芯截止阀
|
型号 |
L |
L1 |
H |
H1 |
D |
d1 |
d2 |
M |
|
QJH-10F |
103 |
105 |
44 |
36 |
Ф68 |
Ф22 |
Ф10 |
M10 |
|
QJH-15F |
113 |
147 |
46 |
40 |
Ф75 |
Ф24 |
Ф15 |
M10 |
|
QJH-20F |
117 |
185 |
48 |
42 |
Ф78 |
Ф30 |
Ф20 |
M10 |
|
QJH-25F |
133 |
185 |
56 |
56 |
Ф100 |
Ф35 |
Ф23 |
M12 |
|
QJH-32F |
145 |
240 |
63 |
62 |
Ф110 |
Ф45 |
Ф32 |
M12 |
|
QJH-40F |
175 |
240 |
74 |
73 |
Ф130 |
Ф50 |
Ф38 |
M16 |
法兰式球芯截止阀
|
型号 |
D |
L |
L1 |
L2 |
H |
F |
E |
N |
|
QJH-50F1 |
Ф62 |
170 |
30 |
17 |
104 |
118 |
55 |
240 |
|
QJH-65F1 |
Ф77 |
220 |
45 |
22 |
126 |
132 |
67 |
— |
|
QJH-80F1 |
Ф91 |
240 |
45 |
25 |
139 |
142 |
75 |
— |
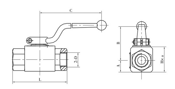
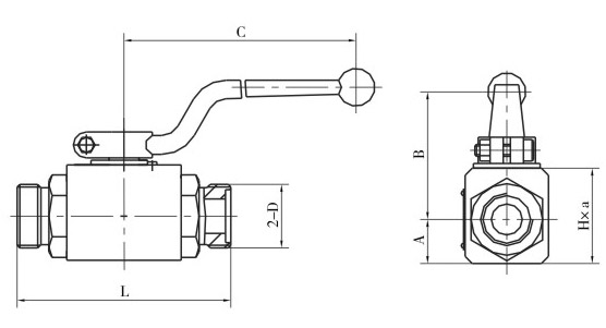
内螺纹球芯截止阀
|
型号 |
A |
B |
C |
L |
H×a |
2-D |
|
QJH-06NL |
13.5 |
27 |
105 |
67 |
33×26 |
M16×1.5 |
|
QJH-10NL |
16 |
40 |
105 |
76 |
36×32 |
M18×1.5 |
|
QJH-15NL |
19 |
45 |
147 |
88 |
45×38 |
M27×2 |
|
QJH-20NL |
25 |
46 |
185 |
100 |
55×48 |
M33×2 |
|
QJH-25NL |
28.5 |
59 |
185 |
116 |
64×57 |
M42×2 |
|
QJH-32NL |
37.5 |
74 |
240 |
130 |
84×75 |
M48×2 |
|
QJH-40NL |
42.5 |
88 |
240 |
140 |
95×85 |
M60×2 |
外螺纹球芯截止阀
|
型号 |
A |
B |
C |
L |
H×a |
2-D |
|
QJH-06WL |
13.5 |
27 |
105 |
71 |
33×26 |
M16×1.5 |
|
QJH-10WL |
16 |
40 |
105 |
86 |
36×32 |
M22×1.5 |
|
QJH-1WNL |
19 |
45 |
147 |
96 |
45×38 |
M30×1.5 |
|
QJH-20WL |
25 |
46 |
185 |
112 |
55×48 |
M36×2 |
|
QJH-25WL |
28.5 |
59 |
185 |
122 |
64×57 |
M42×2 |
|
QJH-32WL |
37.5 |
74 |
240 |
145 |
84×75 |
M52×2 |
|
QJH-40WL |
42.5 |
88 |
240 |
163 |
95×85 |
M60×2 |
声明:【QJH球芯截止阀】规格型号、结构尺寸由上海凯利科阀门有限公司提供,如何选择适用的QJH球芯截止阀产品,使之在工艺控制中安全可靠、经济适用,可致电我司销售部门及技术部门,我们将在最短的时间内为您解答! |