H42F46衬氟立式止回阀
H42F46衬氟立式止回阀适用在-50℃~150℃的各种浓度的王水、硫酸、盐酸、氢氟酸和各种有机酸、强酸、强氧化剂,FEP还适用于各种浓度的强碱有机溶剂以及其它腐蚀性气体、液体介质的管路上使用。其主要作用是防止介质倒流。
|
产品名称: |
衬氟立式止回阀 |
产品型号: |
H42F46 |
|
公称通径: |
DN15~DN500 |
结构形式: |
升降式、立式 |
|
公称压力: |
0.6MPa~1.0MPa~1.6MPa |
连接方式: |
法兰 |
|
适用温度: |
-50ºC~+150ºC |
驱动方式: |
介质推动 |
|
连接材质: |
铸铁、铸钢、不锈钢 |
标准: |
国标GB、德国DIN、美国API、ANSI |
|
适用介质: |
王水、硫酸、盐酸、氢氟酸等 |
生产厂家: |
上海凯利科阀门有限公司 |
产品说明
H42F46衬氟立式止回阀适用在-50℃~150℃的各种浓度的王水、硫酸、盐酸、氢氟酸和各种有机酸、强酸、强氧化剂,FEP还适用于各种浓度的强碱有机溶剂以及其它腐蚀性气体、液体介质的管路上使用。其主要作用是防止介质倒流。
标准规范
设计制造标准:GB/T 12224
结构长度标准:GB/T 12221-2005
连接法兰标准:GB/T 9113、HG20592-97
压力温度等级:GB/T 12224-2005
试验检验标准:GB/T 13927-2008
主要零部件的材料
|
序号 |
零件名称 |
灰铸铁 |
铸钢 |
不锈耐酸铸钢 |
超低碳不锈耐酸铸钢 |
|
Z |
C |
P |
R |
PL |
RL |
|
1 |
阀体/阀盖 |
HT250 |
WCB |
CF8 |
CF8M |
CF3 |
CF3M |
|
2 |
阀瓣/阀杆 |
35 |
1Cr13 |
1Cr18Ni9 |
1Cr18Ni12Mo2Ti |
00Cr18Ni10 |
00Cr17Ni14Mo2 |
|
3 |
衬里/阀座 |
PTEF(F3)、FEP(F46)、PFA(可溶F4)、PP、PO |
|
4 |
紧固螺栓 |
WCB |
1Cr17Ni2 |
1Cr18Ni9Ti |
|
5 |
螺母 |
WCB |
1Cr17Ni2 |
1Cr18Ni9Ti |
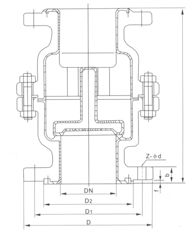
外形结构图
主要外形尺寸0.6MPa
|
公称通径 |
标准值 |
参考值 |
|
DN (mm) |
NPS (inch) |
L |
D |
D1 |
D2 |
f |
b |
Z-Φd |
WT(Kg) |
|
PN0.6MPa |
|
15 |
1/2 |
80 |
80 |
55 |
40 |
2 |
12 |
4-Φ14 |
2.5 |
|
20 |
3/4 |
90 |
90 |
65 |
50 |
2 |
14 |
4-Φ14 |
3.5 |
|
25 |
1 |
100 |
100 |
75 |
60 |
2 |
14 |
4-Φ14 |
4 |
|
32 |
1-1/4 |
110 |
120 |
90 |
70 |
2 |
16 |
4-Φ18 |
5 |
|
40 |
1-1/2 |
125 |
130 |
100 |
80 |
3 |
16 |
4-Φ18 |
6 |
|
50 |
2 |
140 |
140 |
110 |
90 |
3 |
16 |
4-Φ18 |
8 |
|
65 |
2-1/2 |
160 |
160 |
130 |
110 |
3 |
16 |
4-Φ18 |
10 |
|
80 |
3 |
185 |
185 |
150 |
125 |
3 |
18 |
8-Φ18 |
13 |
|
100 |
4 |
210 |
205 |
170 |
145 |
3 |
18 |
8-Φ18 |
25 |
|
150 |
6 |
300 |
260 |
225 |
200 |
3 |
20 |
8-Φ23 |
46 |
|
200 |
8 |
380 |
315 |
280 |
255 |
3 |
22 |
12-Φ23 |
100 |
|
250 |
10 |
356 |
370 |
335 |
310 |
3 |
24 |
12-Φ23 |
155 |
|
300 |
12 |
457 |
435 |
395 |
362 |
4 |
24 |
12-Φ23 |
180 |
|
350 |
14 |
533 |
485 |
445 |
412 |
4 |
26 |
16-Φ23 |
220 |
|
400 |
16 |
572 |
535 |
495 |
462 |
4 |
28 |
16-Φ23 |
275 |
|
450 |
18 |
610 |
590 |
550 |
518 |
4 |
28 |
16-Φ23 |
300 |
|
500 |
20 |
610 |
640 |
600 |
568 |
4 |
30 |
16-Φ23 |
392 |
主要外形尺寸1.0MPa
|
公称通径 |
标准值 |
参考值 |
|
DN (mm) |
NPS (inch) |
L |
D |
D1 |
D2 |
f |
b |
Z-Φd |
WT(Kg) |
|
PN1.0MPa |
|
15 |
1/2 |
80 |
95 |
65 |
45 |
2 |
14 |
4-Ф14 |
2.5 |
|
20 |
3/4 |
90 |
105 |
75 |
55 |
2 |
16 |
4-Ф14 |
3.5 |
|
25 |
1 |
100 |
115 |
85 |
65 |
2 |
16 |
4-Ф14 |
4 |
|
32 |
1-1/4 |
110 |
135 |
100 |
78 |
2 |
18 |
4-Ф18 |
5 |
|
40 |
1-1/2 |
125 |
145 |
110 |
85 |
3 |
18 |
4-Ф18 |
6 |
|
50 |
2 |
140 |
160 |
125 |
100 |
3 |
20 |
4-Ф18 |
8 |
|
65 |
2-1/2 |
160 |
180 |
145 |
120 |
3 |
20 |
4-Ф18 |
10 |
|
80 |
3 |
185 |
195 |
160 |
135 |
3 |
22 |
4-Ф18 |
13 |
|
100 |
4 |
210 |
215 |
180 |
155 |
3 |
22 |
8-Ф18 |
25 |
|
150 |
6 |
300 |
280 |
240 |
210 |
3 |
24 |
8-Ф23 |
46 |
|
200 |
8 |
380 |
335 |
295 |
265 |
3 |
26 |
8-Ф23 |
100 |
|
250 |
10 |
356 |
390 |
350 |
320 |
3 |
28 |
12-Ф23 |
155 |
|
300 |
12 |
457 |
440 |
400 |
368 |
4 |
28 |
12-Ф23 |
180 |
|
350 |
14 |
533 |
500 |
460 |
428 |
4 |
30 |
16-Ф23 |
220 |
|
400 |
16 |
572 |
565 |
515 |
482 |
4 |
32 |
16-Ф25 |
275 |
|
450 |
18 |
610 |
615 |
565 |
532 |
4 |
32 |
20-Ф25 |
300 |
|
500 |
20 |
610 |
670 |
620 |
585 |
4 |
34 |
20-Ф25 |
392 |
主要外形尺寸1.6MPa
|
公称通径 |
标准值 |
参考值 |
|
DN (mm) |
NPS (inch) |
L |
D |
D1 |
D2 |
f |
b |
Z-Φd |
WT(Kg) |
|
PN1.6MPa |
|
15 |
1/2 |
80 |
95 |
65 |
45 |
2 |
14 |
4-Ф14 |
2.5 |
|
20 |
3/4 |
90 |
105 |
75 |
55 |
2 |
16 |
4-Ф14 |
3.5 |
|
25 |
1 |
100 |
115 |
85 |
65 |
2 |
16 |
4-Ф14 |
4 |
|
32 |
1-1/4 |
110 |
135 |
100 |
78 |
2 |
18 |
4-Ф18 |
5 |
|
40 |
1-1/2 |
125 |
145 |
110 |
85 |
3 |
18 |
4-Ф18 |
6 |
|
50 |
2 |
140 |
160 |
125 |
100 |
3 |
20 |
4-Ф18 |
8 |
|
65 |
2-1/2 |
160 |
180 |
145 |
120 |
3 |
20 |
4-Ф18 |
10 |
|
80 |
3 |
185 |
195 |
160 |
135 |
3 |
22 |
8-Ф18 |
13.5 |
|
100 |
4 |
210 |
215 |
180 |
155 |
3 |
24 |
8-Ф18 |
28.5 |
|
150 |
6 |
300 |
280 |
240 |
210 |
3 |
28 |
8-Ф23 |
48 |
|
200 |
8 |
380 |
335 |
295 |
265 |
3 |
30 |
12-Ф23 |
105 |
|
250 |
10 |
356 |
405 |
355 |
320 |
3 |
32 |
12-Ф25 |
165 |
|
300 |
12 |
457 |
460 |
410 |
375 |
4 |
34 |
12-Ф25 |
195 |
|
350 |
14 |
533 |
520 |
470 |
435 |
4 |
38 |
16-Ф25 |
238 |
|
400 |
16 |
572 |
580 |
525 |
485 |
4 |
40 |
16-Ф30 |
295 |
声明:【H42F46衬氟立式止回阀】规格型号、结构尺寸由上海凯利科阀门有限公司提供,如何选择适用的H42F46衬氟立式止回阀产品,使之在工艺控制中安全可靠、经济适用,可致电我司销售部门及技术部门,我们将在最短的时间内为您解答! |