H44H,H44W美标不锈钢止回阀
H44H、H44W美标不锈钢止回阀广泛适用于公称压力150LB-2500LB,工作温度-29~550℃的石油、化工、火力电站等各种工况的管路上,适用介质为:水、油品、蒸汽等。其主要作用是防止介质倒流、防止泵及其驱动电机机反转,以及容器内介质的泄放。
|
产品名称: |
美标不锈钢止回阀 |
产品型号: |
H44H、H44W |
|
公称通径: |
DN50~DN600 |
结构形式: |
旋启式 |
|
公称压力: |
150LB~2500LB |
连接方式: |
焊接、法兰 |
|
适用温度: |
-29ºC~+550ºC |
驱动方式: |
介质推动 |
|
阀体材质: |
铸钢、不锈钢 |
标准: |
国标GB、德国DIN、美国API、ANSI |
|
适用介质: |
水、油、蒸汽 |
生产厂家: |
上海凯利科阀门有限公司 |
产品说明
H44H、H44W美标不锈钢止回阀广泛适用于公称压力150LB-2500LB,工作温度-29~550℃的石油、化工、火力电站等各种工况的管路上,适用介质为:水、油品、蒸汽等。其主要作用是防止介质倒流、防止泵及其驱动电机机反转,以及容器内介质的泄放。
结构特点
1、产品结构紧凑合理、密封可靠、性能优良。
2、体积小、重量轻。
3、适用范围广。
4、阀瓣关闭快速、动作灵敏。
5、关闭冲击力小、不易产生水锤现象。
6、流道通畅、流体阻力小。
引用标准
设计与制造:API 6D
结构长度:ANSI B 16.10
法兰标准:ANSI B 16.5a
对焊端尺寸:ANSI B 16.25
压力检验:API 6D或API 598
压力试验
公称压力
PN(lb) |
强度试验 |
水密封试验 |
气密封试验 |
|
MPa |
Lbf/in2 |
MPa |
Lbf/in2 |
MPa |
Lbf/in2 |
|
150 |
3.1 |
450 |
2.2 |
315 |
0.5-0.7 |
60-100 |
|
300 |
7.8 |
1125 |
5.6 |
815 |
|
600 |
15.3 |
2225 |
11.2 |
1630 |
|
900 |
23.1 |
3350 |
16.8 |
2440 |
|
1500 |
38.4 |
5575 |
28.1 |
4080 |
|
2500 |
64.6 |
9367 |
47.4 |
6873 |
主要零件材料
|
壳体 |
ASTM A216 WCB 304 316 316L |
ASTM A351 CF8 |
|
阀瓣及支架 |
WCB |
CF8 |
CF8M |
Monel |
|
销轴 |
F6a |
F304 |
F316 |
Monel |
F304 |
|
阀瓣表面 |
13Cr 13Cr STL |
304 STL |
316 STL |
Monel |
304 304 STL |
|
阀座表面 |
13Cr STL STL |
304 STL |
316 STL |
Monel |
304 304 STL |
|
壳体 |
ASTM A351 CF3 ASTM A351 CF8M ASTM A351 CF3M |
|
阀瓣及支架 |
|
销轴 |
F304L F316L F316L |
|
阀瓣表面 |
304L 304L STL |
316 316 STL |
316L 316L STL |
|
阀座表面 |
304L STL STL |
316 STL STL |
316L STL STL |
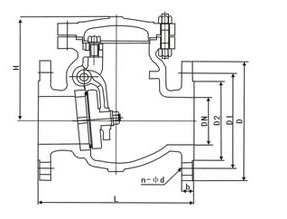
外形结构图
主要外形尺寸
|
磅级 |
公称通径(DN) |
主要连接尺寸 (mm) |
外形尺寸 |
重量
(kg) |
|
in |
mm |
L |
D |
D1 |
D2 |
b |
f |
z-φd |
H |
150Lb
(2.0Mpa)
(10K) |
2 |
50 |
203 |
152 |
120.5 |
92 |
16 |
1.6 |
4-19 |
165 |
17 |
|
21/2 |
65 |
216 |
178 |
139.5 |
105 |
17.5 |
1.6 |
4-19 |
175 |
25 |
|
3 |
80 |
241 |
190 |
152.5 |
127 |
19.5 |
1.6 |
4-19 |
190 |
29 |
|
4 |
100 |
292 |
229 |
190.5 |
157 |
24 |
1.6 |
8-19 |
215 |
50 |
|
5 |
125 |
330 |
254 |
216 |
186 |
24 |
1.6 |
8-22 |
245 |
75 |
|
6 |
150 |
356 |
279 |
241.5 |
216 |
25.5 |
1.6 |
8-22 |
265 |
85 |
|
8 |
200 |
495 |
343 |
298.5 |
270 |
29 |
1.6 |
8-22 |
320 |
150 |
|
10 |
250 |
622 |
406 |
362 |
324 |
30.5 |
1.6 |
12-25 |
365 |
240 |
|
12 |
300 |
698 |
483 |
432 |
381 |
32 |
1.6 |
12-25 |
415 |
350 |
|
14 |
350 |
787 |
533 |
476 |
413 |
35 |
1.6 |
12-29 |
460 |
460 |
|
16 |
400 |
864 |
597 |
540 |
470 |
37 |
1.6 |
16-29 |
495 |
580 |
|
20 |
500 |
978 |
698 |
635 |
584 |
43 |
1.6 |
20-32 |
590 |
840 |
|
24 |
600 |
1295 |
813 |
749.5 |
692 |
48 |
1.6 |
20-35 |
650 |
1140 |
|
28 |
700 |
1448 |
927 |
863.5 |
800 |
71.5 |
1.6 |
28-35 |
870 |
1320 |
300Lb
(5.0MPa)
(20K) |
2 |
50 |
267 |
165 |
127 |
92 |
22.5 |
1.6 |
8-19 |
190 |
28 |
|
21/2 |
65 |
292 |
190 |
149 |
105 |
25.5 |
1.6 |
8-22 |
205 |
33 |
|
3 |
80 |
318 |
210 |
168 |
127 |
28 5 |
1.6 |
8-22 |
220 |
45 |
|
4 |
100 |
356 |
254 |
200 |
157 |
32 |
1.6 |
8-22 |
245 |
70 |
|
5 |
125 |
400 |
279 |
235 |
186 |
35 |
1.6 |
8-22 |
275 |
110 |
|
6 |
150 |
444 |
318 |
270 |
216 |
36.5 |
1.6 |
12-22 |
295 |
150 |
|
8 |
200 |
533 |
381 |
330 |
270 |
41.5 |
1.6 |
12.25 |
330 |
230 |
|
10 |
250 |
622 |
444 |
387.5 |
324 |
48 |
1.6 |
16-29 |
420 |
390 |
|
12 |
300 |
711 |
521 |
451 |
381 |
51 |
1.6 |
16-32 |
480 |
520 |
|
14 |
350 |
838 |
584 |
514.5 |
413 |
54 |
1.6 |
20-32 |
535 |
710 |
|
16 |
400 |
864 |
648 |
571.5 |
470 |
57.5 |
1.6 |
20-35 |
585 |
890 |
|
20 |
500 |
1016 |
775 |
686 |
584.5 |
63.5 |
1.6 |
24-35 |
685 |
1360 |
|
24 |
600 |
1364 |
914.5 |
813 |
692.5 |
70 |
1.6 |
24-41 |
785 |
2040 |
600Lb
(10.0MPa) |
2 |
50 |
292 |
165 |
127 |
92 |
26 |
6.4 |
8-19 |
210 |
32 |
|
21/2 |
65 |
330 |
190 |
149 |
100 |
29 |
6.4 |
8-22 |
230 |
42 |
|
3 |
80 |
356 |
210 |
168 |
127 |
32 |
6.4 |
8-22 |
255 |
60 |
|
4 |
100 |
432 |
273 |
216 |
157 |
38 |
6.4 |
8-25 |
295 |
95 |
|
5 |
125 |
508 |
330 |
266.5 |
186 |
45 |
6.4 |
8-29 |
310 |
120 |
|
6 |
150 |
559 |
355.5 |
292 |
216 |
47.5 |
6.4 |
12-29 |
365 |
220 |
|
8 |
200 |
660 |
419.5 |
349 |
270 |
56 |
6.4 |
12-32 |
420 |
390 |
|
10 |
250 |
787 |
508 |
432 |
324 |
63.5 |
6.4 |
16-35 |
505 |
630 |
|
12 |
300 |
838 |
559 |
489 |
381 |
66.5 |
6.4 |
20-35 |
545 |
870 |
|
14 |
350 |
889 |
603.5 |
527 |
413 |
710 |
6.4 |
20-38 |
600 |
940 |
|
16 |
400 |
991 |
686 |
603 |
470 |
76.5 |
6.4 |
20-41 |
650 |
1100 |
注:①如法兰密封面采用凸面以外的形式,请在订货时注明。
主要外形尺寸150LB
|
口径 |
Class150(PN20) |
|
DN |
NPS |
L |
d |
H |
|
RF |
RTJ |
BW |
|
50 |
2 |
203 |
216 |
203 |
51 |
132 |
|
65 |
21/2 |
216 |
229 |
216 |
64 |
147 |
|
80 |
3 |
241 |
254 |
241 |
76 |
176 |
|
100 |
4 |
292 |
305 |
292 |
102 |
198 |
|
125 |
5 |
330 |
343 |
330 |
127 |
255 |
|
150 |
6 |
356 |
368 |
356 |
152 |
320 |
|
200 |
8 |
495 |
508 |
495 |
203 |
380 |
|
250 |
10 |
622 |
635 |
622 |
254 |
440 |
|
300 |
12 |
699 |
711 |
699 |
305 |
480 |
|
350 |
14 |
787 |
800 |
787 |
337 |
530 |
|
400 |
16 |
864 |
876 |
864 |
387 |
580 |
|
450 |
18 |
978 |
991 |
978 |
438 |
618 |
|
500 |
20 |
978 |
991 |
978 |
489 |
657 |
主要外形尺寸300LB
|
口径 |
Class300(PN50) |
|
DN |
NPS |
L |
d |
H |
|
RF |
RTJ |
BW |
|
50 |
2 |
267 |
283 |
267 |
51 |
144 |
|
65 |
21/2 |
292 |
308 |
292 |
64 |
169 |
|
80 |
3 |
318 |
333 |
318 |
76 |
210 |
|
100 |
4 |
356 |
371 |
356 |
102 |
260 |
|
125 |
5 |
400 |
416 |
400 |
127 |
295 |
|
150 |
6 |
445 |
460 |
445 |
152 |
326 |
|
200 |
8 |
533 |
549 |
533 |
203 |
380 |
|
250 |
10 |
622 |
638 |
622 |
254 |
440 |
|
300 |
12 |
711 |
727 |
711 |
305 |
520 |
|
350 |
14 |
838 |
854 |
838 |
337 |
540 |
|
400 |
16 |
864 |
879 |
864 |
387 |
588 |
|
450 |
18 |
978 |
994 |
978 |
438 |
670 |
|
500 |
20 |
1016 |
1035 |
1016 |
489 |
720 |
主要外形尺寸600LB
|
口径 |
Class600(PN110) |
|
DN |
NPS |
L |
d |
H |
|
RF |
RTJ |
BW |
|
50 |
2 |
292 |
295 |
292 |
51 |
170 |
|
65 |
21/2 |
330 |
333 |
330 |
64 |
178 |
|
80 |
3 |
356 |
359 |
356 |
76 |
246 |
|
100 |
4 |
432 |
435 |
432 |
102 |
290 |
|
125 |
5 |
508 |
511 |
508 |
127 |
320 |
|
150 |
6 |
559 |
562 |
559 |
152 |
360 |
|
200 |
8 |
660 |
664 |
660 |
203 |
430 |
|
250 |
10 |
787 |
791 |
787 |
254 |
502 |
|
300 |
12 |
838 |
841 |
838 |
305 |
554 |
主要外形尺寸900LB
|
口径 |
Class900(PN150) |
|
DN |
NPS |
L |
d |
H |
|
RF |
RTJ |
BW |
|
50 |
2 |
368 |
371 |
368 |
51 |
200 |
|
65 |
21/2 |
419 |
422 |
419 |
64 |
220 |
|
80 |
3 |
381 |
384 |
381 |
76 |
280 |
|
100 |
4 |
457 |
460 |
457 |
102 |
320 |
|
125 |
5 |
559 |
562 |
559 |
127 |
360 |
|
150 |
6 |
610 |
613 |
610 |
152 |
400 |
|
200 |
8 |
737 |
740 |
737 |
203 |
480 |
|
250 |
10 |
838 |
841 |
838 |
254 |
560 |
|
300 |
12 |
965 |
968 |
965 |
305 |
632 |
主要外形尺寸1500LB
|
口径 |
Class1500(PN260) |
|
DN |
NPS |
L |
d |
H |
|
RF |
RTJ |
BW |
|
50 |
2 |
368 |
371 |
368 |
51 |
210 |
|
65 |
21/2 |
419 |
422 |
419 |
64 |
240 |
|
80 |
3 |
470 |
473 |
470 |
76 |
303 |
|
100 |
4 |
546 |
549 |
546 |
102 |
340 |
|
125 |
5 |
673 |
676 |
673 |
127 |
380 |
|
150 |
6 |
705 |
711 |
705 |
144 |
430 |
|
200 |
8 |
832 |
841 |
832 |
192 |
500 |
|
250 |
10 |
991 |
1000 |
991 |
239 |
590 |
主要外形尺寸2500LB
|
口径 |
Class2500(PN420) |
|
DN |
NPS |
L |
d |
H |
|
RF |
RTJ |
BW |
|
50 |
2 |
451 |
454 |
451 |
42 |
230 |
|
65 |
21/2 |
508 |
514 |
508 |
52 |
260 |
|
80 |
3 |
578 |
584 |
578 |
62 |
330 |
|
100 |
4 |
673 |
683 |
673 |
87 |
370 |
|
125 |
5 |
794 |
807 |
794 |
96 |
410 |
|
150 |
6 |
914 |
927 |
914 |
131 |
460 |
|
200 |
8 |
1022 |
1038 |
1022 |
179 |
530 |
|
250 |
10 |
1270 |
1292 |
1270 |
223 |
620 |
声明:【H44H,H44W美标不锈钢止回阀】规格型号、结构尺寸由上海凯利科阀门有限公司提供,如何选择适用的H44H,H44W美标不锈钢止回阀产品,使之在工艺控制中安全可靠、经济适用,可致电我司销售部门及技术部门,我们将在最短的时间内为您解答! |