SD41X,SD43H手动伸缩蝶阀
SD41X/SD43H手动伸缩蝶阀具有自动补偿管道热胀冷缩方便装卸的功能,使用于温度在425℃以下,公称压力在1.6MPa以下的石油、化工、电力、造纸、给排水和市政建设等工业管道上作调节流量和载断流体的最佳装置。
|
产品名称: |
手动伸缩蝶阀 |
产品型号: |
SD41X/SD43H |
|
公称通径: |
DN40~DN1200 |
阀座密封: |
橡胶密封或金属硬密封 |
|
公称压力: |
0.6MPa~1.0MPa~1.6MPa |
连接方式: |
法兰式 |
|
适用温度: |
-30ºC~+425ºC |
驱动方式: |
手动、蜗轮、电动、气动、液动 |
|
阀体材质: |
铸铁、球墨铸铁、铸钢、不锈钢 |
制造标准: |
国标GB、德国DIN、美国API、ANSI |
|
适用介质: |
空气、水、蒸气、煤气、油品等 |
生产厂家: |
上海凯利科阀门有限公司 |
产品说明
SD41X/SD43H手动伸缩蝶阀具有自动补偿管道热胀冷缩方便装卸的功能,使用于温度在425℃以下,公称压力在1.6MPa以下的石油、化工、电力、造纸、给排水和市政建设等工业管道上作调节流量和载断流体的最佳装置。
产品特点
1、结构独特,设计灵活,重量轻,省力,启闭迅速。
2、手动伸缩蝶阀不仅能补偿管道温差缩产生的热胀冷缩的功能,还能为维修阀门安装更换提供方便。
3、密封部位可调节更换,密封性能可靠。
性能参数
|
工作压力(MPa) |
0.6 |
1.0、1.6、2.5 |
|
适用温度(℃) |
橡胶密封≤80℃ |
适用温度(℃) |
金属硬密封≤425℃ |
|
适用介质 |
水、污水、油品、空气等 |
适用介质 |
水、蒸汽、污水、油品、空气等 |
|
材料 |
阀体 |
灰铸铁 |
铸钢、不锈钢 |
球墨铸铁 |
|
蝶板 |
球墨铸铁(表面处理) |
球墨铸铁、不锈钢 |
球墨铸铁 |
|
阀杆 |
2Cr13 |
不锈钢、碳素钢 |
铬不锈钢 |
技术参数
|
公称通径 |
DN(mm) |
50~2200 |
|
公称压力 |
PN(MPa) |
0.6 |
1.0 |
1.6 |
|
试验压力 |
强度试验 |
0.9 |
1.5 |
2.4 |
|
密封试验 |
0.66 |
1.1 |
1.76 |
|
气密封试验 |
0.6 |
0.6 |
0.6 |
|
适用温度 |
≤80℃~425℃ |
|
适用介质 |
空气、水、蒸气、煤气、油品等。 |
|
驱动形式 |
手动、蜗杆蜗轮传动、气传动、电传动。 |
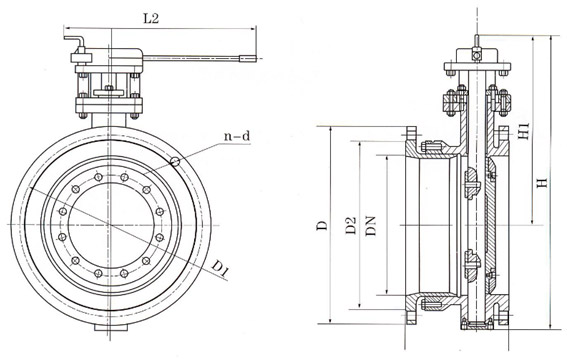
外形结构图
主要外形尺寸
|
公称通径 |
外形尺寸(参考值) |
法兰尺寸和螺栓尺寸(标准值) |
|
H |
H1 |
设计最大长度L |
设计最小长度L |
设计藏毒L |
L2 |
0.6MPa |
1.0MPa |
1.6MPa |
|
毫米 |
英寸 |
D |
D1 |
D2 |
n-d |
D |
D1 |
D2 |
n-d |
D |
D1 |
D2 |
n-d |
|
50 |
2 |
325 |
240 |
163 |
138 |
151 |
265 |
140 |
110 |
88 |
4-14 |
165 |
125 |
99 |
4-18 |
165 |
125 |
99 |
4-18 |
|
65 |
21/2 |
340 |
250 |
188 |
152 |
170 |
265 |
160 |
130 |
108 |
4-14 |
185 |
145 |
118 |
4-18 |
185 |
145 |
118 |
4-18 |
|
80 |
3 |
355 |
255 |
192 |
162 |
177 |
320 |
190 |
150 |
124 |
4-18 |
200 |
160 |
132 |
8-18 |
200 |
160 |
132 |
8-18 |
|
100 |
4 |
400 |
275 |
215 |
175 |
205 |
320 |
210 |
170 |
144 |
4-18 |
220 |
180 |
156 |
8-18 |
220 |
180 |
156 |
8-18 |
|
125 |
5 |
435 |
300 |
230 |
185 |
215 |
340 |
240 |
200 |
176 |
8-18 |
250 |
210 |
184 |
8-18 |
250 |
210 |
184 |
8-18 |
|
150 |
6 |
455 |
310 |
240 |
196 |
225 |
390 |
265 |
225 |
199 |
8-18 |
285 |
240 |
211 |
8-22 |
285 |
240 |
211 |
8-22 |
外形结构图
主要外形尺寸
|
DN |
L |
L1 max |
A |
B |
E |
F |
J |
M |
Do |
|
50 |
160 |
172 |
83 |
120 |
90 |
205 |
83 |
115 |
200 |
|
65 |
160 |
172 |
89 |
145 |
90 |
205 |
83 |
115 |
200 |
|
80 |
180 |
195 |
98 |
158 |
90 |
205 |
83 |
115 |
200 |
|
100 |
195 |
215 |
110 |
170 |
90 |
205 |
83 |
115 |
200 |
|
125 |
205 |
225 |
123 |
182 |
90 |
205 |
83 |
115 |
200 |
|
150 |
205 |
225 |
140 |
210 |
90 |
205 |
83 |
115 |
200 |
|
200 |
218 |
238 |
170 |
238 |
90 |
205 |
83 |
115 |
200 |
|
250 |
233 |
258 |
195 |
270 |
90 |
205 |
83 |
134 |
250 |
|
300 |
248 |
268 |
222 |
300 |
90 |
205 |
83 |
134 |
250 |
|
350 |
278 |
303 |
252 |
330 |
120 |
265 |
141 |
159 |
250 |
|
400 |
298 |
323 |
285 |
368 |
120 |
265 |
141 |
159 |
250 |
|
450 |
311 |
336 |
310 |
402 |
185 |
250 |
115 |
163 |
250 |
|
500 |
330 |
355 |
337 |
438 |
185 |
250 |
115 |
163 |
315 |
|
600 |
350 |
375 |
393 |
490 |
245 |
400 |
145 |
185 |
315 |
|
700 |
364 |
395 |
450 |
558 |
245 |
400 |
145 |
185 |
315 |
|
800 |
415 |
445 |
515 |
625 |
310 |
460 |
191 |
220 |
315 |
|
900 |
435 |
475 |
560 |
685 |
310 |
460 |
191 |
220 |
400 |
|
1000 |
510 |
550 |
610 |
750 |
410 |
55 |
270 |
255 |
400 |
|
1200 |
590 |
630 |
825 |
880 |
410 |
55 |
270 |
255 |
400 |
|
1400 |
590 |
630 |
840 |
987 |
520 |
640 |
351 |
320 |
400 |
|
1600 |
626 |
660 |
960 |
1158 |
520 |
785 |
440 |
335 |
630 |
|
1800 |
670 |
710 |
1060 |
1258 |
520 |
640 |
351 |
320 |
400 |
|
2000 |
680 |
720 |
1165 |
1365 |
520 |
640 |
351 |
320 |
400 |
|
2200 |
700 |
740 |
1325 |
1470 |
520 |
640 |
351 |
320 |
400 |
安装注意事项
1、安装前必须平放,切勿随意磕碰,运行时严禁将支架卸掉。
2、出厂时结构长度为最小长度,安装时,拉至安装长度(即设计长度)。
3、当管道间长度超过伸缩阀安装长度时,请调整管道间隔,切勿强行拉伸缩蝶阀,以免损坏蝶阀。
4、可在任意安装,做温度补偿用时,在管道安装完成后,需沿管道轴线方向两端加支架,防止伸缩阀伸缩管拉出。
声明:【SD41X,SD43H手动伸缩蝶阀】规格型号、结构尺寸由上海凯利科阀门有限公司提供,如何选择适用的SD41X,SD43H手动伸缩蝶阀产品,使之在工艺控制中安全可靠、经济适用,可致电我司销售部门及技术部门,我们将在最短的时间内为您解答! |