ZMAS气动高压角型调节阀
ZMAS气动高压角型调节阀是采用顶部导向结构,由多弹簧气动薄膜执行机构和角式调节阀阀体组成。气动高压角型调节阀具有结构紧凑、重量轻、动作灵敏、流体通道呈流线型、压降损失小、阀容量大、流量特性精确、拆装方便等优点。气动高压角型调节阀配用电-气阀门定位或气动阀门定位器,可实现对工艺管路流体介质的自动调节控制。气动角式高压调节阀具有体积小、重量轻、阀芯采用顶导向结构,流路简单、阻力小、易于冲洗的特点。
|
产品名称: |
气动高压角型调节阀 |
产品型号: |
ZMAS |
|
公称通径: |
DN20~DN200 |
结构形式: |
角式 |
|
公称压力: |
1.6MPa~32.0MPa |
连接方式: |
法兰 |
|
适用温度: |
-29ºC~+550ºC |
驱动方式: |
气动 |
|
阀体材质: |
铸钢、不锈钢 |
标准: |
国标GB、德国DIN、美国API、ANSI |
|
适用介质: |
水、油品、蒸汽、液体 |
生产厂家: |
上海凯利科阀门有限公司 |
产品说明
ZMAS气动高压角型调节阀是采用顶部导向结构,由多弹簧气动薄膜执行机构和角式调节阀阀体组成。气动高压角型调节阀具有结构紧凑、重量轻、动作灵敏、流体通道呈流线型、压降损失小、阀容量大、流量特性精确、拆装方便等优点。气动高压角型调节阀配用电-气阀门定位或气动阀门定位器,可实现对工艺管路流体介质的自动调节控制。气动角式高压调节阀具有体积小、重量轻、阀芯采用顶导向结构,流路简单、阻力小、易于冲洗的特点。气动高压角型调节阀广泛应用于精确控制气体、液体等介质,工艺参数如压力、流量、温度、液位保持在给定值。气动角式高压调节阀特别适用于允许泄露量小阀前阀后压差不大的高粘度、含有悬浮物和颗粒状物质的的调节,可避免结焦、堵塞,便于自净与清洗的场合 。
阀体
|
形 式 |
角式单座铸造球型阀 |
|
公称通径 |
20、32、40、50、65、80、100、1 25、150、200mm |
|
公称压力 |
16、40、64、100、160、320 |
|
法兰标准 |
JB/T79.1-94、79.2-94等 |
|
材 料 |
铸钢( ZG230450)、不锈钢(ZGICr18Ni9Ti、ZGICr18Ni12M02Ti)等 |
|
上 阀 盖 |
标准型:-17-230℃ 散热型:230-450℃ 低温型:-60--196℃ 波纹管密封型:-40-350℃ |
|
阀盖形式 |
螺栓压紧式 |
|
填 料 |
V型聚四氟乙烯填料、含浸聚四氰乙烯石棉填料、石棉纺织填料、石墨填料 |
|
结构形式 |
(详见图1-图4) |
阀内组件
|
阀芯型式 |
单座柱塞型阀芯 |
|
|
|
流量特性 |
等百分比特性和线性特性 |
|
|
|
材 料 |
不锈钢(1Cr18Ni9Ti、1Cr18Ni12M02Ti、17-4PH、9Cr18、316L)、不锈钢堆司太莱合金、钛和耐腐蚀台金等。 |
|
|
执行机构
|
型 式 |
ZHA/B多弹簧薄膜执行机构 |
|
型 号 |
ZHA/B-22 |
ZHA/B-23 |
ZHA/B-34 |
ZHA/B-45 |
ZHA/B-56 |
|
有效面积cm2 |
350 |
350 |
560 |
900 |
1400 |
|
行程mm |
10、16 |
25 |
40 |
40、60 |
100 |
|
弹簧范围KPa |
20-100(标准)、20-60、60-100、40-200、80-240 |
|
膜片材料 |
丁晴橡胶夹尼龙布、乙丙橡胶夹尼龙布 |
|
供气压力 |
140-400KPa |
|
气源接口 |
RC1/4" |
|
环境温度 |
-30-70℃ |
阀作用形式
气关式(B)- 失气时阀位开(FO);气开式(K)一失气时阀位关(FC)
附件
定位器、空气过滤减压器、保位阀、行程开关、阀位传送器、手轮机构等
性能
|
项 目 |
不带定位器 |
带定位器 |
|
基本误差% |
±5.0 |
±1.0 |
|
回 差% |
≤3.0 |
≤1.0 |
|
死 区% |
≤3.0 |
≤0.4 |
|
始终点偏差% |
气开 |
始点 |
土2.5 |
±1.0 |
|
终点 |
±5.0 |
±1.0 |
|
气关 |
始点 |
±5.0 |
±1.0 |
|
终点 |
土2.5 |
±1.0 |
|
额定行程偏差% |
≤2.5 |
|
泄漏量1/h |
0.01%X阀额定容量 |
|
可调范围R |
30:1 |
额定流量系数Kv、额定行程
|
公称通径DN(mm) |
20 |
25 |
32 |
40 |
50 |
65 |
80 |
100 |
125 |
150 |
200 |
|
阀座直径DN(mm) |
10 |
12 |
15 |
20 |
25 |
32 |
40 |
50 |
65 |
80 |
100 |
125 |
150 |
200 |
|
额定流量系数Kv |
1.6 |
2.5 |
4 |
6.3 |
10 |
16 |
25 |
40 |
63 |
100 |
160 |
250 |
400 |
630 |
|
额定行程L(mm) |
10 |
16 |
25 |
40 |
60 |
|
配用执行机构型号 |
ZHA/B-22 |
|
ZHA/B-23 |
ZHA/B-34 |
ZHA/B-45 |
允许压差
|
公称通径DN (mm) |
20 |
25 |
32 |
40 |
50 |
65 |
80 |
100 |
125 |
150 |
200 |
|
阀座直径DN (mm) |
10 |
12 |
15 |
20 |
25 |
32 |
40 |
50 |
65 |
80 |
100 |
125 |
150 |
200 |
|
执行机构 |
ZHA/B-22 |
ZHA/B-23 |
ZHA/B-34 |
ZHA/B-45 |
作用
方式 |
气源压力
(Kpa) |
弹簧范围
(Kpa) |
允许压差△(bar) |
|
气关 |
140 |
20~100 |
46.4 |
30.9 |
19.8 |
11.1 |
7.1 |
4.4 |
2.8 |
1.8 |
1.7 |
1.1 |
0.7 |
0.7 |
0.5 |
0.3 |
|
250 |
20~100 |
64 |
64 |
59.4 |
33.4 |
21.4 |
13.1 |
8.4 |
5.3 |
5.1 |
3.3 |
2.1 |
2.2 |
1.5 |
0.9 |
|
400 |
40-200 |
64 |
64 |
64 |
6.4 |
49.9 |
30.5 |
19.5 |
12.5 |
11.8 |
7.8 |
5 |
5.1 |
3.6 |
2.1 |
|
气开 |
140 |
20~100 |
64 |
61.9 |
39.6 |
32.3 |
14.3 |
8.7 |
5.6 |
3.5 |
3.4 |
2.2 |
1.7 |
1.5 |
1.1 |
0.6 |
|
250 |
40-200 |
64 |
64 |
64 |
64 |
64 |
56.8 |
36.4 |
23 |
22.1 |
14.3 |
9.1 |
9.5 |
6.6 |
3.7 |
|
400 |
80-240 |
64 |
64 |
64 |
6.4 |
64 |
64 |
50.4 |
31.8 |
30.6 |
19.8 |
12.6 |
13.2 |
9.2 |
5.2 |
备注:对于波纹管密封调节阀,最大允许压差为10bar,表中数值若小于10bar则不变,若大于10bar则取l0bar。
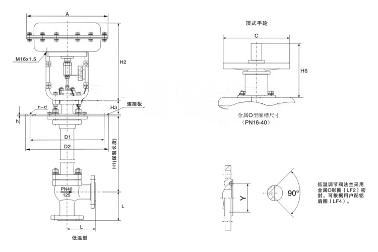
外形结构图
主要外形尺寸
|
公祢通径 |
20 |
25 |
32 |
40 |
50 |
65 |
80 |
100 |
125 |
150 |
200 |
|
L |
PN16/40 |
85 |
95 |
115 |
115 |
130 |
145 |
155 |
175 |
200 |
240 |
300 |
|
PN64 |
100 |
115 |
130 |
130 |
150 |
170 |
190 |
215 |
250 |
275 |
325 |
|
A |
|
285 |
285 |
285 |
285 |
285 |
360 |
360 |
360 |
470 |
470 |
470 |
|
H1 |
PN16/40 |
107 |
107 |
114 |
132 |
137 |
164 |
174 |
189 |
213 |
243 |
298 |
|
PN64 |
119 |
119 |
122 |
140 |
157 |
169 |
179 |
200 |
230 |
250 |
304 |
|
H2 |
|
298 |
298 |
298 |
298 |
298 |
380 |
380 |
380 |
510 |
510 |
510 |
|
H3 |
PN16/40 |
267 |
267 |
282 |
300 |
305 |
402 |
412 |
427 |
474 |
504 |
559 |
|
PN64 |
279 |
279 |
290 |
308 |
315 |
407 |
417 |
438 |
621 |
641 |
695 |
|
H4 |
PN16/40 |
267 |
267 |
282 |
300 |
305 |
402 |
412 |
427 |
604 |
634 |
689 |
|
PN64 |
279 |
279 |
290 |
308 |
315 |
407 |
417 |
438 |
621 |
641 |
695 |
|
C |
|
220 |
220 |
220 |
220 |
220 |
270 |
270 |
270 |
320 |
320 |
320 |
|
H6 |
|
180 |
180 |
180 |
180 |
180 |
236 |
236 |
236 |
310 |
310 |
310 |
重量
(kg) |
PN16/40 |
16 |
17 |
19 |
24 |
30 |
48 |
57 |
64 |
100 |
120 |
185 |
|
PN64 |
20 |
21 |
25 |
34 |
42 |
64 |
72 |
83 |
138 |
150 |
225 |
备注:
1、 表中重量为不带附件标准数据,也可安装侧装式手轮。
2、阀门法兰及法兰端面距可按用户指定标准制造,如:ANSI,JIS,DIN标准。
外形结构图
主要外形尺寸
|
公祢通径 |
20 |
25 |
32 |
40 |
50 |
65 |
80 |
100 |
125 |
150 |
200 |
|
L |
PN16/40 |
85 |
95 |
115 |
115 |
130 |
145 |
155 |
175 |
200 |
240 |
300 |
|
PN64 |
100 |
115 |
130 |
130 |
150 |
170 |
190 |
215 |
250 |
275 |
325 |
|
A |
|
285 |
285 |
285 |
285 |
285 |
360 |
360 |
360 |
470 |
470 |
470 |
|
H1 |
|
700 |
700 |
700 |
700 |
700 |
700 |
700 |
700 |
700 |
700 |
700 |
|
H2 |
|
298 |
298 |
298 |
298 |
298 |
380 |
380 |
380 |
510 |
510 |
510 |
|
H3 |
|
88 |
88 |
88 |
88 |
88 |
94 |
94 |
94 |
110 |
110 |
110 |
|
D1 |
PN16/40 |
230 |
230 |
250 |
270 |
305 |
342 |
375 |
430 |
490 |
556 |
665 |
|
PN64 |
270 |
270 |
305 |
342 |
375 |
430 |
490 |
556 |
665 |
665 |
765 |
|
D2 |
PN16/40 |
310 |
310 |
335 |
355 |
390 |
430 |
465 |
520 |
585 |
660 |
770 |
|
PN64 |
355 |
355 |
390 |
430 |
465 |
520 |
585 |
600 |
770 |
770 |
890 |
|
D2 |
PN16/40 |
15 |
15 |
15 |
15 |
15 |
18 |
18 |
18 |
20 |
20 |
20 |
|
n-d |
PN16/40 |
8-12 |
8-12 |
8-12 |
8-14 |
8-14 |
10-14 |
10-14 |
12-16 |
14-16 |
16-16 |
18-16 |
|
PN64 |
8-14 |
8-14 |
8-14 |
10-14 |
10-14 |
12-16 |
14-16 |
16-16 |
18-16 |
18-16 |
18-16 |
|
Y |
|
45 |
45 |
60 |
65 |
75 |
90 |
104 |
135 |
165 |
195 |
245 |
|
C |
|
220 |
220 |
220 |
220 |
220 |
265 |
270 |
270 |
320 |
320 |
320 |
|
H6 |
|
180 |
180 |
180 |
180 |
180 |
240 |
236 |
236 |
310 |
310 |
310 |
|
重量 |
(kg) |
36 |
43 |
46 |
54 |
62 |
82 |
95 |
128 |
190 |
252 |
283 |
备注:
1、保温长度以700mm为例,表中重量为PN16数据,也可安装侧装式手轮。
2、阀门法兰及法兰端面距可按用户指定标准制造,如:ANSI,JIS,DIN标准。
声明:【ZMAS气动高压角型调节阀】规格型号、结构尺寸由上海凯利科阀门有限公司提供,如何选择适用的ZMAS气动高压角型调节阀产品,使之在工艺控制中安全可靠、经济适用,可致电我司销售部门及技术部门,我们将在最短的时间内为您解答! |