首页
公司介绍
新闻中心
组织机构
服务理念
售后服务
联系我们
产品中心
jtgk.png

产品中心

D343H美标法兰蝶阀

您的位置:阀门 - 蝶阀 - D343H美标法兰蝶阀 更新时间:2024-07-27 09:07:11
D343H美标法兰蝶阀
    • 质量安全:压力、材质、密封等全方位检测确保质量过关!
    • 价格比较:在相同品质的情况下,厂里直销,更具有优势!
    • 交货快捷:常规产品现货供应,生产加工销售一条龙服务!
      上海凯利科阀门竭诚为您提供安全可靠的D343H美标法兰蝶阀成套技术方案,以及售前选型报价,售后技术指导、安装、调试服务!

    • 产品描述
    • 在线询价
    • 技术咨询
    D343H美标法兰蝶阀D343H美标法兰蝶阀

    D343H美标法兰蝶阀采用三维偏心斜锥形阀座密封,蝶板密封采用新型金属片与弹性材料层叠而成,嵌装在蝶板上与阀座吻合。利用蝶板摆动压紧密封,所以密封面摩擦阻力小,关闭时具有越关越紧功能,这样密封性可靠,开启确保密封面完全脱离接触,保证了密封面不受损伤。

    产品名称: 美标法兰蝶阀 产品型号: D343H
    公称通径: DN50~DN2400 阀座密封: 金属密封
    公称压力: 1.6Mpa~5.0MPa、150LB-300LB 连接方式: 对夹、法兰
    适用温度: -20ºC~+425ºC 驱动方式: 手柄、蜗轮、气动、电动
    阀体材质: WCB、铸钢、碳钢、不锈钢 制造标准: 国标GB、德国DIN、美国API、ANSI
    适用介质: 水、油、蒸汽、海水 生产厂家: 上海凯利科阀门有限公司

    产品说明

    D343H美标法兰蝶阀采用三维偏心斜锥形阀座密封,蝶板密封采用新型金属片与弹性材料层叠而成,嵌装在蝶板上与阀座吻合。利用蝶板摆动压紧密封,所以密封面摩擦阻力小,关闭时具有越关越紧功能,这样密封性可靠,开启确保密封面完全脱离接触,保证了密封面不受损伤。该蝶阀结构特点排除了其他类型蝶阀开过位而不能密封的缺点,且在高曙下能正常使用,克服了其它类型阀门在高温使用时因热膨胀而容易泄漏的缺点。该蝶阀耕具使用介质要求,选用不同密封面材料,以保证密封面耐磨损、耐腐蚀、使用寿命长。

    设计标准

    设计标准 API609-83
    法兰连接尺寸 ANSI B16.5
    结构长度 ANSI B16.10-1992
    压力试验: API598-82

    主要技术参数

    公称通径 DN(mm) 2"~36"
    公称压力 PN(Mpa) 150Lb 300Lb
    试验压力 强度试验 3.0 7.5
    密封试验 2.2 5.5
    适用介质 水、蒸汽、油品、海水等
    适用温度 -29℃~425℃

    主要零件的材质

    零件名称 材料
    阀体 WCB、304、316、316SS、CF8M
    蝶板 WCB、304、316、316SS、CF8M
    阀杆 316、2Cr13、1Cr18Ni9Ti
    密封圈 316、氟塑料
    填料 柔性石墨、氟塑料

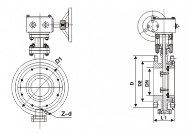
    外形结构图

    主要外形尺寸150LB

    公称通径DN 尺寸
    L D D1 D2 b Z-d
    2" 50 108 152 120.5 92 16 4-19
    2.5" 65 112 178 139.5 105 18 4-19
    3" 80 114 190 152.5 127 19 4-19
    4" 100 127 229 190.5 157 27 8-19
    5" 125 140 254 216 186 27 8-22
    6" 150 140 279 241.5 216 26 8-22
    8" 200 152 343 298.5 270 29 8-22
    10" 250 165 406 362 324 31 12-25
    12" 300 178 483 532 381 32 12-25
    14" 350 190 533 476 413 35 12-29
    16" 400 216 597 540 470 37 16-29
    18" 450 222 635 578 533 40 16-32
    20" 500 229 699 635 584 43 20-32
    24" 600 267 813 750 692 48 20-35
    28" 700 292 927 864 800 71 28-35
    32" 800 318 1060 978 914 81 28-41
    36" 900 330 1168 1086 1022 90 32-41
    40" 1000 410 1289 1200 1124 90 36-41

    主要外形尺寸150LB

    公称通径DN 尺寸
    L D D1 D2 b Z-d
    2" 50 108 165 127 92 23 8-19
    2.5 65 112 190 149 105 26 8-22
    3" 80 114 210 168.5 127 29 8-22
    4" 100 127 241 200 157 32 8-22
    5" 125 140 279 235 186 35 8-22
    6" 150 140 318 270 216 37 12-22
    8" 200 152 381 330 270 42 12-25
    10" 250 165 445 387.5 324 48 16-29
    12" 300 178 521 451 381 51 16-32
    14" 350 190 584 514.5 413 54 20-32
    16" 400 216 648 571.5 470 58 20-35
    18" 450 222 711 628.5 533 61 24-35
    20" 500 229 775 686 584 64 24-35
    24" 600 267 914 813 692 70 24-41

    声明:【D343H美标法兰蝶阀】规格型号、结构尺寸由上海凯利科阀门有限公司提供,如何选择适用的D343H美标法兰蝶阀产品,使之在工艺控制中安全可靠、经济适用,可致电我司销售部门及技术部门,我们将在最短的时间内为您解答!

    Copyright ©2011-2022 上海凯利科阀门有限公司,版权所有。 沪ICP备11046016号-29 网站地图

    销售电话:021-31001158

    手机号码:13816746668 陈国辉/经理

    电子邮件:klkvalves@126.com@126.com

    主营产品:球阀,闸阀,蝶阀,截止阀,止回阀,调节阀

    本周热门:气动球阀气动蝶阀气动刀闸阀气动调节阀电动球阀电动蝶阀电动刀闸阀电动调节阀不锈钢球阀不锈钢闸阀不锈钢截止阀不锈钢止回阀不锈钢电磁阀高压电磁阀高压球阀波纹管截止阀

    官方网址:www.fm058.com