D373H凸耳式蝶阀
D373H凸耳式蝶阀采用三维偏心斜锥形阀座密封,蝶板密封采用新型金属片与弹性材料层叠而成,嵌装在蝶板上与阀座吻合。利用蝶板摆动压紧密封,所以密封面摩擦阻力小,关闭时具有越关越紧功能,这样密封性可靠,开启确保密封面完全脱离接触,保证了密封面不受损伤。
|
产品名称: |
凸耳式蝶阀 |
产品型号: |
D373H |
|
公称通径: |
DN50~DN1200 |
阀座密封: |
金属密封 |
|
公称压力: |
1.6Mpa~5.0MPa、150LB-300LB |
连接方式: |
对夹 |
|
适用温度: |
-20ºC~+425ºC |
驱动方式: |
手柄、蜗轮、气动、电动 |
|
阀体材质: |
WCB、铸钢、碳钢、不锈钢 |
制造标准: |
国标GB、德国DIN、美国API、ANSI |
|
适用介质: |
水、油、蒸汽、海水 |
生产厂家: |
上海凯利科阀门有限公司 |
产品说明
D373H凸耳式蝶阀采用三维偏心斜锥形阀座密封,蝶板密封采用新型金属片与弹性材料层叠而成,嵌装在蝶板上与阀座吻合。利用蝶板摆动压紧密封,所以密封面摩擦阻力小,关闭时具有越关越紧功能,这样密封性可靠,开启确保密封面完全脱离接触,保证了密封面不受损伤。该蝶阀结构特点排除了其他类型蝶阀开过位而不能密封的缺点,且在高曙下能正常使用,克服了其它类型阀门在高温使用时因热膨胀而容易泄漏的缺点。该蝶阀耕具使用介质要求,选用不同密封面材料,以保证密封面耐磨损、耐腐蚀、使用寿命长。
设计标准
|
设计标准 |
API609-83 |
|
法兰连接尺寸 |
ANSI B16.5 |
|
结构长度 |
ANSI B16.10-1992 |
|
压力试验: |
API598-82 |
主要技术参数
|
公称通径 |
DN(mm) |
2"~36" |
|
公称压力 |
PN(Mpa) |
150Lb |
300Lb |
|
试验压力 |
强度试验 |
3.0 |
7.5 |
|
密封试验 |
2.2 |
5.5 |
|
适用介质 |
水、蒸汽、油品、海水等 |
|
适用温度 |
-29℃~425℃ |
主要零件的材质
|
零件名称 |
材料 |
|
阀体 |
WCB、304、316、316SS、CF8M |
|
蝶板 |
WCB、304、316、316SS、CF8M |
|
阀杆 |
316、2Cr13、1Cr18Ni9Ti |
|
密封圈 |
316、氟塑料 |
|
填料 |
柔性石墨、氟塑料 |
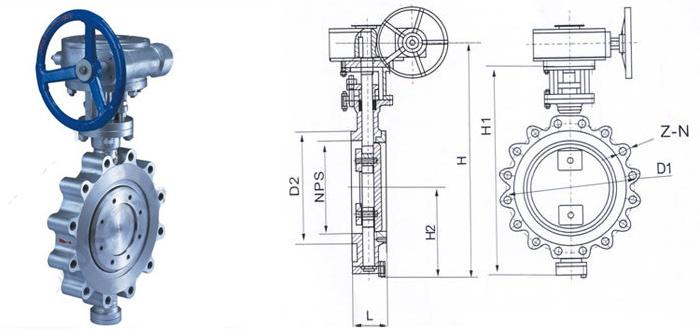
外形结构图
主要外形尺寸
|
型号 |
英寸 |
L |
L1 |
D |
D1 |
D2 |
H2 |
H1 |
H |
M |
Z-d |
Wt/kgs |
|
英寸 |
毫米 |
英寸 |
毫米 |
英寸 |
毫米 |
英寸 |
毫米 |
|
|
英寸 |
毫米 |
英寸 |
毫米 |
英寸 |
毫米 |
对夹式 |
法兰式 |
|
D373H-150LB |
2" |
1.72 |
43 |
14.25 |
108 |
6.00 |
152 |
4.75 |
120.5 |
3.62 |
92 |
4.33 |
110 |
11.02 |
280 |
13.58 |
345 |
M18 |
4-19 |
9 |
20 |
|
3" |
1.93 |
49 |
4.50 |
114 |
7.50 |
190 |
6.00 |
152.5 |
5.00 |
127 |
4.92 |
125 |
12.40 |
315 |
14.96 |
380 |
M18 |
4-19 |
11 |
29 |
|
4" |
2.20 |
56 |
5.00 |
127 |
9.00 |
229 |
7.50 |
190.5 |
6.19 |
157 |
5.70 |
145 |
13.78 |
350 |
16.34 |
415 |
M20 |
8-19 |
13 |
33 |
|
5" |
2.50 |
64 |
5.50 |
140 |
10.00 |
254 |
8.50 |
216 |
7.32 |
186 |
6.50 |
165 |
15.35 |
390 |
17.91 |
455 |
M20 |
8-22 |
16 |
38 |
|
6" |
2.75 |
70 |
5.50 |
140 |
11.00 |
279 |
9.50 |
241.5 |
8.50 |
216 |
6.89 |
175 |
17.91 |
455 |
21.45 |
545 |
M20 |
8-22 |
26 |
74 |
|
8" |
2.80 |
71 |
5.90 |
150 |
13.50 |
343 |
11.75 |
298.5 |
10.62 |
270 |
8.26 |
210 |
20.67 |
252 |
24.21 |
615 |
M24 |
8-22 |
34 |
86 |
|
10" |
3.00 |
76 |
6.30 |
160 |
16.00 |
406 |
14.25 |
362 |
12.75 |
324 |
9.84 |
250 |
23.81 |
605 |
27.36 |
695 |
M24 |
12-25 |
51 |
142 |
|
连接尺寸 |
12" |
3.38 |
86 |
7.00 |
178 |
19.00 |
483 |
17.00 |
432 |
15.00 |
381 |
11.24 |
285 |
28.74 |
730 |
32.78 |
830 |
M27 |
12-25 |
72 |
167 |
|
14" |
3.63 |
92 |
7.50 |
190 |
21.00 |
533 |
18.75 |
476 |
16.25 |
413 |
12.60 |
320 |
31.50 |
800 |
35.43 |
900 |
M27 |
12-29 |
106 |
218 |
|
16" |
4.00 |
102 |
8.50 |
216 |
23.50 |
597 |
21.25 |
540 |
18.50 |
470 |
13.98 |
355 |
34.25 |
870 |
38.58 |
980 |
M30 |
16-29 |
133 |
275 |
|
18" |
4.50 |
114 |
8.74 |
222 |
25.00 |
635 |
22.75 |
578 |
21.00 |
533 |
14.96 |
380 |
36.22 |
920 |
40.55 |
1030 |
M30 |
16-32 |
176 |
315 |
|
D373H-300LB |
20" |
5.00 |
127 |
9.00 |
229 |
27.50 |
399 |
25.00 |
635 |
23.00 |
584 |
16.34 |
415 |
39.37 |
1000 |
43.70 |
1110 |
M33 |
20-32 |
190 |
395 |
|
24" |
6.06 |
154 |
10.50 |
267 |
32.00 |
813 |
29.50 |
750 |
27.25 |
692 |
18.70 |
475 |
45.51 |
1155 |
51.37 |
1305 |
M33 |
20-35 |
394 |
580 |
|
30" |
6.50 |
165 |
11.50 |
292 |
38.75 |
985 |
36.00 |
914 |
33.75 |
857 |
22.38 |
580 |
54.13 |
1375 |
60.03 |
1525 |
M39 |
28-35 |
476 |
717 |
|
32" |
7.50 |
190 |
12.50 |
318 |
41.75 |
1060 |
38.50 |
978 |
36.00 |
914 |
24.80 |
630 |
56.50 |
1435 |
62.40 |
1585 |
M39 |
28-41 |
618 |
880 |
|
36" |
8.00 |
203 |
13.00 |
330 |
46.00 |
1168 |
42.75 |
1085 |
40.25 |
1022 |
26.77 |
680 |
62.40 |
1585 |
69.48 |
1765 |
M20 |
32-41 |
762 |
1042 |
|
6" |
2.75 |
70 |
|
|
|
|
9.5 |
240 |
3.5 |
216 |
6.89 |
175 |
17.91 |
435 |
21.45 |
545 |
M20 |
8-22 |
28 |
|
|
8" |
2.80 |
71 |
|
|
|
|
11.75 |
298 |
10.62 |
270 |
8.26 |
210 |
20.67 |
525 |
24.21 |
615 |
M24 |
8-22 |
36 |
|
|
10" |
3.00 |
76 |
|
|
|
|
14.25 |
362 |
12.75 |
324 |
9.84 |
250 |
23.81 |
605 |
27.36 |
695 |
M24 |
12-25 |
53 |
|
|
12" |
3.38 |
86 |
|
|
|
|
17.00 |
432 |
15.00 |
381 |
11.24 |
285 |
28.74 |
730 |
32.78 |
830 |
M27 |
12-25 |
74 |
|
|
14" |
3.63 |
92 |
|
|
|
|
18.75 |
476 |
16.25 |
413 |
12.64 |
320 |
31.50 |
800 |
35.43 |
900 |
M27 |
12-29 |
110 |
|
|
16" |
4.00 |
102 |
|
|
|
|
21.25 |
540 |
18.50 |
470 |
13.98 |
355 |
34.25 |
870 |
38.58 |
980 |
M30 |
16-29 |
138 |
|
声明:【D373H凸耳式蝶阀】规格型号、结构尺寸由上海凯利科阀门有限公司提供,如何选择适用的D373H凸耳式蝶阀产品,使之在工艺控制中安全可靠、经济适用,可致电我司销售部门及技术部门,我们将在最短的时间内为您解答! |