

ANSI-6000PSI~10000PSI美标内外螺纹针型阀
ANSI-6000PSI~10000PSI美标内外螺纹针型阀是由内外螺纹连接,适用于油﹑水﹑气等多种非腐蚀性或腐蚀性介质,适用于-29℃~+440℃ -70℃~-240℃ ≤540℃ ≤570℃。比其他类型的阀门,美标内外螺纹针型阀具有更好的密封性能和耐受压力的能力,一般用于较小流量,较高压力的气体或者液体介质的密封,最合适与与压力表配合。
| 产品名称: | 美标内螺纹针型阀 | 产品型号: | ANSI-6000PSI~10000PSI |
| 公称通径: | DN6~DN15 | 结构形式: | 锥面密封 |
| 公称压力: | 6000PSI~10000PSI | 连接方式: | 内外螺纹 |
| 适用温度: | -40ºC~+540ºC | 驱动方式: | 手动(一字形手柄) |
| 阀体材质: | 铸钢、不锈钢 | 制造标准: | 国标GB、德国DIN、美国API、ANSI |
| 适用介质: | 水、油、蒸汽、空气等气体 | 生产厂家: | 上海凯利科阀门有限公司 |
|
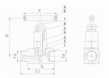
序号 NO. |
零件名称 Part name |
材质 Material |
| 1 | 阀体 Body | 20# A105 SS304 SS304L SS316 SS316L |
| 2 | 阀盖垫片 Bonnet Gasket | 紫铜(Red copper) PTFE |
| 3 | 阀盖Bonnet | 20# A105 SS304 SS304L SS316 SS316L |
| 4 | 填料垫 Packing Seat |
PTFE 柔性石墨(Expanded Graphite) 金属盘根(Matel and Graphite) |
| 5 | 填料 Packing | PTFE 柔性石墨(Expanded Graphite) |
| 6 | 填料压盖 Packing Gland | 20# A105 SS304 SS304L SS316 SS316L |
| 7 | 阀杆 Stem | 20# A105 SS304 SS304L SS316 SS316L |
| 8 | 手柄 Handle | 20# A105 SS304 SS304L SS316 SS316L |
| 9 | 内六角螺钉 Hexagon Screw | 20# A105 SS304 SS304L SS316 SS316L |
|
货号 ITEM NO. |
公称通径 DN Nominal bore |
Td | H | L | L1 | N |
| ANSI-6000PSI~10000PSI | DN6 | NPT1/4 | 75 | 58 | 75 | 60 |
| ANSI-6000PSI~10000PSI | NPT1/2 | 80 | 62 | 66 | 60 | |
| ANSI-6000PSI~10000PSI | NPT3/4 | 80 | 57 | - | 60 | |
| ANSI-6000PSI~10000PSI | DN10 | NPT3/8 | 75 | 58 | 78 | 60 |
| ANSI-6000PSI~10000PSI | DN15 | NPT1/2 | 77 | 68 | 86 | 60 |
声明:【ANSI-6000PSI~10000PSI美标内外螺纹针型阀】规格型号、结构尺寸由上海凯利科阀门有限公司提供,如何选择适用的ANSI-6000PSI~10000PSI美标内外螺纹针型阀产品,使之在工艺控制中安全可靠、经济适用,可致电我司销售部门及技术部门,我们将在最短的时间内为您解答! |