
X43F46衬氟旋塞阀
X43F46衬氟旋塞阀适用在-50℃~150℃的各种浓度的王水、硫酸、盐酸、氢氟酸和各种有机酸、强酸、强氧化剂,FEP还适用于各种浓度的强碱有机溶剂以及其它腐蚀性气体、液体介质的管路上使用。
| 产品名称: | 衬氟旋塞阀 | 产品型号: | X43F46 |
| 公称通径: | DN20~DN250 | 结构形式: | 圆柱形或圆锥形 |
| 公称压力: | 1.0MPa | 连接方式: | 法兰 |
| 适用温度: | -29ºC~+180ºC | 驱动方式: | 手动、蜗轮 |
| 阀体材质: | 铸钢、不锈钢 | 制造标准: | 国标GB、德国DIN、美国API、ANSI |
| 适用介质: | 王水、硫酸、盐酸、氢氟酸等 | 生产厂家: | 上海凯利科阀门有限公司 |
| 设计标准 | HG/T3704,GB/T12240 | API6D | ||
| 结构长度 | HG/T3704,GB/T12221 | ASMEB16.10 | ||
| 法兰形式尺寸 | HG/T20592,GB/T9119 | ASMEB16.5 | ||
| 检验与试验 | GB/T13927,JB/T9092 | API598 | ||
| 公称、压力(MPa) | 1.0 | 1.6 | 150Lb | |
|
实验压力 (MPa) |
壳体试压 | 1.5 | 1.5 | 1.5 |
| 高压密封 | 1.1 | 1.1 | 1.1 | |
| 低压密封 | 0.6 | 0.6 | 0.6 | |
| 适用温度(℃) | PFA:-30~200 FEP-30~150 | |||
| 适用介质 |
盐酸、硝酸、氢氟酸、液氯、硫酸 王水等强腐蚀性介质 |
|||
|
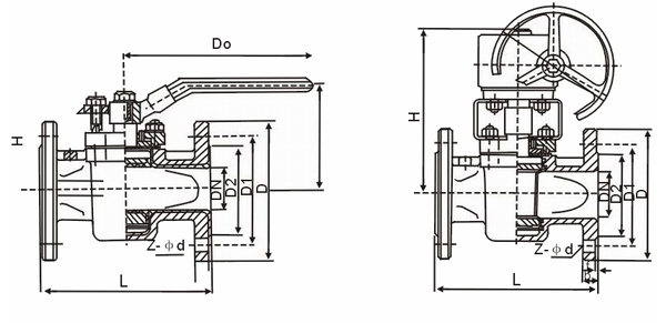
公称通径 DN |
PN1.0(MPa)主要外形尺寸和连接尺寸(mm) | 重量 | ||||||||
| L | D | D1 | D2 | f | b | nd | Do | H | Kg | |
| 20 | 150 | 105 | 75 | 50 | 3 | 14 | 414 | 160 | 95 | 7 |
| 25 | 160 | 115 | 85 | 65 | 3 | 14 | 414 | 160 | 98 | 8 |
| 32 | 170 | 135 | 100 | 70 | 3 | 16 | 418 | 220 | 113 | 10 |
| 40 | 180 | 145 | 110 | 80 | 3 | 18 | 418 | 250 | 135 | 15 |
| 50 | 210 | 160 | 125 | 100 | 3 | 20 | 818 | 250 | 140 | 18 |
| 65 | 220 | 180 | 145 | 120 | 3.5 | 20 | 818 | 300 | 145 | 25 |
| 80 | 250 | 195 | 160 | 135 | 3.5 | 22 | 818 | 330 | 205 | 35 |
| 100 | 275 | 215 | 180 | 155 | 4 | 24 | 818 | 350 | 240 | 46 |
| 125 | 310 | 245 | 210 | 185 | 4 | 26 | 818 | 400 | 260 | 65 |
| 150 | 350 | 280 | 240 | 210 | 4 | 28 | 823 | 600 | 290 | 90 |
| 200 | 400 | 335 | 295 | 265 | 4.5 | 32 | 823 | 800 | 330 | 160 |
| 250 | 460 | 390 | 350 | 320 | 4.5 | 36 | 1223 | 900 | 380 | 230 |
| DN | L | D | D1 | D2 | Z-d | f | b | H | W | H |
| 15 | 110 | 95 | 65 | 45 | 4-14 | 2 | 14 | 85 | 180 | |
| 20 | 117 | 105 | 75 | 55 | 4-14 | 2 | 14 | 88 | 180 | |
| 25 | 127 | 115 | 85 | 65 | 4-14 | 2 | 14 | 98 | 260 | |
| 32 | 140 | 140 | 100 | 78 | 4-18 | 3 | 16 | 101 | 260 | |
| 40 | 165 | 150 | 110 | 85 | 4-18 | 3 | 16 | 128 | 320 | |
| 50 | 178 | 165 | 125 | 100 | 4-18 | 3 | 16 | 128 | 320 | |
| 65 | 190 | 185 | 145 | 120 | 4-18 | 3 | 18 | 135 | 320 | |
| 80 | 203 | 200 | 160 | 135 | 8-18 | 3 | 20 | 164 | 400 | 322 |
| 100 | 229 | 220 | 180 | 155 | 8-18 | 3 | 20 | 178 | 400 | 332 |
| 125 | 254 | 250 | 210 | 185 | 8-18 | 3 | 22 | 205 | 385 | |
| 150 | 267 | 285 | 240 | 210 | 8-23 | 3 | 24 | 220 | 405 | |
| 200 | 292 | 340 | 295 | 265 | 8-23 | 3 | 26 | 455 | ||
| 250 | 330 | 395 | 350 | 320 | 12-23 | 4 | 28 | 490 |
声明:【X43F46衬氟旋塞阀】规格型号、结构尺寸由上海凯利科阀门有限公司提供,如何选择适用的X43F46衬氟旋塞阀产品,使之在工艺控制中安全可靠、经济适用,可致电我司销售部门及技术部门,我们将在最短的时间内为您解答! |