G41F46不锈钢衬氟隔膜阀
G41F46不锈钢衬氟隔膜阀将阀体下部内腔与阀盖内腔隔开,并与之形成直流通道,使隔膜上部的阀杆、阀瓣等内件与介质完全隔离,省去填料密封结构,介质的内漏和外漏可同时避免。表面均匀包覆一层FEP。阀体通道内表面光滑,流体阻力小,CV值高,流通能力强,扭矩适中,采用四级密封结构并在密封面外配以耐温抗老化的SI橡胶的弹性衬垫阀座,完全达到介质的零泄漏。
|
产品名称: |
不锈钢衬氟隔膜阀 |
产品型号: |
G41F46 |
|
公称通径: |
DN15~DN300 |
结构形式: |
直通 |
|
公称压力: |
0.6MPa~1.0MPa~1.6MPa |
连接方式: |
法兰 |
|
适用温度: |
-29ºC~+180ºC |
驱动方式: |
手动 |
|
阀体材质: |
铸钢、不锈钢 |
制造标准: |
国标GB、德国DIN、美国API、ANSI |
|
适用介质: |
水、油品、蒸汽、液体 |
生产厂家: |
上海凯利科阀门有限公司 |
产品说明
G41F46不锈钢衬氟隔膜阀将阀体下部内腔与阀盖内腔隔开,并与之形成直流通道,使隔膜上部的阀杆、阀瓣等内件与介质完全隔离,省去填料密封结构,介质的内漏和外漏可同时避免。表面均匀包覆一层FEP。阀体通道内表面光滑,流体阻力小,CV值高,流通能力强,扭矩适中,采用四级密封结构并在密封面外配以耐温抗老化的SI橡胶的弹性衬垫阀座,完全达到介质的零泄漏。
结构特点
1、弹性密封的开闭件,确保没有内漏;
2、流线型的流道,使得压力损失小;
3、没有填料函,因此没有外漏;
4、阀体与盖被中间隔膜隔开,使得隔膜上方的阀盖,阀杆零件不受介质侵蚀;
5、隔膜可更换,维护费用低;
6、衬氟材料的多样性,可适用于各种介质,并具有良好的耐腐蚀性。
基本型号
|
手动 |
G41F3 |
直流式 |
G45F3 |
|
G41F46 |
G45F46 |
|
气动 |
G641F3 |
电动 |
G941F3 |
|
G641F46 |
G941F46 |
零部件材料
|
序号 |
零件名称 |
灰铸铁 |
铸钢 |
不锈耐酸铸钢 |
超低不锈钢耐酸铸钢 |
|
Z |
C |
P |
R |
P |
R |
|
1 |
阀体/阀盖 |
HT250 |
WCB |
CF8 |
CF8M |
CF3 |
CF3M |
|
2 |
阀瓣/阀杆 |
35 |
1cr13 |
1Cr18Ni9Ti |
1Cr18Ni12Mo2Ti |
00cr18Ni10 |
00Cr17Ni14Mo2 |
|
3 |
衬里/阀座 |
PTFE(F4)、PCTFE(F3)、FEP(F46)、PFA(可溶性F4) |
|
4 |
隔膜 |
FEP(F46)/CR(氯丁橡胶)、PFA(可溶性F4)/FPDM(乙丙橡胶) |
|
5 |
支架 |
WCB |
CF8 |
CF8 |
|
6 |
阀杆螺母 |
ZCuAI10Fe3 |
ZCuAI10Fe3 |
ZCuAI10Fe3 |
|
7 |
紧固螺栓 |
35 |
1Cr17Ni2 |
1Cr18Ni9Ti |
|
8 |
螺母 |
45 |
0Cr18Ni9 |
0Cr18Ni9 |
|
9 |
手轮 |
WCB |
WCB |
WCB |
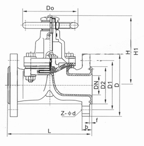
外形结构图
主要外形尺寸
|
公称通径 |
标准值 |
参考值 |
|
DN(mm) |
NPS(inch) |
L |
D |
D1 |
D2 |
f |
b |
Z-фd |
Do |
H |
H1 |
WT(kg) |
|
PN0.6MPa / PN1.0MPa |
|
15 |
1/2 |
125 |
95 |
65 |
45 |
2 |
14 |
4-ф14 |
100 |
105 |
110 |
3.5 |
|
20 |
3/4 |
135 |
105 |
75 |
55 |
2 |
16 |
4-ф14 |
100 |
115 |
125 |
4 |
|
25 |
1 |
145 |
115 |
85 |
65 |
2 |
16 |
4-ф14 |
120 |
120 |
135 |
5.5 |
|
32 |
11/4 |
160 |
135 |
100 |
78 |
2 |
18 |
4-ф18 |
120 |
125 |
150 |
8 |
|
40 |
11/2 |
180 |
145 |
110 |
85 |
3 |
18 |
4-ф18 |
140 |
135 |
175 |
11 |
|
50 |
2 |
210 |
160 |
125 |
100 |
3 |
20 |
4-ф18 |
140 |
155 |
195 |
14 |
|
65 |
21/2 |
250 |
180 |
145 |
120 |
3 |
20 |
4-ф18 |
200 |
170 |
200 |
23 |
|
80 |
3 |
300 |
195 |
160 |
135 |
3 |
22 |
4-ф18 |
200 |
200 |
255 |
29 |
|
100 |
4 |
350 |
215 |
180 |
155 |
3 |
22 |
8-ф18 |
280 |
270 |
325 |
46 |
|
125 |
5 |
400 |
245 |
210 |
185 |
3 |
24 |
8-ф18 |
320 |
335 |
405 |
70 |
|
150 |
6 |
460 |
280 |
240 |
210 |
3 |
24 |
8-ф23 |
320 |
370 |
450 |
95 |
|
200 |
8 |
570 |
335 |
295 |
265 |
3 |
26 |
8-ф23 |
400 |
480 |
600 |
170 |
|
250 |
10 |
680 |
390 |
350 |
320 |
3 |
28 |
12-ф23 |
500 |
545 |
620 |
270 |
|
300 |
12 |
790 |
435 |
395 |
362 |
4 |
24 |
12-ф23 |
500 |
585 |
680 |
320 |
|
PN1.6MPa |
|
15 |
1/2 |
130 |
95 |
65 |
45 |
2 |
14 |
4-ф14 |
120 |
110 |
115 |
4 |
|
20 |
3/4 |
150 |
105 |
75 |
55 |
2 |
16 |
4-ф14 |
120 |
120 |
130 |
5 |
|
25 |
1 |
160 |
115 |
85 |
65 |
2 |
16 |
4-ф14 |
140 |
125 |
140 |
6 |
|
32 |
11/4 |
180 |
135 |
100 |
78 |
2 |
18 |
4-ф18 |
140 |
130 |
155 |
9 |
|
40 |
11/2 |
200 |
145 |
110 |
85 |
3 |
18 |
4-ф18 |
160 |
140 |
180 |
12 |
|
50 |
2 |
230 |
160 |
125 |
100 |
3 |
20 |
4-ф18 |
160 |
160 |
200 |
15 |
|
65 |
21/2 |
290 |
180 |
145 |
120 |
3 |
20 |
4-ф18 |
200 |
175 |
205 |
24 |
|
80 |
3 |
310 |
195 |
160 |
135 |
3 |
22 |
8-ф18 |
200 |
205 |
260 |
30 |
|
100 |
4 |
350 |
215 |
180 |
155 |
3 |
24 |
8-ф18 |
280 |
275 |
330 |
48 |
|
125 |
5 |
400 |
245 |
210 |
185 |
3 |
26 |
8-ф18 |
320 |
340 |
410 |
75 |
|
150 |
6 |
480 |
280 |
240 |
210 |
3 |
28 |
8-ф23 |
320 |
375 |
460 |
105 |
|
200 |
8 |
600 |
335 |
295 |
265 |
3 |
30 |
12-ф23 |
400 |
485 |
605 |
182 |
|
250 |
10 |
730 |
405 |
355 |
320 |
3 |
32 |
12-ф25 |
500 |
550 |
625 |
295 |
|
300 |
12 |
850 |
460 |
410 |
375 |
4 |
34 |
12-ф25 |
500 |
590 |
685 |
345 |
声明:【G41F46不锈钢衬氟隔膜阀】规格型号、结构尺寸由上海凯利科阀门有限公司提供,如何选择适用的G41F46不锈钢衬氟隔膜阀产品,使之在工艺控制中安全可靠、经济适用,可致电我司销售部门及技术部门,我们将在最短的时间内为您解答! |