首页
公司介绍
新闻中心
组织机构
服务理念
售后服务
联系我们
产品中心
jtgk.png

产品中心

FGP4X复合式高速进排气阀

您的位置:阀门 - 排气阀 - FGP4X复合式高速进排气阀 更新时间:2024-08-01 01:08:40
FGP4X复合式高速进排气阀
    • 质量安全:压力、材质、密封等全方位检测确保质量过关!
    • 价格比较:在相同品质的情况下,厂里直销,更具有优势!
    • 交货快捷:常规产品现货供应,生产加工销售一条龙服务!
      上海凯利科阀门竭诚为您提供安全可靠的FGP4X复合式高速进排气阀成套技术方案,以及售前选型报价,售后技术指导、安装、调试服务!

    • 产品描述
    • 在线询价
    • 技术咨询
    FGP4X复合式高速进排气阀FGP4X复合式高速进排气阀

    FGP4X复合式高速进排气阀可防止浮球在高速气流中被吹起而堵塞排气口,造成排气阀失效。 为防止阀口被吹堵,传统式高速进排气阀在入口设置护筒,使阀门在结构上变得复杂。

    产品名称: 复合式高速进排气阀 产品型号: FGP4X
    公称通径: DN15~DN200 结构形式: 浮球式
    公称压力: 1.6MPa-2.5MPa 连接方式: 法兰式
    适用温度: -29ºC~+80ºC 驱动方式: 自动
    阀体材质: 铸铁、铸钢、不锈钢 制造标准: 国标GB、德国DIN、美国API、ANSI
    适用介质: 给排水、清水等 生产厂家: 上海凯利科阀门有限公司

    产品说明

    FGP4X复合式高速进排气阀可防止浮球在高速气流中被吹起而堵塞排气口,造成排气阀失效。 为防止阀口被吹堵,传统式高速进排气阀在入口设置护筒,使阀门在结构上变得复杂。

    产品特点

    1、充水时高速排气,不怕吹堵。
    2、放水时高速吸气。
    4、正常压力下微量排气。

    工作原理

    FGP4X复合式高速进排气阀是利用伯努利理论制造的一种能够在气流下保持全开,当实心水柱上升时,浮球能够马上被浮起并严密封闭排气口的浮球式排气阀。该阀采用特定的浮球直径,使得它产生的气流动力能维持浮球在气流经过时开启(悬浮),实心水柱上升时产生的浮力又能使其浮起,配之入口处以一个合适角度的圆锥体,可做到不管气压多大、气流速度多高,排气口也不会被吹堵。

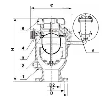
    外形结构图

     

    主要外形尺寸

    通径 长度A 宽度B/L 高度H 外径D 螺栓孔径 法兰厚度 螺栓孔
    DN50 250 130 260 165 125 19 4-19
    DN80 315 170 340 200 160 19 8-19
    DN100 413   334 220 180 19 8-19
    DN150 580   520 285 240 19 8-23
    DN200 668   640 340 295 22 8-23
    DN250 770   780 395 350 22 12-23
    DN300 850   920 445 400 24.5 12-23

    安装要求

    1、于安装前,请先检查并清除主体内的杂物。
    2、在阀前装一只闸阀,以便下次的安装维修。阀如果安装于荫井内,应有足够空间以便容纳技术人员调整及维护工作。
    3、若排气阀安装于室外,请注意阀门的保温,以防阀门内水结冰或冻裂阀门。
    4、若排气阀所在管线送断水频繁,建议在排气阀前加装一个缓冲阀。
    5、复合式高速进排气阀常见的安装地点有以下几个位置:局部最高点、下降坡度变大点、上升坡度变小点、长距离无折点上升或下降管段。

    安装位置的选择

    排气阀的安装位置直接影响着排气效果和管道的运行状态。设计人员在设计时,往往局限于局部最高点,排气阀的安装位置有多种,只有对整个管道综合考虑,才能使排气效果达到最佳。常见的安装地点有以下几个位置:局部最高点、下降坡度变大点、上升坡度变小点、长距离无折点上升或下降管段。

    安装总图


    声明:【FGP4X复合式高速进排气阀】规格型号、结构尺寸由上海凯利科阀门有限公司提供,如何选择适用的FGP4X复合式高速进排气阀产品,使之在工艺控制中安全可靠、经济适用,可致电我司销售部门及技术部门,我们将在最短的时间内为您解答!

    Copyright ©2011-2022 上海凯利科阀门有限公司,版权所有。 沪ICP备11046016号-29 网站地图

    销售电话:021-31001158

    手机号码:13816746668 陈国辉/经理

    电子邮件:klkvalves@126.com@126.com

    主营产品:球阀,闸阀,蝶阀,截止阀,止回阀,调节阀

    本周热门:气动球阀气动蝶阀气动刀闸阀气动调节阀电动球阀电动蝶阀电动刀闸阀电动调节阀不锈钢球阀不锈钢闸阀不锈钢截止阀不锈钢止回阀不锈钢电磁阀高压电磁阀高压球阀波纹管截止阀

    官方网址:www.fm058.com