首页
公司介绍
新闻中心
组织机构
服务理念
售后服务
联系我们
产品中心
jtgk.png

产品中心

D973H电动硬密封蝶阀

您的位置:阀门 - 蝶阀 - D973H电动硬密封蝶阀 更新时间:2024-07-27 09:07:31
D973H电动硬密封蝶阀
    • 质量安全:压力、材质、密封等全方位检测确保质量过关!
    • 价格比较:在相同品质的情况下,厂里直销,更具有优势!
    • 交货快捷:常规产品现货供应,生产加工销售一条龙服务!
      上海凯利科阀门竭诚为您提供安全可靠的D973H电动硬密封蝶阀成套技术方案,以及售前选型报价,售后技术指导、安装、调试服务!

    • 产品描述
    • 在线询价
    • 技术咨询
    D973H电动硬密封蝶阀D973H电动硬密封蝶阀

    D973H电动硬密封蝶阀采用一个“U”型不锈钢密封圈,该精密的弹性密封圈与经过抛光的蝶板三维偏心接触。解决了传统偏心蝶阀在启闭0°~10°瞬间密封面仍处于滑动接触摩擦的弊病,实现蝶板在开启瞬间密封面即分离,关闭接触即密封的效果,达到延长使用寿命、密封性能最佳的目的。因此被广泛地应用到介质温度≤550℃的冶金、电力、石油、化工、空气、煤气、可燃气体以及给排水等腐蚀性介质的管道上,是调节流量和截断流体的最佳装置。

    产品名称: 电动硬密封蝶阀 产品型号: D973H
    公称通径: DN50~DN1000 阀座密封: 合金、司太立、不锈钢
    公称压力: 1.0Mpa~4.0MPa 连接方式: 对夹、法兰
    适用温度: -20ºC~+150ºC~425ºC 驱动方式: 手动、蜗轮、电动、气动
    阀体材质: 铸钢、不锈钢 制造标准: 国标GB、德国DIN、美国API、ANSI
    适用介质: 水、油、蒸汽、气体、粉体、液体 生产厂家: 上海凯利科阀门有限公司

    产品说明

    D973H电动硬密封蝶阀采用一个“U”型不锈钢密封圈,该精密的弹性密封圈与经过抛光的蝶板三维偏心接触。解决了传统偏心蝶阀在启闭0°~10°瞬间密封面仍处于滑动接触摩擦的弊病,实现蝶板在开启瞬间密封面即分离,关闭接触即密封的效果,达到延长使用寿命、密封性能最佳的目的。因此被广泛地应用到介质温度≤550℃的冶金、电力、石油、化工、空气、煤气、可燃气体以及给排水等腐蚀性介质的管道上,是调节流量和截断流体的最佳装置。

    产品特点

    1、该蝶阀结构简单、紧凑、重量轻、易于安装和拆卸、维修方便;
    2、本蝶阀采用不锈钢“U”型密封圈,具有一定的弹性无论在高温、低温的情况下,它与蝶板均具有优良的密封性;
    3、本蝶阀的三维偏心距,经过严格的计算,“U”型密封圈与蝶板几乎无磨擦,使用寿命长,并具有越关越紧的功能;
    4、蝶板密封面采用堆焊钴基硬质合金,密封面耐磨损,使用寿命长;
    5、本蝶阀结构独特,“开关”仅需转动阀杆90°即可完成。操作灵活、方便、省力、不受介质压力的高低影响,密封性能可靠;
    6、耐高温、耐低温、耐腐蚀性。

    采用标准

    设计标准 :GB/T12238-1989
    结构长度:GB/T12221-1989
    压力试验:GB/T13927-1992;JB/T9092-1999

    执行机构

    1.功能强劲:智能型、调节型、开关式。
    2.体积小巧:体积仅相当于同类产品的35%左右。
    3.使用方便:采用单相电源,接线简单;采用独创的球型凸出结构,使观察更方便;免加油免点检、防水防锈、任意角度安装。
    4.保护装置有双重限位、过热保护、过载保护。全行程时间15秒、30秒、45秒、60秒。及带手动功能。
    5.智能数控:内置模块采用先进计算机单片及智能控制软件直接接收计算机或工业仪表等输出的标准信号(4-20mA DC /1-5VDC)实现阀门开度的智能控制和精确定位。也可选用3810系列或NA系列电子式角行程执行机构.亦可选用PSQ系列或DYR系列。

    技术参数

    公称通径 DN(mm) 50~1200
    公称压力 PN(MPa) 0.6 1.0 1.6 2.5 4.0
    试验压力 强度试验 0.9 1.5 2.4 3.75 6.0
    密封试验 0.66 1.1 1.76 2.75 4.4
    气密封试验 0.6 0.6 0.6 0.6 0.6
    适用介质 水、蒸气、油品、酸类腐蚀性等。
    适用温度 碳钢 :-29℃~600℃ 不锈钢-40℃~600℃

    主要零件材质

    零件名称 材料
    阀体 铸铁、铸钢、不锈钢、铬钼钢、合金钢
    蝶板 铸钢、合金钢(镀硬铬)、不锈钢、铬钼钢
    密封圈 不锈钢、聚内脂、抗磨材料
    阀杆 2Cr13、1Cr13不锈钢、铬钼钢
    填料 柔性石墨

    三偏心特点及原理

    1、偏离管道中心
    2、偏离密封面中心
    3、倾斜的锥形
    当阀门开启时,蝶板与阀座在关闭时瞬间接触,利用蝶板偏心1、偏心2迅速脱离阀座,降低了密封副的磨损,磨擦力矩小,开启灵活。偏心锥面3,使阀门在开启或关闭时蝶板能通过阀座内孔,实现接触密封。另外,锥形蝶板的旋转半径大于密封副接触位置的旋转半径,故蝶板在阀门关闭时将出现越关越紧,能够实现自锁,防止蝶板过位。

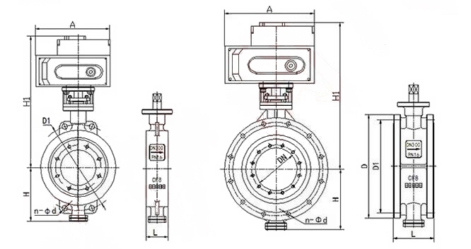
    外形结构图

    主要外形连接尺寸

    公称通径DN(mm) 尺寸(mm)
    L1 D D1 H H1 Z-Φd
    50 43 165 125 82 260 4-18
    65 46 185 145 95 280 8-18
    80 49 200 160 108 355 8-18
    100 56 220 190 125 390 8-23
    125 64 250 220 138 490 8-25
    150 70 285 250 198 630 8-25
    200 71 340 310 236 690 12-25
    250 76 405 370 276 830 12-30
    300 83 460 430 308 930 16-30
    350 92 520 490 340 1010 16-34
    400 102 580 550 374 1070 16-34
    450 114 640 600 384 1140 20-34
    500 127 715 660 448 1200 20-41
    600 154 840 770 490 1340 20-41
    700 165 910 875 542 1600 24-48
    800 190 1025 990 607 1780 24-48
    900 203 1125 1090 665 1920 28-54
    1000 216 1255 1210 731 1960 28-58
    1200 254 1485 1420 842 2360 32-58
     
     

    声明:【D973H电动硬密封蝶阀】规格型号、结构尺寸由上海凯利科阀门有限公司提供,如何选择适用的D973H电动硬密封蝶阀产品,使之在工艺控制中安全可靠、经济适用,可致电我司销售部门及技术部门,我们将在最短的时间内为您解答!

    Copyright ©2011-2022 上海凯利科阀门有限公司,版权所有。 沪ICP备11046016号-29 网站地图

    销售电话:021-31001158

    手机号码:13816746668 陈国辉/经理

    电子邮件:klkvalves@126.com@126.com

    主营产品:球阀,闸阀,蝶阀,截止阀,止回阀,调节阀

    本周热门:气动球阀气动蝶阀气动刀闸阀气动调节阀电动球阀电动蝶阀电动刀闸阀电动调节阀不锈钢球阀不锈钢闸阀不锈钢截止阀不锈钢止回阀不锈钢电磁阀高压电磁阀高压球阀波纹管截止阀

    官方网址:www.fm058.com