

PQ41F,PQ41M一体式排污球阀
PQ41F、PQ41M一体式排污球阀是采用新型密封材料为阀座,采用新型密封材料为阀座,使用寿命提高了3-5倍。具有性能稳定、密封可靠、磨擦力小、开关轻便、耐高温、耐磨、耐油、耐腐蚀、使用寿命长等优点,“剑阀”牌高温球阀与截止阀、柱塞阀、排污阀,结构长度相符,扩大了球阀使用范围,广泛用于石油、化工、橡胶、造纸、制药等行业,可替代截止阀、柱塞阀、快速排污阀。适用介质:水、蒸汽、导热油等酸类,使用温度:≤350℃。
| 产品名称: | 一体式排污球阀 | 产品型号: | PQ41F、PQ41M |
| 公称通径: | DN15~DN100 | 结构形式: | 球形 |
| 公称压力: | 1.6MPa~4.0MPa | 连接方式: | 法兰 |
| 适用温度: | -29ºC~+350ºC | 驱动方式: | 手动、电动、气动 |
| 阀体材质: | WCB铸钢、不锈钢304 | 标准: | 国标GB、德国DIN、美国API、ANSI |
| 适用介质: | 水、污水、蒸汽、导热油、液体 | 生产厂家: | 上海凯利科阀门有限公司 |
| 型号 |
公称压力 (MPa) |
强度试验压力 (MPa) |
密封试验压 (MPa) |
适用温度 (℃) |
适用介质 |
| PQ41M/F-16P | 1.6 | 2.4 | 1.8 | -28~+300 (M/F) | 导热油、水、蒸汽、气体、油品、硝酸类腐蚀性介质、醋酸类腐蚀性介质 |
| PQ41M/F-25P | 2.5 | 3.8 | 2.8 | -28~+350 (PPN) |
| 序号 | 零部件名称 | 材料 |
| 1 | 阀体 | 球墨铸铁、碳素钢、铸不锈钢 |
| 2 | 密封圈 | (M/F)高强度耐磨碳结石墨≤300℃ (PPN)对莅聚苯、温度≤350℃ |
| 3 | 球 | 不锈钢 |
| 4 | 填料 | 聚四氟乙烯 |
| 5 | 填料压盖 | QT450-10球墨铸铁 |
| 6 | 阀杆 | 碳素钢、铬不锈钢 |
| 7 | 手柄 | 碳钢 |
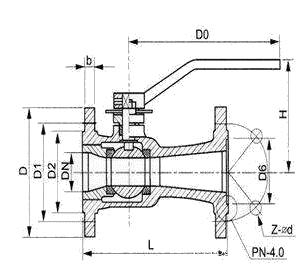
| 型号 | 规格 | 尺寸 | ||||||
| L | D | D 1 | D 2 | z-φd | H | b | ||
| PQ41M/F-16 | 15 | 130 | 95 | 65 | 45 | 4-14 | 85 | 14 |
| 20 | 150 | 105 | 75 | 55 | 4-14 | 95 | 16 | |
| 25 | 160 | 115 | 85 | 65 | 4-14 | 103 | 16 | |
| 32 | 180 | 135 | 100 | 78 | 4-18 | 105 | 18 | |
| 40 | 200 | 145 | 110 | 85 | 4-18 | 120 | 18 | |
| 50 | 230 | 160 | 125 | 100 | 4-18 | 195 | 20 | |
| 65 | 290 | 180 | 145 | 120 | 4-18 | 195 | 20 | |
| 80 | 310 | 195 | 160 | 135 | 8-18 | 215 | 22 | |
| 100 | 350 | 215 | 180 | 155 | 8-18 | 253 | 24 | |
声明:【PQ41F,PQ41M一体式排污球阀】规格型号、结构尺寸由上海凯利科阀门有限公司提供,如何选择适用的PQ41F,PQ41M一体式排污球阀产品,使之在工艺控制中安全可靠、经济适用,可致电我司销售部门及技术部门,我们将在最短的时间内为您解答! |