



Q671F气动对夹式球阀
Q671F气动对夹式球阀产品参照意大利产品的特点,与普通球阀相比,具有结构长度短、重量轻、安装方便、节省材料等显著的优点。对夹保温夹套球阀保温效果好。此外,阀座采用弹性密封结构,密封可靠,启闭轻松。设有耐火结构,万一发生火灾时,仍然能够可靠操作并具有良好的密封性。根据用户需要,可设有防静电结构。设置了90°开关带孔定位片,根据需要可以加锁,防止误操作。
| 产品名称: | 气动对夹式球阀 | 产品型号: | Q671F |
| 公称通径: | DN15~DN200 | 结构形式: | 球形 |
| 公称压力: | 1.6Mpa~2.5Mpa | 连接方式: | 对夹式 |
| 适用温度: | ≤300ºC | 驱动方式: | 气动(可佩带手操) |
| 阀体材质: | 铸钢、不锈钢 | 制造标准: | 国标GB、德国DIN、美国API、ANSI |
| 适用介质: | 水、油、气体、液体 | 生产厂家: | 上海凯利科阀门有限公司 |
Q671F气动对夹式球阀适用于Class150、PN1.0~2.5MPa,工作温度 29~180℃(密封圈为增强聚四氟乙烯)或 29~300℃(密封圈为对位聚苯)的各种管路上,用于截断或接通管路中的介质,选用不同的材质,可分别适用于水、蒸汽、油品、硝酸、醋酸、氧化性介质、尿素等多种介质。
适用介质:水、气、油品、天然气和酸碱腐蚀性介质。
适用温度:-20~150~300℃
驱动方式:手动、气动、电动等。
公称压力:1.6~2.5MPa
|
序号 |
零件名称 |
材质 |
|
|
1 |
阀体 |
不锈钢CF8M/CF8 |
碳钢WCB |
|
2 |
球 |
不锈钢316/304 |
不锈钢SS304 |
|
3 |
密封垫 |
聚四氟乙烯PTFE |
聚四氟乙烯PTFE |
|
4 |
阀杆 |
不锈钢316/304 |
不锈钢SS304 |
|
5 |
填料 |
聚四氟乙烯PTFE |
聚四氟乙烯PTFE |
|
6 |
定位锁 |
不锈钢304 |
不锈钢SS304 |
|
7 |
手柄 |
不锈钢304 |
不锈钢SS304 |
|
8 |
阀杆螺母 |
不锈钢304 |
不锈钢SS304 |
|
9 |
填料压盖 |
不锈钢304 |
不锈钢SS304 |
|
10 |
手柄套 |
塑料 |
塑料 |
|
11 |
密封瓶帽 |
不锈钢316/304 |
不锈钢SS304 |
|
12 |
垫圈 |
聚四氟乙烯PTFE |
聚四氟乙烯PTFE |

|
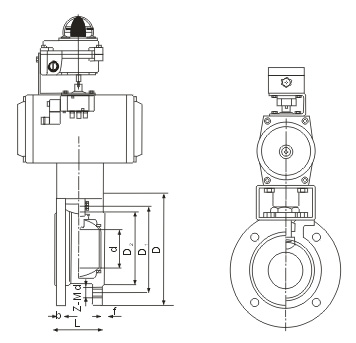
SIZE |
1/2" |
3/4" |
1" |
11/4" |
11/2" |
2" |
21/2" |
3" |
4" |
5" |
6" |
8" |
|
d |
15 |
20 |
25 |
29 |
38 |
|
62 |
76 |
92 |
110 |
145 |
195 |
|
L |
32 |
38.5 |
45 |
55 |
62 |
72 |
95 |
120 |
145 |
200 |
225 |
275 |
|
D |
95 |
105 |
115 |
135 |
145 |
160 |
180 |
195 |
215 |
245 |
280 |
335 |
|
D1 |
65 |
75 |
85 |
100 |
110 |
125 |
145 |
160 |
180 |
210 |
240 |
295 |
|
D2 |
45 |
55 |
65 |
78 |
85 |
100 |
120 |
135 |
155 |
185 |
210 |
265 |
|
H |
62 |
70 |
79 |
86 |
92 |
102 |
158 |
172 |
187 |
200 |
240 |
278 |
|
E |
110 |
125 |
135 |
150 |
150 |
180 |
250 |
300 |
350 |
650 |
840 |
1000 |
|
b |
14 |
14 |
16 |
16 |
18 |
20 |
22 |
24 |
24 |
26 |
26 |
28 |
|
z-d1 |
4-14 |
4-14 |
4-14 |
4-18 |
4-18 |
4-18 |
4-18 |
8-18 |
8-18 |
8-18 |
8-23 |
12-20 |
|
f |
2 |
2 |
2 |
3 |
3 |
3 |
3 |
3 |
3 |
3 |
3 |
3 |
声明:【Q671F气动对夹式球阀】规格型号、结构尺寸由上海凯利科阀门有限公司提供,如何选择适用的Q671F气动对夹式球阀产品,使之在工艺控制中安全可靠、经济适用,可致电我司销售部门及技术部门,我们将在最短的时间内为您解答! |