



J41H手动法兰截止阀
J41H手动法兰截止阀的启闭件是圆柱形的阀瓣,密封面呈平面或锥面,阀瓣沿流体的中心线作直线运动。国标截止阀只适用于全开和全关,一般不用来调节流量,定做时允许作调节和节流。公称压力1.6MPa-16.0MPa,工作温度-29~550℃的石油、化工、制药、化肥、电力行业等各种工况的管路上,切断或接通管路介质。驱动方式有手动、齿轮传动、电动、气动等。
| 产品名称: | 手动法兰截止阀 | 产品型号: | J41H/W |
| 公称通径: | DN15~DN300 | 结构形式: | 截止式 |
| 公称压力: | 1.6MPa~16.0MPa | 连接方式: | 法兰、焊接、螺纹 |
| 适用温度: | -29ºC~+550ºC | 驱动方式: | 手轮、伞齿轮、气动、电动 |
| 阀体材质: | WCB、碳钢、铬钼钒钢、不锈钢 | 制造标准: | 国标GB、德国DIN、美国API、ANSI |
| 适用介质: | 水、油、蒸汽、气体 | 生产厂家: | 上海凯利科阀门有限公司 |
| 型号 | J41H-16C~160C | J41Y-16C~160C | J41W-16P~160P | |
| 工作压力(MPa) | 1.6~16.0 | |||
| 适用温度(℃) | ≤425 | ≤150 | ||
| 适用介质 | 水、蒸汽、油品 | 弱腐蚀性介质 | ||
| 材料 | 阀体、阀盖 | 碳素钢 | 铬镍钛不锈钢 | |
| 阀杆 | 铬不锈钢 | 铬镍钛不锈钢 | ||
| 密封面 | 堆焊铁基合金 | 堆焊硬基合金 | 本体材料 | |
| 填料 | 石棉石墨、柔性石墨、聚四氟乙烯 | |||
| 公称压力 | 1.6 | 2.5 | 4.0 | 6.4 | 10.0 | 16.0 |
| 强度试验 | 2.4 | 3.8 | 6.0 | 9.6 | 15.0 | 24.0 |
| 水密封试验 | 1.8 | 2.8 | 4.4 | 7.4 | 11.0 | 18.0 |
| 上密封试验 | 1.8 | 2.8 | 4.4 | 7.04 | 11.0 | 18.0 |
| 气密封试验 | 0.4-0.7 | |||||
| 体盖扳 | 阀杆 | 密封面 | 垫片(环) | 填料 | 工作温度℃ | 适用介质 |
| WCB | 2Cr13 |
13Cr STL 本体材料 尼龙 |
增强柔性石墨 1Crl3/柔性石墨 08软钢 0Cr18Ni9Ti OCr18Ni12Mo2Ti |
柔性石墨 增强柔性石墨 SFB-260 SFP-260 |
≤425 |
水、蒸汽、油品 |
| WC1 |
38CrMoAI 25Cr2MoV |
≤450 | ||||
| WC6 | ≤540 | |||||
| WC9 | ≤570 | |||||
| ZGCr5Mo | ≤540 | |||||
| ZG1Cr18Ni9Ti | 1Cr18Ni9Ti | ≤200 | 硝酸类 | |||
| ZGCr18Ni12Mo2Ti | 1C18Ni12Mo2Ti | ≤200 | 醋酸类 |
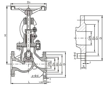
| 1.6MPa | DN | L | D | D1 | D2 | b | n-Φd | H | D0 |
|
凸面法兰 RF J41H J41Y J41W J41F J41N 16C 16P 16R 16I |
10 | 130 | 90 | 60 | 40 | 14 | 4-Φ14 | 198 | 120 |
| 15 | 130 | 95 | 65 | 45 | 14 | 4-Φ14 | 218 | 120 | |
| 20 | 150 | 105 | 75 | 55 | 14 | 4-Φ14 | 258 | 140 | |
| 25 | 160 | 115 | 85 | 65 | 14 | 4-Φ14 | 275 | 140 | |
| 32 | 180 | 135 | 100 | 78 | 16 | 4-Φ18 | 280 | 160 | |
| 40 | 200 | 145 | 110 | 85 | 16 | 4-Φ18 | 330 | 180 | |
| 50 | 230 | 160 | 125 | 100 | 16 | 4-Φ18 | 350 | 200 | |
| 65 | 290 | 180 | 145 | 120 | 18 | 4-Φ18 | 370 | 280 | |
| 80 | 310 | 195 | 160 | 135 | 20 | 8-Φ18 | 400 | 280 | |
| 100 | 350 | 215 | 180 | 155 | 20 | 8-Φ18 | 415 | 320 | |
| 125 | 400 | 245 | 210 | 185 | 22 | 8-Φ18 | 460 | 360 | |
| 150 | 480 | 280 | 240 | 210 | 24 | 8-Φ23 | 510 | 450 | |
| 200 | 600 | 335 | 295 | 265 | 26 | 12-Φ23 | 710 | 500 | |
| 250 | 650 | 405 | 335 | 320 | 30 | 12-Φ25 | 786 | 550 | |
| 300 | 750 | 460 | 410 | 375 | 30 | 12-Φ25 | 925 | 600 |
| 2.5MPa | DN | L | D | D1 | D2 | b | n-Φd | H | D0 |
| 10 | 130 | 90 | 60 | 40 | 16 | 4-Φ14 | 198 | 120 | |
| 15 | 130 | 95 | 65 | 45 | 16 | 4-Φ14 | 218 | 120 | |
| 20 | 150 | 105 | 75 | 55 | 16 | 4-Φ14 | 258 | 140 | |
| 25 | 160 | 115 | 85 | 65 | 16 | 4-Φ14 | 275 | 140 | |
| 32 | 180 | 135 | 100 | 78 | 18 | 4-Φ18 | 280 | 160 | |
| 40 | 200 | 145 | 110 | 85 | 18 | 4-Φ18 | 330 | 180 | |
| 50 | 230 | 160 | 125 | 100 | 20 | 4-Φ18 | 350 | 200 | |
| 65 | 290 | 180 | 145 | 125 | 22 | 8-Φ18 | 400 | 280 | |
| 80 | 310 | 195 | 160 | 135 | 22 | 8-Φ18 | 355 | 280 | |
| 100 | 350 | 230 | 190 | 160 | 24 | 8-Φ23 | 415 | 320 | |
| 125 | 400 | 270 | 220 | 188 | 28 | 8-Φ25 | 460 | 360 | |
| 150 | 480 | 300 | 250 | 218 | 30 | 8-Φ25 | 510 | 450 | |
| 200 | 600 | 360 | 310 | 278 | 34 | 12-Φ25 | 710 | 500 | |
| 250 | 622 | 425 | 370 | 332 | 36 | 12-Φ30 | 786 | 550 | |
| 300 | 698 | 485 | 430 | 390 | 40 | 16-Φ30 | 925 | 600 |
| 4.0MPa | DN | L | D | D1 | D2 | D6 | b | n-Φd | H | D0 |
|
凹凸法兰 MFM J41H J41Y J41W J41N 40 40P 40R 40I |
10 | 130 | 90 | 60 | 41 | 35 | 14 | 4-Φ14 | 198 | 120 |
| 15 | 130 | 95 | 65 | 45 | 40 | 16 | 4-Φ14 | 233 | 120 | |
| 20 | 150 | 105 | 75 | 55 | 51 | 16 | 4-Φ14 | 295 | 140 | |
| 25 | 160 | 115 | 85 | 65 | 58 | 16 | 4-Φ14 | 285 | 160 | |
| 32 | 180 | 135 | 100 | 78 | 66 | 18 | 4-Φ18 | 302 | 160 | |
| 40 | 200 | 145 | 110 | 85 | 76 | 18 | 4-Φ18 | 355 | 200 | |
| 50 | 230 | 160 | 125 | 100 | 88 | 20 | 4-Φ18 | 373 | 200 | |
| 65 | 290 | 180 | 145 | 120 | 110 | 22 | 8-Φ18 | 408 | 280 | |
| 80 | 310 | 195 | 160 | 135 | 121 | 22 | 8-Φ18 | 436 | 280 | |
| 100 | 350 | 230 | 190 | 160 | 150 | 24 | 8-Φ23 | 480 | 320 | |
| 125 | 4001 | 270 | 220 | 188 | 176 | 28 | 8-Φ25 | 588 | 360 | |
| 150 | 480 | 300 | 250 | 218 | 204 | 30 | 8-Φ25 | 611 | 400 | |
| 200 | 600 | 375 | 320 | 282 | 260 | 38 | 12-Φ30 | 720 | 400 |
| 6.4MPa | 15 | 170 | 105 | 75 | 55 | 40 | 18 | 4-14Φ | 195 | 400 |
|
凹凸法兰 MFM J41H J41Y J41W J41N 64 64P 64R 64I |
20 | 190 | 125 | 90 | 68 | 51 | 20 | 4-Φ18 | 228 | 160 |
| 25 | 210 | 135 | 100 | 78 | 58 | 22 | 4-Φ18 | 275 | 180 | |
| 32 | 230 | 150 | 110 | 82 | 66 | 24 | 4-Φ23 | 325 | 200 | |
| 40 | 260 | 165 | 125 | 95 | 76 | 24 | 4-Φ23 | 360 | 240 | |
| 50 | 300 | 175 | 135 | 105 | 88 | 26 | 4-Φ23 | 410 | 280 | |
| 65 | 340 | 200 | 160 | 130 | 110 | 28 | 8-Φ23 | 450 | 320 | |
| 80 | 380 | 210 | 170 | 140 | 121 | 30 | 8-Φ23 | 485 | 360 | |
| 100 | 430 | 250 | 200 | 168 | 150 | 32 | 8-Φ25 | 537 | 400 | |
| 125 | 500 | 295 | 240 | 202 | 176 | 36 | 8-Φ30 | 631 | 400 | |
| 150 | 550 | 340 | 280 | 240 | 204 | 38 | 8-Φ34 | 646 | 450 | |
| 200 | 650 | 405 | 345 | 300 | 260 | 44 | 12-Φ34 | 813 | 500 |
声明:【J41H手动法兰截止阀】规格型号、结构尺寸由上海凯利科阀门有限公司提供,如何选择适用的J41H手动法兰截止阀产品,使之在工艺控制中安全可靠、经济适用,可致电我司销售部门及技术部门,我们将在最短的时间内为您解答! |