

DJ64Y,DJ44Y低温角式截止阀
DJ64Y、DJ44Y低温角式截止阀适用于低温液体贮运设备的管理系统,具有开关灵活、密封可靠的特点,也可用于其他低温和深冷介质的管理系统。
| 产品名称: | 低温角式截止阀 | 产品型号: | DJ64Y、DJ44Y |
| 公称通径: | DN15~DN300 | 结构形式: | 截止式 |
| 公称压力: | 1.6MPa~16.0MPa | 连接方式: | 法兰、焊接、螺纹 |
| 适用温度: | -29ºC~-196ºC | 驱动方式: | 手轮、伞齿轮 |
| 阀体材质: | LCB碳钢、LC3不锈钢 | 制造标准: | 国标GB、德国DIN、美国API、ANSI |
| 适用介质: | 液化天然气、液氮、液氨、乙烯、丙烯、甲烷 | 生产厂家: | 上海凯利科阀门有限公司 |
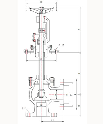
| 产品型号 | DJ64Y低温角式截止阀 |
重量 (kg) |
||||||||
| 产品代号 |
通径 DN(mm) |
尺 寸(mm) | ||||||||
| k | h | H1 | H2 | L | D1 | D2 | D0 | |||
| 433K10AB2A3 | 10 | 35 | 20 | 268 | 260 | 8 | 10 | 14.5 | 65 | 1.4 |
| 433K15AB2A3 | 15 | 40 | 25 | 268 | 260 | 8 | 15 | 18.5 | 65 | 1.6 |
| 433K20AB2A3 | 20 | 45 | 30 | 332 | 320 | 8 | 20 | 25.5 | 100 | 2.3 |
| 433K25AB2A3 | 25 | 50 | 35 | 332 | 320 | 8 | 25 | 32.5 | 100 | 2.5 |
| 433K32AB2A3 | 32 | 55 | 40 | 400 | 380 | 10 | 32 | 38.5 | 120 | 4.9 |
| 433K40AB2A3 | 40 | 60 | 50 | 400 | 380 | 10 | 40 | 48.5 | 120 | 5.1 |
| 433K50AB2A3 | 50 | 80 | 60 | 493 | 470 | 10 | 50 | 57.5 | 160 | 10.4 |
| 433K65AB2A3 | 65 | 90 | 70 | 493 | 470 | 10 | 65 | 76.5 | 160 | 13.5 |
| 433K80AB2A3 | 80 | 100 | 80 | 538 | 500 | 15 | 80 | 89.5 | 200 | 23.6 |
| 433K100AB2A3 | 100 | 110 | 90 | 550 | 510 | 15 | 100 | 108.5 | 240 | 31.1 |
| 产品型号 | DJ44Y低温角式截止阀 |
重量 (kg) |
||||||||||||
| 产品代号 |
通径 DN(mm) |
尺寸(mm) | ||||||||||||
| L | H1 | H2 | D | D1 | D2 | D6 | L1 | L2 | Z1-d1 | Z-d | D0 | |||
| 122K25GB2A3 | 25 | 250-600 | 269 | 244 | 100 | 75 | 142 | 53 | 80 | 62 | 4-10 | 4-12 | 120 | 11.5 |
| 122K40GB2A3 | 40 | 250-800 | 292 | 272 | 130 | 100 | 160 | 76 | 90 | 90 | 6-14 | 4-14 | 160 | 21.7 |
| 122K50GB2A3 | 50 | 300-800 | 306 | 282 | 140 | 110 | 165 | 86 | 100 | 100 | 6-14 | 6-14 | 160 | 28.8 |
| 122K65GB2A3 | 65 | 300-1000 | 342 | 305 | 160 | 130 | 185 | 106 | 115 | 115 | 6-14 | 6-14 | 200 | 34.3 |
| 122K80GB2A3 | 80 | 300-1000 | 350 | 310 | 185 | 150 | 200 | 121 | 130 | 130 | 6-14 | 6-14 | 200 | 46.5 |
| 122K100GB2A3 | 100 | 300-1000 | 385 | 340 | 205 | 170 | 225 | 142 | 140 | 140 | 8-14 | 8-18 | 280 | 58.7 |
| 122K125GB2A3 | 125 | 300-1000 | 390 | 350 | 235 | 200 | 250 | 170 | 145 | 145 | 8-14 | 8-18 | 280 | 69.8 |
| 122K150GB2A3 | 150 | 300-1000 | 420 | 360 | 260 | 225 | 290 | 194 | 165 | 165 | 8-14 | 10-18 | 320 | 99.2 |
| 122K200GB2A3 | 200 | 500-1200 | 439 | 374 | 315 | 280 | 340 | 248 | 205 | 205 | 12-14 | 12-18 | 360 | 120 |
| 122K250GB2A3 | 250 | 500-1200 | 525 | 440 | 370 | 335 | 435 | 300 | 250 | 250 | 12-14 | 16-18 | 400 | 207 |
| 122K300GB2A3 | 300 | 500-1200 | 535 | 440 | 435 | 395 | 520 | 354 | 270 | 270 | 16-18 | 16-18 | 450 | 252 |
| 122K350GB2A3 | 350 | 500-1200 | 618 | 498 | 485 | 445 | 550 | 404 | 300 | 300 | 12-18 | 12-22 | 500 | 478 |
声明:【DJ64Y,DJ44Y低温角式截止阀】规格型号、结构尺寸由上海凯利科阀门有限公司提供,如何选择适用的DJ64Y,DJ44Y低温角式截止阀产品,使之在工艺控制中安全可靠、经济适用,可致电我司销售部门及技术部门,我们将在最短的时间内为您解答! |