首页
公司介绍
新闻中心
组织机构
服务理念
售后服务
联系我们
产品中心
jtgk.png

产品中心

Y43H铸钢减压阀

您的位置:阀门 - 减压阀 - Y43H铸钢减压阀 更新时间:2024-07-27 09:07:37
Y43H铸钢减压阀
    • 质量安全:压力、材质、密封等全方位检测确保质量过关!
    • 价格比较:在相同品质的情况下,厂里直销,更具有优势!
    • 交货快捷:常规产品现货供应,生产加工销售一条龙服务!
      上海凯利科阀门竭诚为您提供安全可靠的Y43H铸钢减压阀成套技术方案,以及售前选型报价,售后技术指导、安装、调试服务!

    • 产品描述
    • 在线询价
    • 技术咨询
    Y43H铸钢减压阀Y43H铸钢减压阀

    Y43H铸钢减压阀本系列减压阀属于铸钢减压阀。由主阀和导阀两部分组成。主阀主要由阀座、主阀盘、活塞、弹簧等零件组成。导阀主要由阀座、阀瓣、膜片、弹簧、调节弹簧等零件组成。通过调节调节弹簧压力设定出口压力、利用膜片传感出口压力变化,通过导阀启闭驱动活塞调节主阀节流部位过流面积的大小,实现减压稳压功能。

    产品名称: 铸钢减压阀 产品型号: Y43H
    公称通径: DN15~DN500 结构形式: 活塞式、先导式
    工作压力: 1.0MPa~6.4.0MPa~16.0MPa 连接方式: 法兰、螺纹
    适用温度: -20ºC~+425ºC 功能作用: 减压后稳压
    阀体材质: 铸铁、铸钢、不锈钢 制造标准: 国标GB、德国DIN、美国API、ANSI
    适用介质: 水、油、蒸汽等 生产厂家: 上海凯利科阀门有限公司

    产品说明

    Y43H铸钢减压阀本系列减压阀属于铸钢减压阀。由主阀和导阀两部分组成。主阀主要由阀座、主阀盘、活塞、弹簧等零件组成。导阀主要由阀座、阀瓣、膜片、弹簧、调节弹簧等零件组成。通过调节调节弹簧压力设定出口压力、利用膜片传感出口压力变化,通过导阀启闭驱动活塞调节主阀节流部位过流面积的大小,实现减压稳压功能。

    性能范围

    公称压力(MPa) 1.6 2.5 4.0 6.4 10.0 16.0
    壳化试验压力(Mpa) 2.4 3.75 6.0 9.6 15.0 24
    密封试验压力(Mpa) 1.6 2.5 4.0 6.4 10.0 16.0
    最高进口压力(Mpa) 1.6 2.5 4.0 6.4 10.0 16.0
    出口压力范围(Mpa) 1.0-1.0 0.1-1.6 0.1-2.5 0.5-3.5 0.5-35 0.5-45
    压力特性偏差(Mpa)△P2P GB12246-1989
    流量特性偏差(Mpa)△P2G GB12246-1989
    最小压差(Mpa) 0.15 0.15 0.2 0.4 0.8 1.0
    渗漏量 GB12245-1989
    标准 其他非标定制

    减压阀流量系数(Cv)

    DN 15 20 25 32 40 50 65 80 100 125 150 200 250 300 350 400 500
    Cv 1 2.5 4 6.5 9 16 25 36 64 100 140 250 400 570 780 1020 1500

    主要零件材料

    零件名称 零件材料
    阀体阀盖底盖 WCB
    阀座阀盘 2Cr13
    缸套 2Cr13/铜合金
    活塞 合金铸铁
    导阀座导阀杆 2Cr13
    主阀弹簧 1Cr18Ni9Ti
    导阀主弹簧 50CrVA
    调节弹簧 60Si12Mn

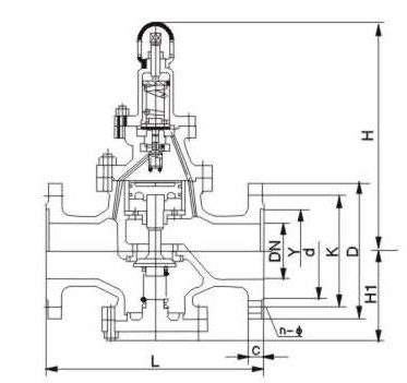
    外形结构图

     

    外形尺寸(PN1.6-4.0)单位:mm

    公称通径
    DN
    外形尺寸
    L H H1
    1.6/2.5MPa 4.0MPa
    15 160 180 295 90
    20 160 180 330 98
    25 180 200 330 110
    32 200 220 330 110
    40 220 240 345 125
    50 250 270 345 125
    65 280 300 350 130
    80 310 330 385 160
    100 350 380 385 170
    125 400 450 400 200
    150 450 500 415 210
    200 500 550 475 240
    250 650 525 290
    300 800 580 335
    350 850 620 375
    400 900 660 405
    450 900 730 455
    500 950 750 465

    外形尺寸(PN6.4-16.0) 单位:mm

    公称通径
    DN
    外形尺寸
    L H H1
    6.4MPa 10.0/16.0MPa
    15 180 180 305 105
    20 180 200 340 105
    25 200 220 340 120
    32 220 230 340 120
    40 240 240 355 135
    50 270 300 355 135
    65 300 340 360 140
    80 330 360 395 170
    100 380 400 185
    125 450 415 215
    150 500 430 225
    200 550 495 260
    250 650 545 310
    300 800 600 355
    350 850 640 395
    400 900 690 435
    500 950   780 495

    安装说明

    ①为了操作和维护方便,该铸钢减压阀一般直立安装在水平管道上,横向安装须特别说明。
    ②安装时应注意使管路中介质的流向与铸钢减压阀休上所示箭头的方向一致。
    ③为了防止蒸汽后压力超压,应在离阀出口不少于4M处安装一个安全阀。

    声明:【Y43H铸钢减压阀】规格型号、结构尺寸由上海凯利科阀门有限公司提供,如何选择适用的Y43H铸钢减压阀产品,使之在工艺控制中安全可靠、经济适用,可致电我司销售部门及技术部门,我们将在最短的时间内为您解答!

    上一篇:Y42X不锈钢减压阀 下一篇:没有了

    Copyright ©2011-2022 上海凯利科阀门有限公司,版权所有。 沪ICP备11046016号-29 网站地图

    销售电话:021-31001158

    手机号码:13816746668 陈国辉/经理

    电子邮件:klkvalves@126.com@126.com

    主营产品:球阀,闸阀,蝶阀,截止阀,止回阀,调节阀

    本周热门:气动球阀气动蝶阀气动刀闸阀气动调节阀电动球阀电动蝶阀电动刀闸阀电动调节阀不锈钢球阀不锈钢闸阀不锈钢截止阀不锈钢止回阀不锈钢电磁阀高压电磁阀高压球阀波纹管截止阀

    官方网址:www.fm058.com