首页
公司介绍
新闻中心
组织机构
服务理念
售后服务
联系我们
产品中心
jtgk.png

产品中心

Q641F气动带手动球阀

您的位置:阀门 - 球阀 - Q641F气动带手动球阀 更新时间:2024-07-27 09:07:42
Q641F气动带手动球阀
    • 质量安全:压力、材质、密封等全方位检测确保质量过关!
    • 价格比较:在相同品质的情况下,厂里直销,更具有优势!
    • 交货快捷:常规产品现货供应,生产加工销售一条龙服务!
      上海凯利科阀门竭诚为您提供安全可靠的Q641F气动带手动球阀成套技术方案,以及售前选型报价,售后技术指导、安装、调试服务!

    • 产品描述
    • 在线询价
    • 技术咨询
    Q641F气动带手动球阀Q641F气动带手动球阀

    Q641F/H气动带手动球阀采用高精度气动执行器及精铸球阀组成。主要分为气动软密封球阀(≤200°)及气动硬密封球阀(≤550°)两大类。气动球阀具有结构紧凑、体积精小、运行可靠、流阻系数低、密封性好、维修容易、安装方便、适应性强等优点。气动带手动球阀可配行程限位开关、电磁阀、减压阀及0.4-0.7MPa气源可实现开关操作,并送出二对无源触点信号指示阀门的开关。气动球阀特别适合于介质是粘稠、含颗粒、纤维性质的场合。气动球阀广泛应用

    产品名称: 气动带手动球阀 产品型号: Q641F/H
    公称通径: DN15~DN400 结构形式: 球形
    公称压力: 1.6Mpa~32.0Mpa 连接方式: 法兰、对夹、螺纹、焊接
    适用温度: ≤550ºC 驱动方式: 气动(可佩带手操)
    阀体材质: 铸钢、不锈钢 制造标准: 国标GB、德国DIN、美国API、ANSI
    适用介质: 水、油、气体、液体 生产厂家: 上海凯利科阀门有限公司

    产品说明

    Q641F/H气动带手动球阀采用高精度气动执行器及精铸球阀组成。主要分为气动软密封球阀(≤200°)及气动硬密封球阀(≤550°)两大类。气动球阀具有结构紧凑、体积精小、运行可靠、流阻系数低、密封性好、维修容易、安装方便、适应性强等优点。气动带手动球阀可配行程限位开关、电磁阀、减压阀及0.4-0.7MPa气源可实现开关操作,并送出二对无源触点信号指示阀门的开关。气动球阀特别适合于介质是粘稠、含颗粒、纤维性质的场合。气动球阀广泛应用于石油、化工、教学设备、轻工、高压设备、制药、造纸等工业自动控制系统中,作远距离集中控制或就地控制。
    产品特点
    (1)流体阻力小、球阀是所有阀类中流体阻力最小的一种,即使是缩径球阀,其流体阻力也相当小。
    (2)止推轴承减小阀杆摩擦力矩,可使阀杆长期操作平衡灵活。
    (3)阀座密封性能好,采用聚四氟乙烯等材料制成的密封圈,结构易于密封,而且球阀的阀封能力随着介质压力的增设而增大。
    (4)阀杆密封可靠,由于阀杆只作旋转运动而不做升降运动,阀杆的填料密封不易破坏,且密封能力随着介质的压力增设而增大。
    (5)由于聚四氟乙烯等材料具有良好的自润滑性,与球体的摩擦损失小,帮球阀的使用寿命长。
    (6)下装式阀杆和阀杆头部凸阶防止阀杆喷出,如火灾造成阀杆密封破坏,凸阶与阀体间还可形成金属接触,确保阀杆密封。

    技术参数

    公称通径DN(mm) 15 20 25 32 40 50 65 80 100 125 150 200
    额定流量系数KV 21 38 72 112 170 273 384 512 940 1452 2222 3589
    公称压力(MPa) PN1.6、2.5、4.0、6.4 MPa;ANSI 150、300LB
    允许压差(MPa) ≤公称压力
    阀体形式 两段式铸造球阀
    连接形式 法兰式、焊接式、螺纹式
    阀芯形式 "O"型球形阀芯
    密封填料 V型聚四氟乙烯填料、柔性石墨填料等
    流量特性 近似快开型
    动作范围 0~90°
    泄露量Q 按GB/T4213-92,小于额定KV0.01%
    可调范围 250:1 350:1
    配置执行机构 可配GT、SR、ST、AT、AW等系列气动执行机构
    控制方式 开关型(开关两位控制)、调节型(4~20mA控制)
    执行器参数
    执行器型号 GT、AT、AR、AW系列单双作用气动执行器
    供气压力 0.4~0.7MPa
    气源接口 G1/4"、G1/8"、G3/8"、G1/2"
    环境温度 -30~+70℃
    作用形式 单作用执行机构:气关式(B)--失气时阀位开(FO);气开式(K)--失气时阀位关(FC)
    双作用执行机构:气关式(B)--失气时阀位保持(FL);气开式(K)-- 失气时阀位保持(FL)
    可配附件 定位器、电磁阀、空气过滤减压器、保位阀、行程开关、阀位传送器、手轮机构等

    零件材料

    零件名称 材料
    阀体 WCB 304(CF8) 316(CF8M) 316L(CF3M)
    球体 2Cr13+氮化处理 304 316 316L
    阀杆 2Cr13 304 316 316L
    阀座密封圈 PTFE(聚四氟乙烯)、PPL(对位聚苯)、金属密封(硬质合金)
    填料 V型PTFE四氟填料、柔性石墨

    性能规范

    公称通径DN(mm) DN15-300
    公称压力 PN(MPa) 1.0 1.6 2.5 4.0 6.4
    试验压力 强度试验 1.5 2.4 3.75 6.0 9.60
    密封试验 1.1 1.76 2.75 4.4 7.04
    低压气密试验 0.5~0.7
    适用介质 水、油、蒸气、硝酸类(温度≤200℃)、醋酸类(温度≤200℃)

    气动执行器主要部件材料

    零件名称 缸体 端盖 活塞 O型圈 指示轴 螺栓
    QW系列
    AT系列
    铝合金型材
    (硬质阳极氧化)
    压铸铝合金
    (环氧树脂喷涂)
    压铸铝
    (镀镍磷合金)
    NBR ABC SUS304
    AW系列 铸钢
    (硬质阳极氧化)
      压铸铝
    (镀镍磷合金)
    NBR ABC SUS304

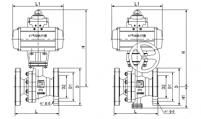
    结构图

     

    主要外形尺寸 (单位;mm)

    DN L H D D1 L0 Z-φd 执行器型号
    15 130 200 95 65 165 4-φ14 QW01/AT50D
    20 140 204 105 75 165 4-φ14 QW01/AT50D
    25 150 215 115 85 165 4-φ14 QW01/AT63D
    32 165 240 135 100 225 4-φ18 QW02/AT63D
    40 180 265 145 110 225 4-φ18 QW02/AT75D
    50 200 275 160 125 225 4-φ18 QW02/AT75D
    65 220 379 180 145 245 4-φ14/4-φ18 QW03/AT88D
    80 250 390 195 160 330 8-φ18 QW04/AT100D
    100 280/320 416 215/230 180/190 330 8-φ18/8-φ23 QW04/AT115D
    125 320/381 542 245/270 210/220 380 8-φ18/8-φ25 QW05/AT145D
    150 360/400 572 280/300 240/250 380 8-φ23/8-φ25 QW06/AT160D
    200 400/500 736 335/360 295/310 440 12-φ25/12-φ25 AW17
    250 530/568 926 405/425 355/370 580 12-φ25/12-φ30 AW20
    300 600/648 1059 460/485 410/430 715 12-φ25/16-φ30 AW28
    350 550/762 1127 520/550 470/490 875 16-φ25/16-φ34 AW28
    400 600/838 1398 580/610 525/550 995 16-φ30/16-φ34 AW35
     

    声明:【Q641F气动带手动球阀】规格型号、结构尺寸由上海凯利科阀门有限公司提供,如何选择适用的Q641F气动带手动球阀产品,使之在工艺控制中安全可靠、经济适用,可致电我司销售部门及技术部门,我们将在最短的时间内为您解答!

    Copyright ©2011-2022 上海凯利科阀门有限公司,版权所有。 沪ICP备11046016号-29 网站地图

    销售电话:021-31001158

    手机号码:13816746668 陈国辉/经理

    电子邮件:klkvalves@126.com@126.com

    主营产品:球阀,闸阀,蝶阀,截止阀,止回阀,调节阀

    本周热门:气动球阀气动蝶阀气动刀闸阀气动调节阀电动球阀电动蝶阀电动刀闸阀电动调节阀不锈钢球阀不锈钢闸阀不锈钢截止阀不锈钢止回阀不锈钢电磁阀高压电磁阀高压球阀波纹管截止阀

    官方网址:www.fm058.com