



Q641H,Q641Y气动高温球阀
Q641H/Y气动高温球阀是采用金属硬密封球阀及活塞式气动执行器组成。密封面采用金属硬密封阀座,可适用于≤500°以内的介质。气动高温球阀可配以阀门定位器输入控制信号(4-20mADC或1-5VDC)气源即可控制运转。亦可配行程限位开关、电磁阀、减压阀及0.4~0.7MPa气源可实现开关操作,并送出二对无源触点信号指示阀门的开关。气动高温球阀整体具有结构紧凑、体积精小、运行可靠、密封性好、维修容易、安装方便、适应性强等优点。特别适合于介质是粘稠、
| 产品名称: | 气动高温球阀 | 产品型号: | Q641H/Y |
| 公称通径: | DN15~DN300 | 结构形式: | 球形 |
| 公称压力: | 1.6Mpa~16.0Mpa | 连接方式: | 法兰、对夹、内螺纹、焊接 |
| 适用温度: | ≤550ºC | 驱动方式: | 气动(可佩带手动) |
| 阀体材质: | 铸钢、不锈钢 | 制造标准: | 国标GB、德国DIN、美国API、ANSI |
| 适用介质: | 水、油、气体、液体 | 生产厂家: | 上海凯利科阀门有限公司 |
| 公称通径DN(mm) | 15~300 | 执行器型号 | GT、AT、AW系列单双作用气动执行器 |
| 公称压力(MPa) | PN1.6、2.5、4.0、6.4 10.0、16.0、MPa | 供气压力 | 0.4~0.7MPa |
| 阀体形式 | 两段式铸造球阀 | 气源接口 | G1/4"、G1/8"、G3/8"、G1/2" |
| 连接形式 | 法兰式、焊接式 | 环境温度 | -30~+70℃ |
| 阀芯形式 | "O"型球形阀芯 | 作用形式 | 单作用执行机构、双作用执行机构 |
| 密封填料 | 柔性石墨、金属缠绕垫片 | 可配附件 | 定位器、电磁阀、空气过滤减压器、保位阀、行程开关、阀位传送器、手轮机构等 |
| 流量特性 | 近似快开型 |
采用新型气动执行器,有双作用式和单作用式(弹簧复位),齿轮齿条传动,安全可靠;大口径阀门采用系列AW型气动执行器拔叉式传动,结构合理,输出力大,有双作用式和单作用式。 1、齿轮式双活塞,输出力矩大,体积小。 2、气缸选用铝金材料,重量轻、外形美观。 3、可在顶部、底部安装手动操作机构。 4、齿条式连接可调节开启角度、额定流量。 5、执行器可选带电讯号反馈指示及附件以实现自动化操作。 6、IS05211标准连接为产品的安装更换提供了方便。 7、两端调的节螺钉可使标准产品在0°和90°有±4°的可调范围。确保与阀门的同步精度。 |
|
| 动作范围 | 0~90° | ||
| 泄露量Q | 按GB/T4213-92,小于额定KV0.01% | ||
| 适用温度 | PPL≤300℃、硬密封≤450℃ | ||
| 基本误差 | 带定位器:小于全行程的±2% | ||
| 死区 | 带定位器:小于全行程的2% | ||
| 可调范围 | 250:1 | ||
| 配置执行机构 | GT、AT、AW系列单双作用气动执行器 | ||
| 控制方式 | 开关两位控制、4-20mA模拟量控制 | ||
| 设计与制造 | GB12237-89、API608、API 6D、JPI 7S-48、BS5351、DIN3357 |
| 法兰尺寸 | JB/T74~90、GB9112~9131、HGJ44~76、SH3406、ANSI B16.5、JIS B2212~2214、DIN2543 |
| 结构长度 | GB12221-89、ANSI B16.10、JIS B2002、NF E29-305、DIN3202 |
| 检验与试验 | JB/T 9092、API 598、GB/T13927 |
| 零件名称 | 材料名称 | |||
| 阀体 | WCB | 304(CF8) | 316(CF8M) | 316L(CF3M) |
| 球体 | 2Cr13+氮化处理 | 304 | 316 | 316L |
| 阀杆 | 2Cr13 | 304 | 316 | 316L |
| 密封圈 | 增强聚四氟乙烯(PPL)、对位聚苯、不锈钢密封圈 | |||
| 适用介质 | 水、气体、蒸汽、油品等 | 硝酸等腐蚀性介质 | 醋酸等腐蚀介质 | 尿素等腐蚀性介质 |

| 公称通径DN(mm) | DN15-300 | |||||
| 公称压力 | PN(MPa) | 1.0 | 1.6 | 2.5 | 4.0 | 6.4 |
| 试验压力 | 强度试验 | 1.5 | 2.4 | 3.75 | 6.0 | 9.60 |
| 密封试验 | 1.1 | 1.76 | 2.75 | 4.4 | 7.04 | |
| 低压气密试验 | 0.5~0.7 | |||||
| 适用介质 | 水、油、蒸气、硝酸类(温度≤200℃)、醋酸类(温度≤200℃) | |||||

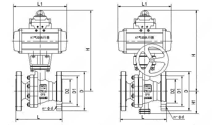
| 公称通径DN(mm) | 主要尺寸 | 法兰尺寸 | ||||||||||
| PN1.6MPa | PN2.5MPa | |||||||||||
| L | H | H1 | L1 | D | D1 | D2 | n-φd | D | D1 | D2 | n-φd | |
| 15 | 130 | 235 | / | 140 | 95 | 65 | 46 | 4-14 | 95 | 65 | 46 | 4-14 |
| 20 | 140 | 242 | / | 140 | 105 | 75 | 45 | 4-14 | 105 | 75 | 56 | 4-14 |
| 25 | 150 | 245 | / | 140 | 115 | 85 | 65 | 4-14 | 115 | 85 | 65 | 4-14 |
| 32 | 165 | 267 | / | 164 | 140 | 100 | 76 | 4-18 | 140 | 100 | 76 | 4-18 |
| 40 | 180 | 267 | / | 164 | 150 | 110 | 84 | 4-18 | 150 | 110 | 84 | 4-18 |
| 50 | 200 | 310 | 102 | 190 | 165 | 125 | 99 | 4-18 | 165 | 125 | 99 | 4-18 |
| 65 | 220 | 340 | 114 | 210 | 185 | 145 | 118 | 4-18 | 185 | 145 | 118 | 8-18 |
| 80 | 250 | 373 | 127 | 247 | 200 | 160 | 132 | 8-18 | 200 | 160 | 132 | 8-18 |
| 100 | 280 | 430 | 152 | 276 | 220 | 180 | 156 | 8-18 | 235 | 190 | 156 | 8-22 |
| 125 | 320 | 520 | 184 | 348 | 250 | 210 | 184 | 8-18 | 270 | 220 | 184 | 8-26 |
| 150 | 360 | 560 | 219 | 378 | 285 | 240 | 211 | 8-22 | 300 | 250 | 211 | 8-26 |
| 200 | 400 | 710 | 273 | 524 | 340 | 295 | 266 | 12-22 | 360 | 310 | 274 | 12-26 |
| 250 | 630 | / | 360 | / | 405 | 355 | 319 | 12-26 | 425 | 370 | 330 | 12-30 |
| 300 | 750 | / | 395 | / | 460 | 410 | 370 | 12-26 | 485 | 430 | 389 | 16-30 |
声明:【Q641H,Q641Y气动高温球阀】规格型号、结构尺寸由上海凯利科阀门有限公司提供,如何选择适用的Q641H,Q641Y气动高温球阀产品,使之在工艺控制中安全可靠、经济适用,可致电我司销售部门及技术部门,我们将在最短的时间内为您解答! |