首页
公司介绍
新闻中心
组织机构
服务理念
售后服务
联系我们
产品中心
jtgk.png

产品中心

BQ641F,BQ641Y气动保温球阀

您的位置:阀门 - 球阀 - BQ641F,BQ641Y气动保温球阀 更新时间:2024-07-27 09:07:42
BQ641F,BQ641Y气动保温球阀
    • 质量安全:压力、材质、密封等全方位检测确保质量过关!
    • 价格比较:在相同品质的情况下,厂里直销,更具有优势!
    • 交货快捷:常规产品现货供应,生产加工销售一条龙服务!
      上海凯利科阀门竭诚为您提供安全可靠的BQ641F,BQ641Y气动保温球阀成套技术方案,以及售前选型报价,售后技术指导、安装、调试服务!

    • 产品描述
    • 在线询价
    • 技术咨询
    BQ641F,BQ641Y气动保温球阀BQ641F,BQ641Y气动保温球阀

    BQ641F/Y气动保温球阀具有良好的保温保冷特性,且阀门的通径与管径一致,同时又能有效降低管路中介质热量损失。主要用于石油、化工、冶金、制药、食品等各类系统中,以输送常温下会凝固的高粘度介质。由于采用整体式结构,因而保温球阀比一般球阀何种更小,重量更轻,且无外漏,密封性能良好,夹套采用碳素钢管焊接比铸造的更加耐压牢固。

    产品名称: 气动保温球阀 产品型号: BQ641F/Y
    公称通径: DN15~DN200 结构形式: 球形
    公称压力: 1.6Mpa~4.0Mpa 连接方式: 法兰、对夹
    适用温度: ≤450ºC 驱动方式: 气动(可佩带手动)
    阀体材质: 铸钢、不锈钢 制造标准: 国标GB、德国DIN、美国API、ANSI
    适用介质: 高粘度介质 生产厂家: 上海凯利科阀门有限公司

    产品说明

    BQ641F/Y气动保温球阀具有良好的保温保冷特性,且阀门的通径与管径一致,同时又能有效降低管路中介质热量损失。主要用于石油、化工、冶金、制药、食品等各类系统中,以输送常温下会凝固的高粘度介质。由于采用整体式结构,因而保温球阀比一般球阀何种更小,重量更轻,且无外漏,密封性能良好,夹套采用碳素钢管焊接比铸造的更加耐压牢固。

    技术参数

    公称通径DN(mm) 15 20 25 32 40 50 65 80 100 125 150 200
    额定流量系数KV 21 38 72 112 170 273 384 512 940 1452 2222 3589
    公称压力(MPa) PN1.6、2.5、4.0、6.4 MPa;ANSI 150、300LB
    阀体形式 法兰式:分体式铸造球阀;对夹式:整体式铸造阀体
    连接形式 法兰式、对夹式
    阀芯形式 "O"型球形阀芯
    泄露量Q 按GB/T4213-92,小于额定KV0.01% (软密封:零泄露)
    基本误差 带定位器:小于全行程的±2%
    回差 带定位器:小于全行程的±2%
    可调范围 250:1 350:1
    配置执行机构 GT、AT、ST系列单双作用气动执行器
    控制方式 开关两位控制、4~20mA模拟量信号控制
    执行器参数
    执行器型号 GT、AT、AR、AW系列单双作用气动执行器
    供气压力 0.4~0.7MPa
    气源接口 G1/4"、G1/8"、G3/8"、G1/2"
    环境温度 -30~+70℃
    作用形式 单作用执行机构:气关式(B)--失气时阀位开(FO);气开式(K)--失气时阀位关(FC)
    双作用执行机构:气关式(B)--失气时阀位保持(FL);气开式(K)-- 失气时阀位保持(FL)
    可配附件 定位器、电磁阀、空气过滤减压器、保位阀、行程开关、阀位传送器、手轮机构等

    技术规范

    设计标准 ASME B 16.34 GB/T12224
    结构长度 ASME B 16.10 GB/T12221
    连接法兰 ASME B 16.5、JB/T 79
    驱动方式 手动、电动、气动
    试验和检验 JB/T9092 API 598
    适用介质 重油、胶类、滤清等易凝固介质

    主要零件材料

    序号 零件名称 材质
    C P R
    1 夹套 25 SUS304 SUS316/SUS316L
    2 阀座 WCB SUS304 SUS316/SUS316L
    3 阀体 25 SUS304 SUS316/SUS316L
    4 密封圈 RPTFE、PTFE、对位聚苯
    5 球体 SUS304 SUS304 SUS316/SUS316L
    6 阀杆 1Cr13 SUS304 SUS316/SUS316L
    7 填料 柔性石墨 、RPTFE、PTFE
    8 填料压盖 WCB SUS304 SUS316/SUS316L

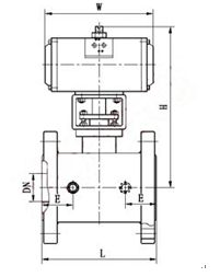
    外形结构图

     

    主要外型尺寸

    公称通径(DN) L E H W 管螺纹
    (mm) (in) P
    20 3/4" 117 58.5 101 170 G3/4"
    25 1" 127 62.5 106 170 G3/4"
    40 1 1/2" 165 63.5 125 250 G3/4"
    50 2" 178 68 135 250 G3/4"
    80 3" 229 82 193 350 G3/4"
    100 4" 254 83 265 420 G3/4"
    150 6" 292 95 355 1000 G3/4"
    200 8" 330 100 410 1300 G3
     

    声明:【BQ641F,BQ641Y气动保温球阀】规格型号、结构尺寸由上海凯利科阀门有限公司提供,如何选择适用的BQ641F,BQ641Y气动保温球阀产品,使之在工艺控制中安全可靠、经济适用,可致电我司销售部门及技术部门,我们将在最短的时间内为您解答!

    上一篇:Q641F气动调节球阀 下一篇:高压球阀

    Copyright ©2011-2022 上海凯利科阀门有限公司,版权所有。 沪ICP备11046016号-29 网站地图

    销售电话:021-31001158

    手机号码:13816746668 陈国辉/经理

    电子邮件:klkvalves@126.com@126.com

    主营产品:球阀,闸阀,蝶阀,截止阀,止回阀,调节阀

    本周热门:气动球阀气动蝶阀气动刀闸阀气动调节阀电动球阀电动蝶阀电动刀闸阀电动调节阀不锈钢球阀不锈钢闸阀不锈钢截止阀不锈钢止回阀不锈钢电磁阀高压电磁阀高压球阀波纹管截止阀

    官方网址:www.fm058.com