



JJM8压力表针型阀
JJM8压力表针型阀是由内螺纹连接,适用于油﹑水﹑气等多种非腐蚀性或腐蚀性介质,适用于-29℃~+440℃ -70℃~-240℃ ≤540℃ ≤570℃。比其他类型的阀门,压力表针型阀具有更好的密封性能和耐受压力的能力,一般用于较小流量较高压力的气体或者液体介质的密封,最合适与与压力表配合。
| 产品名称: | 压力表针型阀 | 产品型号: | JJM8 |
| 公称通径: | DN6 | 结构形式: | 锥面或球面密封 |
| 公称压力: | 2.5MPa~16.0MPa | 连接方式: | 内螺纹 |
| 适用温度: | -40ºC~+540ºC | 驱动方式: | 手动(一字形手柄或菊花形手轮) |
| 阀体材质: | 铸钢、不锈钢 | 制造标准: | 国标GB、德国DIN、美国API、ANSI |
| 适用介质: | 水、油、蒸汽、空气等气体 | 生产厂家: | 上海凯利科阀门有限公司 |
|
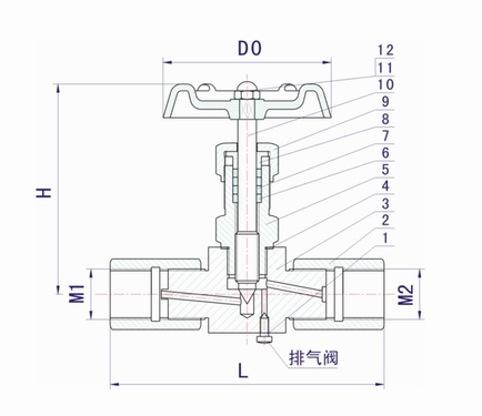
序号 NO. |
零件名称 Part name |
材质 Material |
| 1 | 排气阀Exhaust valve | 20# A105 SS304 SS304L SS316 SS316L |
| 2 | 螺纹套Wrap | 20# A105 SS304 SS304L SS316 SS316L |
| 3 | 阀体 Body | 20# A105 SS304 SS304L SS316 SS316L |
| 4 | 阀盖垫片 Bonnet Gasket | 紫铜(Red copper) PTFE RTFE |
| 5 | 阀盖Bonnet | 20# A105 SS304 SS304L SS316 SS316L |
| 6 | 填料垫 Packing Seat |
PTFE 柔性石墨(Expanded Graphite) 金属盘根(Matel and Graphite) |
| 7 | 填料 Packing | PTFE 柔性石墨(Expanded Graphite) |
| 8 | 填料压盖 Packing Gland | 20# A105 SS304 SS304L SS316 SS316L |
| 9 | 锁紧螺母 Lock Nut | 20# A105 SS304 SS304L SS316 SS316L |
| 10 | 阀杆 Stem | 20# A105 SS304 SS304L SS316 SS316L |
| 11 | 手轮 Handle | 20# A105 SS304 SS304L SS316 SS316L |
| 12 | 带帽螺母 Hooded Nut | 20# A105 SS304 SS304L SS316 SS316L |
|
型号 ITEM NO. |
公称通径 DN |
M1 | M2 | L | H | D0 |
| JJM8-1 | DN6 | M20X1.5 | M20X1.5 | 120 | 93 | ø70 |
| JJM8-2 | DN6 | M20X1.5 | G1/2 | 120 | 93 | ø70 |
声明:【JJM8压力表针型阀】规格型号、结构尺寸由上海凯利科阀门有限公司提供,如何选择适用的JJM8压力表针型阀产品,使之在工艺控制中安全可靠、经济适用,可致电我司销售部门及技术部门,我们将在最短的时间内为您解答! |