
J43H-40P-64P-160P-320P法兰式针型阀
J43H-40P-64P-160P-320P法兰式针型阀是由法兰式连接,适用于油﹑水﹑气等多种非腐蚀性或腐蚀性介质,适用于-29℃~+440℃ -70℃~-240℃ ≤540℃ ≤570℃。比其他类型的阀门,针型阀具有更好的密封性能和耐受压力的能力,一般用于较小流量,较高压力的气体或者液体介质的密封,最合适与与压力表配合。
| 产品名称: | 法兰式针型阀 | 产品型号: | J43H-40P-64P-160P-320P |
| 公称通径: | DN10~DN25 | 结构形式: | 针型截止式 |
| 公称压力: | 1.6MPa~32.0MPa | 连接方式: | 法兰 |
| 适用温度: | -40ºC~+540ºC | 驱动方式: | 手动(一字形手柄或菊花形手轮) |
| 阀体材质: | 铸钢、不锈钢 | 制造标准: | 国标GB、德国DIN、美国API、ANSI |
| 适用介质: | 水、油、蒸汽、空气等气体 | 生产厂家: | 上海凯利科阀门有限公司 |
|
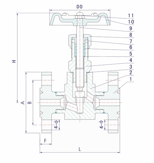
序号 NO. |
零件名称 Part name |
材质 Material |
| 1 | 法兰 Flang | 20# A105 SS304 SS304L SS316 SS316L |
| 2 | 阀体 Body | 20# A105 SS304 SS304L SS316 SS316L |
| 3 | 阀盖垫片 Bonnet Gasket | 紫铜(Red copper) PTFE |
| 4 | 阀盖Bonnet | 20# A105 SS304 SS304L SS316 SS316L |
| 5 | 填料垫 Packing Seat |
PTFE 柔性石墨(Expanded Graphite) 金属盘根(Matel and Graphite) |
| 6 | 填料 Packing | PTFE 柔性石墨(Expanded Graphite) |
| 7 | 填料压盖 Packing Gland | 20# A105 SS304 SS304L SS316 SS316L |
| 8 | 锁紧螺母 Lock Nut | 20# A105 SS304 SS304L SS316 SS316L |
| 9 | 阀杆 Stem | 20# A105 SS304 SS304L SS316 SS316L |
| 10 | 手轮 Handle | 20# A105 SS304 SS304L SS316 SS316L |
| 11 | 带帽螺母 Hooded Nut | 20# A105 SS304 SS304L SS316 SS316L |
|
型号 Type |
公称压力(MPa)Nominal pressure | 试验压力(MPa)Test pressure | 工作压力(MPa)Working pressure | 工作温度(℃)Working temperature |
适用介质 Applicable mediun |
||
|
壳体 Shell |
密封(液) Seal |
密封(气) Seal |
|||||
| J43H-16 | 1.6 | 2.4 | 1.76 | 0.6 | 1.6 | P<540℃ | 液化石油气水、酸、蒸汽、油品等Petroleun gas Water,Asic,Steam,Oil etc. |
| J43H-40P | 4.0 | 6.0 | 4.4 | 0.6 | 4.0 | ||
| J43H-160 | 16.0 | 24.0 | 17.6 | 0.6 | 16.0 | C<425℃ | |
| J43H-320P | 32.0 | 48.0 | 35.2 | 0.6 | 32.0 | ||
| 型号 |
公称通径 DN Nominal bore |
A | B | C | F | N-ø | L | H | D0 |
| J43H-40P-64P-160P-320P | DN10 | 90 | 60 | 41 | 14 | 4-ø14 | 130 | 90 | 60 |
| J43H-40P-64P-160P-320P | DN15 | 95 | 65 | 46 | 14 | 4-ø14 | 132 | 90 | 60 |
| J43H-40P-64P-160P-320P | DN20 | 105 | 75 | 56 | 16 | 4-ø14 | 150 | 105 | 80 |
| J43H-40P-64P-160P-320P | DN25 | 115 | 85 | 65 | 16 | 4-ø14 | 150 | 120 | 100 |
声明:【J43H-40P-64P-160P-320P法兰式针型阀】规格型号、结构尺寸由上海凯利科阀门有限公司提供,如何选择适用的J43H-40P-64P-160P-320P法兰式针型阀产品,使之在工艺控制中安全可靠、经济适用,可致电我司销售部门及技术部门,我们将在最短的时间内为您解答! |