首页
公司介绍
新闻中心
组织机构
服务理念
售后服务
联系我们
产品中心
jtgk.png

产品中心

X43F美标卡套式旋塞阀

您的位置:阀门 - 旋塞阀 - X43F美标卡套式旋塞阀 更新时间:2024-08-01 11:08:04
X43F美标卡套式旋塞阀
    • 质量安全:压力、材质、密封等全方位检测确保质量过关!
    • 价格比较:在相同品质的情况下,厂里直销,更具有优势!
    • 交货快捷:常规产品现货供应,生产加工销售一条龙服务!
      上海凯利科阀门竭诚为您提供安全可靠的X43F美标卡套式旋塞阀成套技术方案,以及售前选型报价,售后技术指导、安装、调试服务!

    • 产品描述
    • 在线询价
    • 技术咨询
    X43F美标卡套式旋塞阀X43F美标卡套式旋塞阀

    X43F美标卡套式旋塞阀由阀体、阀盖、卡套、塞子、及其他零部件组成通过旋转带孔塞子,使塞子孔与阀体孔对齐或错开,适用于公称压力级class150lb-900lb,工作温度-29-180℃的食品、石油、化工、制药、化肥、电力、贵金属等管路。

    产品名称: 美标卡套式旋塞阀 产品型号: X43F
    公称通径: DN15~DN400 结构形式: 圆柱形或圆锥形
    公称压力: 150LB~300LB~600LB~900LB 连接方式: 法兰
    适用温度: -29ºC~+180ºC 驱动方式: 手动、蜗轮
    阀体材质: 铸钢、不锈钢 制造标准: 国标GB、德国DIN、美国API、ANSI
    适用介质: 水、油、蒸汽等 生产厂家: 上海凯利科阀门有限公司

    产品说明

    X43F美标卡套式旋塞阀由阀体、阀盖、卡套、塞子、及其他零部件组成,通过旋转带孔塞子,使塞子孔与阀体孔对齐或错开,适用于公称压力级class150lb-900lb,工作温度-29-180℃的食品、石油、化工、制药、化肥、电力、贵金属等管路。

    标准规范

    设计标准按照API599、API6D
    结构长度按照ANSI B16.10
    法兰连接按照ANSI B16.5
    检验试验按照API598、API6D

    结构特点

    1、产品结构精巧、密封可靠、密封寿命长、性能优越、造型符合工艺美学。
    2、通过软性卡套与金属塞子过盈配合保证密封、可调节性强。
    3、阀门可全方位安装,不受安装方向的控制;阀门体积小,对安装空间没有特殊要求。
    4、阀门可用于双向流,容易制造成多通形式,便于控制管道介质流向。
    5、卡套与阀体之间有独特的360°金属唇边,能够有效保护和固定卡套,使之不会随着塞子转动,并能够卡套与阀体接触面密封更可靠稳定。
    6、塞子转动时会刮搽密封面,提供自清洁功能,适合于粘稠和易结垢介质。
    7、阀门没有内部空腔给介质积聚。
    8、阀门易于制造成防火防静电结构。

    性能规范

    公称压力(LB) 壳体试验压力(MPa) 密封试验压力(MPa) 适用温度(℃) 使用介质
    150 3.0 2.2 ≤180℃ 水、蒸汽、油品等
    300 7.5 5.5
    600 15.0 11.0
    900 22.5 16.5

    零部件材料

    压力级(Lb) 材料
    阀体、阀盖 塞子 调节垫圈 调节垫片 O 形圈
    150、300、600、900 铸钢 WCB、Monel 合金、CF8、CF8M F6、F316、F304L、F316L 增强聚四氟乙烯 氟橡胶
    不锈钢
    超低碳不锈钢

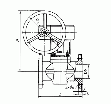
    外形结构图

     

    主要外形尺寸150LB

    DN DN/in L D0 H 重量/kg
    15 1/2 108 120 85 2
    20 3/4 117 140 95 3
    25 1 127 140 105 4.5
    32 140 200 115 5.2
    40 165 250 125 7.5
    50 2 178 250 140 11
    65 190 300 150 12.5
    80 3 203 300 185 18
    100 4 229 350 200 23
    125 5 254 350 215 32
    150 6 267 200 455 52
    200 8 292 240 495 115
    250 10 330 280 555 195
    300 12 356 320 605 305
    350 14 686 320 680 325
    400 16 762 360 715 340

    主要外形尺寸300LB

    DN DN/in L D0 H 重量/kg
    15 1/2 140 160 85 2.5
    20 3/4 152 160 95 4
    25 1 165 200 105 5
    32 178 250 115 6
    40 190 250 125 8.5
    50 2 216 300 140 13
    65 241 300 150 15
    80 3 283 350 185 24
    100 4 305 350 200 27
    125 5 381 400 225 40
    150 6 403 200 460 65
    200 8 419 240 495 145
    250 10 457 280 560 255
    300 12 502 320 610 325
    350 14 762 360 685 355

    主要外形尺寸600LB

    DN DN/in L D0 H 重量/kg
    25 1 216 250 125 7
    32 229 250 135 8.2
    40 240 300 140 10.8
    50 2 292 350 150 12.5
    65 330 350 175 15.3
    80 3 356 400 195 25
    100 4 432 400 215 29.5
    150 6 559 280 500 70
     

    声明:【X43F美标卡套式旋塞阀】规格型号、结构尺寸由上海凯利科阀门有限公司提供,如何选择适用的X43F美标卡套式旋塞阀产品,使之在工艺控制中安全可靠、经济适用,可致电我司销售部门及技术部门,我们将在最短的时间内为您解答!

    Copyright ©2011-2022 上海凯利科阀门有限公司,版权所有。 沪ICP备11046016号-29 网站地图

    销售电话:021-31001158

    手机号码:13816746668 陈国辉/经理

    电子邮件:klkvalves@126.com@126.com

    主营产品:球阀,闸阀,蝶阀,截止阀,止回阀,调节阀

    本周热门:气动球阀气动蝶阀气动刀闸阀气动调节阀电动球阀电动蝶阀电动刀闸阀电动调节阀不锈钢球阀不锈钢闸阀不锈钢截止阀不锈钢止回阀不锈钢电磁阀高压电磁阀高压球阀波纹管截止阀

    官方网址:www.fm058.com