
X47H提升式硬密封旋塞阀
X47H提升式硬密封旋塞阀采用了先提升后启闭的阀门操作方式,大大减少了旋塞阀的启闭力矩,而且不同于传统旋塞阀采用矩形缩径通道,该阀门通常采用圆形通道,使旋塞阀的流体阻力大大减少,金属硬密封提升式硬密封旋塞阀兼有球阀与闸阀的有点,能用于高温、高压工况,大大扩展了旋塞阀的使用范围。
| 产品名称: | 提升式硬密封旋塞阀 | 产品型号: | X47H |
| 公称通径: | DN40~DN450 | 结构形式: | 圆柱形或圆锥形 |
| 公称压力: | 150LB~300LB~600LB~900LB~1500LB | 连接方式: | 法兰 |
| 适用温度: | -29ºC~+425ºC | 驱动方式: | 手动、蜗轮 |
| 阀体材质: | 铸钢、不锈钢 | 制造标准: | 国标GB、德国DIN、美国API、ANSI |
| 适用介质: | 水、油、蒸汽等 | 生产厂家: | 上海凯利科阀门有限公司 |
| 设计与制造 | 结构长度 | 配管法兰 |
|
API 599、 API 6D、 Q/ZCD01-2000 |
ANSI B16.10、 GB/T15188.1、 Q/ZCD 01-2000 |
JB/T74~90、 GB/T9112~9124、 HG 20592~20635、 ANSI B16.5、 SH3406 |
| 压力-温度等级 | 试验与检验 | 适用温度 | 适用介质 |
|
JB/T74、 GB/T9124、 HG 20604~20625、 ANSI B16.34、 SH 3406 |
API598、 JB/T9092 |
425℃ | 水、蒸汽、油品等 |
| 阀 体 | WCB | CF8 | CF3 | CF8M | CF3M |
| 旋 塞 | CF8 | CF8 | CF3 | CF8M | CF3M |
| 阀杆及内件 | 2Cr13 | 0Cr18Ni9 (304) | 00Cr19Ni10 (304L) | 0Cr17Ni12Mo2 (316) | 00Cr17Ni14Mo2 (316L) |
| 填 料 | 柔性石墨 | ||||
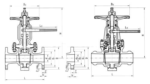
| DN | NPS | L | d | D | D1 | D2 | b | z×Φd | f | L0 | H | D0 | 重量/kg | ||
| (mm) | (in) | RF | RJ | 堆焊 | |||||||||||
| 40 | 11/2 | 222 | 235 | 222 | 38 | 127 | 98.5 | 73 | 14.5 | 4×Φ15 | 1.6 | 200 | 210 | 200 | 10 |
| 50 | 2 | 267 | 280 | 267 | 50 | 152 | 120.5 | 92 | 16 | 4×Φ19 | 1.6 | 250 | 260 | 200 | 13 |
| 65 | 21/2 | 298 | 311 | 305 | 64 | 178 | 139.5 | 105 | 17.5 | 4×Φ19 | 1.6 | 250 | 300 | 200 | 17 |
| 80 | 3 | 343 | 356 | 330 | 76 | 190 | 152.5 | 127 | 19.5 | 4×Φ19 | 1.6 | 300 | 330 | 250 | 23 |
| 100 | 4 | 432 | 445 | 356 | 100 | 229 | 190.5 | 157 | 24 | 8×Φ19 | 1.6 | 300 | 350 | 300 | 33 |
| 125 | 5 | 508 | 521 | 381 | 125 | 254 | 216 | 186 | 24 | 8×Φ22 | 1.6 | 330 | 370 | 300 | 62 |
| 150 | 6 | 533 | 546 | 394 | 150 | 279 | 241.5 | 216 | 25.5 | 8×Φ22 | 1.6 | 330 | 440 | 350 | 95 |
| 200 | 8 | 635 | 648 | 457 | 201 | 343 | 298.5 | 270 | 29 | 8×Φ22 | 1.6 | 350 | 550 | 350 | 160 |
| 250 | 10 | 787 | 800 | 533 | 252 | 406 | 362 | 324 | 30.5 | 12×Φ25 | 1.6 | 400 | 650 | 400 | 278 |
| 300 | 12 | 914 | 927 | 610 | 303 | 483 | 432 | 381 | 32 | 12×Φ25 | 1.6 | 450 | 750 | 400 | 430 |
| 350 | 14 | 978 | 991 | 686 | 337 | 533 | 476 | 413 | 35 | 12×Φ29 | 1.6 | 500 | 800 | 450 | 620 |
| DN | NPS | L | d | D | D1 | D2 | b | z×Φd | f | L0 | H | D0 | 重量/kg | ||
| (mm) | (in) | RF | RJ | 堆焊 | |||||||||||
| 40 | 11/2 | 241 | 254 | 241 | 38 | 156 | 114.5 | 73 | 21 | 4×Φ22 | 1.6 | 250 | 210 | 250 | 14 |
| 50 | 2 | 293 | 299 | 267 | 50 | 165 | 127.0 | 92 | 22.5 | 8×Φ19 | 1.6 | 300 | 260 | 250 | 20 |
| 65 | 21/2 | 330 | 346 | 305 | 64 | 190 | 149.0 | 105 | 25.5 | 8×Φ22 | 1.6 | 350 | 300 | 300 | 25 |
| 80 | 3 | 387 | 403 | 330 | 76 | 210 | 168.5 | 127 | 29 | 8×Φ22 | 1.6 | 350 | 330 | 300 | 35 |
| 100 | 4 | 457 | 473 | 356 | 100 | 254 | 200 | 157 | 32 | 8×Φ22 | 1.6 | 350 | 350 | 350 | 52 |
| 125 | 5 | 508 | 524 | 381 | 125 | 279 | 235 | 186 | 35 | 8×Φ22 | 1.6 | 350 | 370 | 350 | 85 |
| 150 | 6 | 559 | 575 | 457 | 150 | 318 | 270 | 216 | 37 | 12×Φ22 | 1.6 | 400 | 440 | 400 | 130 |
| 200 | 8 | 686 | 702 | 521 | 201 | 381 | 330 | 270 | 41.5 | 12×Φ25 | 1.6 | 450 | 550 | 450 | 210 |
| 250 | 10 | 826 | 842 | 559 | 252 | 445 | 387.5 | 324 | 48 | 16×Φ29 | 1.6 | 500 | 650 | 500 | 340 |
| 300 | 12 | 965 | 981 | 635 | 303 | 521 | 451 | 381 | 51 | 16×Φ32 | 1.6 | 550 | 750 | 550 | 510 |
| 350 | 14 | 991 | 1007 | 762 | 337 | 584 | 514.5 | 413 | 54 | 20×Φ32 | 1.6 | 600 | 800 | 600 | 750 |
| DN | NPS | L | d | D | D1 | D2 | b | z×Φd | f | L0 | H | D0 | 重量/kg | ||
| (mm) | (in) | RF | RJ | 堆焊 | |||||||||||
| 40 | 11/2 | 318 | 318 | 241 | 38 | 156 | 114.5 | 73 | 22.5 | 4×Φ22 | 6.4 | 250 | 230 | 250 | 20 |
| 50 | 2 | 330 | 333 | 292 | 50 | 165 | 127 | 92 | 25.5 | 8×Φ19 | 6.4 | 300 | 280 | 250 | 28 |
| 65 | 21/2 | 381 | 384 | 330 | 64 | 190 | 149 | 105 | 29 | 8×Φ22 | 6.4 | 350 | 320 | 300 | 35 |
| 80 | 3 | 444 | 447 | 356 | 76 | 210 | 168.5 | 127 | 32 | 8×Φ22 | 6.4 | 350 | 350 | 300 | 45 |
| 100 | 4 | 508 | 511 | 432 | 100 | 273 | 216 | 157 | 38.5 | 8×Φ25 | 6.4 | 400 | 380 | 350 | 68 |
| 125 | 5 | 559 | 562 | 508 | 125 | 330 | 266.5 | 186 | 44.5 | 8×Φ29 | 6.4 | 400 | 400 | 400 | 100 |
| 150 | 6 | 660 | 663 | 559 | 150 | 356 | 292 | 216 | 48 | 12×Φ29 | 6.4 | 450 | 470 | 450 | 155 |
| 200 | 8 | 794 | 797 | 660 | 201 | 419 | 349 | 270 | 55.5 | 12×Φ32 | 6.4 | 500 | 580 | 500 | 255 |
| 250 | 10 | 940 | 943 | 787 | 252 | 508 | 432 | 324 | 63.5 | 16×Φ35 | 6.4 | 550 | 680 | 550 | 390 |
| 300 | 12 | 1067 | 1070 | 838 | 303 | 559 | 489 | 381 | 67 | 20×Φ35 | 6.4 | 600 | 780 | 600 | 570 |
| DN | NPS | L | d | D | D1 | D2 | b | z×Φd | f | L0 | H | D0 | 重量/kg | ||
| (mm) | (in) | RF | RJ | 堆焊 | |||||||||||
| 40 | 11/2 | 356 | 356 | 305 | 38 | 178 | 124 | 73 | 32 | 4×Φ29 | 6.4 | 300 | 250 | 300 | 28 |
| 50 | 2 | 381 | 384 | 368 | 50 | 246 | 165 | 92 | 38.5 | 8×Φ26 | 6.4 | 350 | 300 | 300 | 39 |
| 65 | 21/2 | 432 | 435 | 419 | 64 | 244 | 190.5 | 105 | 41.5 | 8×Φ29 | 6.4 | 400 | 340 | 300 | 49 |
| 80 | 3 | 470 | 473 | 381 | 76 | 241 | 190.5 | 127 | 38.5 | 8×Φ26 | 6.4 | 450 | 370 | 350 | 63 |
| 100 | 4 | 559 | 562 | 457 | 100 | 292 | 235 | 157 | 44.5 | 8×Φ32 | 6.4 | 450 | 400 | 400 | 95 |
| 125 | 5 | 610 | 613 | 559 | 125 | 349 | 279.5 | 186 | 51 | 8×Φ35 | 6.4 | 500 | 430 | 450 | 140 |
| 150 | 6 | 737 | 740 | 610 | 150 | 381 | 317.5 | 216 | 56 | 12×Φ32 | 6.4 | 550 | 500 | 500 | 215 |
| 200 | 8 | 813 | 816 | 737 | 201 | 470 | 393.5 | 270 | 63.5 | 12×Φ39 | 6.4 | 600 | 520 | 550 | 350 |
| 250 | 10 | 965 | 968 | 838 | 252 | 545 | 470 | 324 | 70 | 16×Φ39 | 6.4 | 700 | 620 | 600 | 540 |
| 300 | 12 | 1118 | 1121 | 965 | 303 | 610 | 533.5 | 381 | 79.5 | 20×Φ39 | 6.4 | 700 | 820 | 65 0 | 790 |
声明:【X47H提升式硬密封旋塞阀】规格型号、结构尺寸由上海凯利科阀门有限公司提供,如何选择适用的X47H提升式硬密封旋塞阀产品,使之在工艺控制中安全可靠、经济适用,可致电我司销售部门及技术部门,我们将在最短的时间内为您解答! |