首页
公司介绍
新闻中心
组织机构
服务理念
售后服务
联系我们
产品中心
jtgk.png

产品中心

G41J直通式衬胶隔膜阀

您的位置:阀门 - 隔膜阀 - G41J直通式衬胶隔膜阀 更新时间:2024-08-01 01:08:37
G41J直通式衬胶隔膜阀
    • 质量安全:压力、材质、密封等全方位检测确保质量过关!
    • 价格比较:在相同品质的情况下,厂里直销,更具有优势!
    • 交货快捷:常规产品现货供应,生产加工销售一条龙服务!
      上海凯利科阀门竭诚为您提供安全可靠的G41J直通式衬胶隔膜阀成套技术方案,以及售前选型报价,售后技术指导、安装、调试服务!

    • 产品描述
    • 在线询价
    • 技术咨询
    G41J直通式衬胶隔膜阀G41J直通式衬胶隔膜阀

    G41J直通式衬胶隔膜阀是一种特殊形式的截断阀,启闭件采用EPDM橡胶材料制成的隔膜,把阀体内腔与阀盖内腔及驱动部件隔开,下部阀体内腔与上部阀盖内腔隔开,使位于隔膜上方的阀杆、阀瓣等零件不受介质腐蚀,省去了填料密封结构,且不会产生介质外漏,阀体流道采用全衬胶设计,避免阀体受工况介质腐蚀,增加了阀门使用寿命。直通式衬胶隔膜阀专用于控制非腐蚀性或一般腐蚀性介质,阀体,内腔表面无衬里或覆有可供选择的各种橡胶,适用于不

    产品名称: 直通式衬胶隔膜阀 产品型号: G41J
    公称通径: DN25~DN400 结构形式: 隔膜式
    公称压力: 0.6MPa~1.0MPa~1.6MPa 连接方式: 法兰
    适用温度: -29ºC~+180ºC 驱动方式: 手动
    阀体材质: 铸钢、不锈钢 制造标准: 国标GB、德国DIN、美国API、ANSI
    适用介质: 水、油品、蒸汽、液体 生产厂家: 上海凯利科阀门有限公司

    产品说明

    G41J直通式衬胶隔膜阀是一种特殊形式的截断阀,启闭件采用EPDM橡胶材料制成的隔膜,把阀体内腔与阀盖内腔及驱动部件隔开,下部阀体内腔与上部阀盖内腔隔开,使位于隔膜上方的阀杆、阀瓣等零件不受介质腐蚀,省去了填料密封结构,且不会产生介质外漏,阀体流道采用全衬胶设计,避免阀体受工况介质腐蚀,增加了阀门使用寿命。直通式衬胶隔膜阀专用于控制非腐蚀性或一般腐蚀性介质,阀体,内腔表面无衬里或覆有可供选择的各种橡胶,适用于不同工作温度和流体管路。

    结构特点

    1、弹性密封的开闭件,确保没有内漏;
    2、流线型的流道,使得压力损失小;
    3、没有填料函,因此没有外漏;
    4、阀体与盖被中间隔膜隔开,使得隔膜上方的阀盖,阀杆零件不受介质侵蚀;
    5、隔膜可更换,维护费用低;
    6、衬里材料的多样性,可适用于各种介质,并具有良好的耐腐蚀性。

    型号编制

    手动 G41J(堰式) 手动 G641J(往复式)
    G41F5(堰式) G641F5(往复式)
    G45J(直流式) G6B41F(常闭式)
    G45F5(直流式) G6B41F5(常闭式)
    电动 G9B41J(防爆式) 电动 G941J(普通型)
    G9B41F5(防爆式) G941F5(普通型)

    标准规范

    遵循规范 STANDARD
    设计与制造 GB12239
    结构长度 GB1221/JB1688
    法兰尺寸 JB78/JB79(GB HG SH)
    压力试验 GB/T13927
    标签 GB12220
    供货 GB/T12252

    零部件材料

    序号 零件名称 灰铸铁 铸钢 不锈钢 超低碳钢
    Z C P R PL RL
    1 阀体、阀盖、阀瓣 HT250 WCB CF8 CF8M CF3 CF3M
    2 阀杆 35 1Cr13 1Cr18Ni19Ti 1Cr18Ni12Mo2Ti 00Cr18Ni10 00Cr17Ni14Mo2
    3 衬里层 FEP(F46) PFA PCTFE(F3)
    4 隔膜 FEP(F46)/CR(氟丁橡胶) PFA(可溶性聚四氟乙烯)/FPDM(乙丙橡胶)
    5 阀杆螺母 ZCuAL10Fe3 ZCuAL10Fe3
    6 螺栓 35 35 1Cr17Ni2 1Cr17Ni2 1Cr17Ni9Ti 1Cr17Ni9Ti
    7 螺母 45 45 0Cr18Ni9 0Cr18Ni9 0Cr18Ni9 0Cr18Ni9
    8 手轮 HT200 HT200 WCC WCC WCC WCC

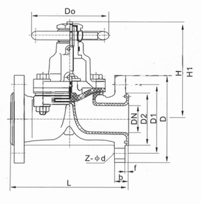
    外形结构图

     

    主要外形尺寸

    型号 公称通径DN(mm) 尺寸(㎜)
    L D D1 D0 Z-φd H H1 H2 H3 重量
    (㎏)
    G41J10 15 125 95 65 120 4-φ14 - - - - 3.8
    20 135 105 75 120 4-φ14 - - - - 4.2
    25 145 115 85 120 4-φ14 121 135 - - 4.5
    32 160 1135 100 120 4-φ18 132 150 - - 7
    40 180 145 110 140 4-φ18 156 176 - - 9
    50 210 160 125 140 4-φ18 169 195 - - 12
    65 250 180 145 200 4-φ18 202 236 - - 18
    80 300 195 160 200 4-φ18 216 256 - - 24.5
    100 350 215 180 280 8-φ18 270 322 - - 38.5
    125 400 245 210 320 8-φ18 338 406 - - 60
    150 460 280 240 320 8-φ23 384 464 - - 82
    G41J 200 570 335 295 400 8-φ23 518 638 - - 149
    250 680 390 350 500 12-φ23 598 734 - - 240
    300 790 440 400 560 12-φ23 698 778 - - 350
    350 900 500 460 560 16-φ23 723 883 - - 392
    400 1000 565 515 640 16-φ25 868 1078 - - 585
    G45J-10 32 180 135 100 120 4-φ18 - - - - 7
    40 180 145 110 140 4-φ18 - - 203 216 8.5
    50 210 160 125 140 4-φ18 - - 213 229 14
    65 250 180 145 200 4-φ18 - - 248 268 18
    80 300 195 160 200 4-φ18 - - 281 305 30
    100 350 215 180 280 8-φ18 - - 332 362 43
    125 400 245 210 320 8-φ18 - - - - 67
    150 460 280 240 320 8-φ23 - - 450 496 80
    200 570 335 295 400 8-φ23 - - 594 654 150.2
    250 680 390 350 500 12-φ23 - - 695 771 238

    声明:【G41J直通式衬胶隔膜阀】规格型号、结构尺寸由上海凯利科阀门有限公司提供,如何选择适用的G41J直通式衬胶隔膜阀产品,使之在工艺控制中安全可靠、经济适用,可致电我司销售部门及技术部门,我们将在最短的时间内为您解答!

    Copyright ©2011-2022 上海凯利科阀门有限公司,版权所有。 沪ICP备11046016号-29 网站地图

    销售电话:021-31001158

    手机号码:13816746668 陈国辉/经理

    电子邮件:klkvalves@126.com@126.com

    主营产品:球阀,闸阀,蝶阀,截止阀,止回阀,调节阀

    本周热门:气动球阀气动蝶阀气动刀闸阀气动调节阀电动球阀电动蝶阀电动刀闸阀电动调节阀不锈钢球阀不锈钢闸阀不锈钢截止阀不锈钢止回阀不锈钢电磁阀高压电磁阀高压球阀波纹管截止阀

    官方网址:www.fm058.com