EG41J英标衬胶隔膜阀
EG41J英标衬胶隔膜阀是一种特殊形式的截断阀,启闭件采用EPDM橡胶材料制成的隔膜,把阀体内腔与阀盖内腔及驱动部件隔开,下部阀体内腔与上部阀盖内腔隔开,使位于隔膜上方的阀杆、阀瓣等零件不受介质腐蚀,省去了填料密封结构,且不会产生介质外漏,阀体流道采用全衬胶设计,避免阀体受工况介质腐蚀,增加了阀门使用寿命。衬胶隔膜阀专用于控制非腐蚀性或一般腐蚀性介质,阀体,内腔表面无衬里或覆有可供选择的各种橡胶,适用于不同工作
|
产品名称: |
英标衬胶隔膜阀 |
产品型号: |
EG41J |
|
公称通径: |
DN15~DN350 |
结构形式: |
直通 |
|
公称压力: |
0.6MPa~1.0MPa~1.6MPa |
连接方式: |
法兰 |
|
适用温度: |
-29ºC~+180ºC |
驱动方式: |
手动 |
|
阀体材质: |
铸钢、不锈钢 |
制造标准: |
国标GB、德国DIN、美国API、ANSI |
|
适用介质: |
水、油品、蒸汽、液体 |
生产厂家: |
上海凯利科阀门有限公司 |
产品说明
EG41J英标衬胶隔膜阀是一种特殊形式的截断阀,启闭件采用EPDM橡胶材料制成的隔膜,把阀体内腔与阀盖内腔及驱动部件隔开,下部阀体内腔与上部阀盖内腔隔开,使位于隔膜上方的阀杆、阀瓣等零件不受介质腐蚀,省去了填料密封结构,且不会产生介质外漏,阀体流道采用全衬胶设计,避免阀体受工况介质腐蚀,增加了阀门使用寿命。衬胶隔膜阀专用于控制非腐蚀性或一般腐蚀性介质,阀体,内腔表面无衬里或覆有可供选择的各种橡胶,适用于不同工作温度和流体管路。
结构特点
1、弹性密封的开闭件,确保没有内漏;
2、流线型的流道,使得压力损失小;
3、没有填料函,因此没有外漏;
4、阀体与盖被中间隔膜隔开,使得隔膜上方的阀盖,阀杆零件不受介质侵蚀;
5、隔膜可更换,维护费用低;
6、衬里材料的多样性,可适用于各种介质,并具有良好的耐腐蚀性。
性能规范
|
工作温度 |
适用介质 |
|
≤85℃ |
J型:一般腐蚀性介质 |
|
W型:非腐蚀性介质 |
零件材料
|
名称 |
材料 |
|
阀体 |
J型:灰铸铁/硬橡胶 W型:灰铸铁 |
|
阀盖 /阀瓣/手轮 |
灰铸铁 |
|
隔膜 |
天然橡胶 |
|
阀杆 |
碳钢 |
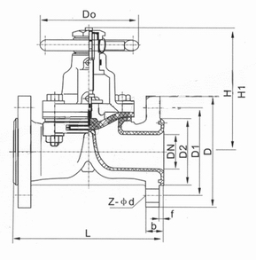
外形结构图

主要外形尺寸
|
公称通径(DN) |
公称压力(MPa) |
工作压力(MPa) |
L |
D |
D1 |
Z-Φd |
f |
H |
H1 |
D0 |
重量(Kg) |
|
15 |
1.6 |
1.6 |
108 |
95 |
65 |
4-14 |
2 |
90 |
99 |
75 |
2.5 |
|
20 |
117 |
105 |
75 |
4-14 |
2 |
93 |
103 |
75 |
3 |
|
25 |
127 |
115 |
85 |
4-14 |
2 |
100 |
112 |
85 |
4 |
|
32 |
146 |
140 |
100 |
4-18 |
2 |
127 |
144 |
120 |
6.5 |
|
40 |
159 |
150 |
110 |
4-18 |
2 |
136 |
156 |
120 |
7.5 |
|
50 |
190 |
165 |
125 |
4-18 |
2 |
151 |
177 |
120 |
10 |
|
65 |
1.0 |
1.0 |
216 |
185 |
145 |
4-18 |
2 |
183 |
213 |
165 |
16 |
|
80 |
254 |
200 |
160 |
8-18 |
2 |
198 |
273 |
230 |
23.5 |
|
100 |
305 |
220 |
180 |
8-18 |
2 |
266 |
320 |
280 |
34 |
|
125 |
356 |
250 |
210 |
8-18 |
3 |
319 |
386 |
280 |
44 |
|
150 |
406 |
285 |
240 |
8-22 |
3 |
380 |
453 |
368 |
67.5 |
|
200 |
0.6 |
521 |
340 |
295 |
8-22 |
3 |
506 |
626 |
400 |
141.5 |
|
250 |
635 |
395 |
350 |
12-22 |
3 |
598 |
734 |
500 |
229 |
|
300 |
0.4 |
749 |
445 |
400 |
12-22 |
3 |
698 |
778 |
560 |
321 |
|
350 |
749 |
505 |
460 |
16-22 |
3 |
723 |
883 |
560 |
360 |
|
采用标准 |
设计制造: BS5156结构长度:BS5156(短结构)法兰:Bs4504PN1.0MPa GB12239G B12221 GB/T17241.6 |
声明:【EG41J英标衬胶隔膜阀】规格型号、结构尺寸由上海凯利科阀门有限公司提供,如何选择适用的EG41J英标衬胶隔膜阀产品,使之在工艺控制中安全可靠、经济适用,可致电我司销售部门及技术部门,我们将在最短的时间内为您解答! |