首页
公司介绍
新闻中心
组织机构
服务理念
售后服务
联系我们
产品中心
jtgk.png

产品中心

DQ41Y,DQ41F锻钢低温球阀

您的位置:阀门 - 球阀 - DQ41Y,DQ41F锻钢低温球阀 更新时间:2024-07-27 09:07:45
DQ41Y,DQ41F锻钢低温球阀
    • 质量安全:压力、材质、密封等全方位检测确保质量过关!
    • 价格比较:在相同品质的情况下,厂里直销,更具有优势!
    • 交货快捷:常规产品现货供应,生产加工销售一条龙服务!
      上海凯利科阀门竭诚为您提供安全可靠的DQ41Y,DQ41F锻钢低温球阀成套技术方案,以及售前选型报价,售后技术指导、安装、调试服务!

    • 产品描述
    • 在线询价
    • 技术咨询
    DQ41Y,DQ41F锻钢低温球阀DQ41Y,DQ41F锻钢低温球阀

    DQ41Y、DQ41F锻钢低温球阀适用于低温液体贮运设备的管理系统,具有开关灵活、密封可靠的特点,也可用于其他低温和深冷介质的管理系统。

    产品名称: 锻钢低温球阀 产品型号: (DQ41Y/F)(DQ61Y/F)
    公称通径: DN15~DN300 结构形式: 球形
    公称压力: 1.6Mpa~16.0Mpa 连接方式: 法兰、螺纹、焊接
    适用温度: -46℃~-101℃~-196℃ 驱动方式: 手动、电动、气动
    阀体材质: LCB、低温钢、锻钢、不锈钢 制造标准: 国标GB、德国DIN、美国API、ANSI
    适用介质: 乙烯、液氧、液氢、液氮、液氨、液态丙烷、液化天然气 生产厂家: 上海凯利科阀门有限公司

    产品说明

    (DQ41Y/F)(DQ61Y/F)锻钢低温球阀适用于低温液体贮运设备的管理系统,具有开关灵活、密封可靠的特点,也可用于其他低温和深冷介质的管理系统。

    结构设计及加工制造的特点

    锻钢低温球阀分为低温浮动球阀和低温固定球阀两类,对于温度高于-50℃,一般不采用长颈结构,对于温度低于-50℃的球阀,颈部长度T一般为250mm,或根 据我公司的设计和计算确定.低温球阀主要用于输出液态低温介质如乙烯、液氧、液氢、液氮、液氨、液态丙烷、液化天然气、液化石油产品等,不但易燃易爆,而且在升温时要气化,气化 时,体积膨胀数百倍。

    材料选型

    液化天然气阀门的材料非常重要,材质不合格,会造成壳体及密封面的外漏或内漏;零部件的综合机械性能、强度和钢度满足不了使用要求甚至断裂。导致液化天然 气介质泄漏引起爆炸。因此,在开发、设计、研制液化天然气阀门的过程中,材质是首要关键的问题。阀体、阀盖采用:LCB(-46℃)、 LC3(-101℃)、CF8(304)(-196℃).

    低温处理

    我厂对所生产的低温阀门经特殊的低温处理,将粗加工的零件置于冷却介质中数小时(2-6小时),以释放应力,确保材料的低温性能,保证精加工尺寸,以防阀门在低温工况时,因温度变化造成变形而导致的泄漏。

    技术规范

    设计依据 GB
    设计标准 GB12237-89
    结构长度 GB12221-89
    连接法兰 GB/T 9113-2000 JB/T79-94
    试验和检验 JB/T 9092-99

    材料及主要参数

    序号 零件名称 AS to ASTM SS to ASTM
    Type A352 LCB Type A352 LC3 Type F304(L) Type F304(L)
    1-2 阀体/阀盖 Type A352 LCB Type A352 LC3 A182 F304(L) A182 F304(L)
    3 等长双头螺栓 A193L7+镀镉 A193 3 B8 A193 B8 A193 B8M
    4 螺母 A193L7+镀镉 A194 8 A194 8 A194 8M
    5,8 密封圈、垫片 RTFE+Cu粉/尼龙1010/PPL
    6 球体 A182 F304 A182 F304(L) A182 F304(L) A182 F316(L)
    7 阀杆 A182 F304 A182 F304(L) A182 F304(L) A182 F316(L)
    9,10 止推片、填料 RTFE+Cu粉/尼龙1010/PPL,碳素纤维
    11 压盖 A105N A351 CF8
    12 定位片 A182 F321
    13 扁螺母 A194 4+镀镉 A194 8 A194 8 A194 8
    14 手柄 A193 L7+镀镉 A193 B8 A193 B8 A193 B8
    15 圆柱销 Q235A
    适用温度 ≥-40°C ≥-101°C ≥-196°C

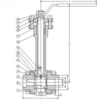
    (DQ61Y/F)锻钢低温球阀外形结构图

    (DQ61Y/F)锻钢低温球阀主要外形和连接尺寸 单位:mm

    DN Inch L d L1 D D1 H W
    15 1/2 92 13 9.6 36 21.8 230 160
    20 3/4 111 18 12.7 42 27.3 260 220
    25 1 127 23 12.7 52 33.8 280 220
    32 11/4 140 28 12.7 60 42.6 290 250
    40 11/2 152 35 12.7 68 48.7 320 300
    50 2 178 45 15.9 80 61.2 340 350

    (DQ61Y/F)锻钢低温球阀模拟图

    (DQ41Y/F)锻钢低温球阀外形结构图

     

    (DQ41Y/F)锻钢低温球阀主要外形和连接尺寸 1.6Mpa 单位:mm

    公称通径
    DN
    PN1.6MPa WT
    (kg)
    L D D1 D2 b Z-Φd H W
    15 130 95 65 45 14 4-Φ14 178 140 3
    20 140 105 75 55 14 4-Φ14 184 160 4
    25 150 115 85 65 14 4-Φ14 195 180 5
    32 165 135 100 78 16 4-Φ18 280 250 9
    40 180 145 110 85 16 4-Φ18 280 300 11
    50 203 160 125 100 16 4-Φ18 300 350 15
    65 222 180 145 120 18 4-Φ18 330 350 19
    80 241 195 160 135 20 8-Φ18 360 400 27
    100 305 215 180 155 20 8-Φ18 400 500 38
    125 356 245 210 185 22 8-Φ18 430 600 58
    150 394 280 240 210 24 8-Φ23 500 800 81
    200 457 335 295 265 26 12-Φ23 680 800 95
    250 533 405 355 320 30 12-Φ25 790 1300 140

    (DQ41Y/F)锻钢低温球阀主要外形和连接尺寸 2.5Mpa 单位:mm

    公称通径
    DN
    PN2.5MPa WT
    (kg)
    L D D1 D2 b Z-Φd H W
    15 140 95 65 45 16 4-Φ14 178 140 3
    20 152 105 75 55 16 4-Φ14 184 160 4
    25 165 115 85 65 16 4-Φ14 195 180 6
    32 178 135 100 78 18 4-Φ18 280 250 10
    40 190 145 110 85 18 4-Φ18 280 300 14
    50 216 160 125 100 20 4-Φ18 300 350 20
    65 241 180 145 120 22 8-Φ18 330 350 25
    80 283 195 160 135 22 8-Φ18 360 400 30
    100 305 230 190 160 24 8-Φ23 400 500 40
    125 381 270 220 188 28 8-Φ25 430 600 65
    150 403 300 250 218 30 8-Φ25 500 800 85
    200 502 360 310 278 34 12-Φ25 680 800 100
    250 568 425 370 332 36 12-Φ30 790 1300 165
    大于2.5MPa以上的,请咨询我司技术部。最高可设计制造32.0MPa。

    声明:【DQ41Y,DQ41F锻钢低温球阀】规格型号、结构尺寸由上海凯利科阀门有限公司提供,如何选择适用的DQ41Y,DQ41F锻钢低温球阀产品,使之在工艺控制中安全可靠、经济适用,可致电我司销售部门及技术部门,我们将在最短的时间内为您解答!

    Copyright ©2011-2022 上海凯利科阀门有限公司,版权所有。 沪ICP备11046016号-29 网站地图

    销售电话:021-31001158

    手机号码:13816746668 陈国辉/经理

    电子邮件:klkvalves@126.com@126.com

    主营产品:球阀,闸阀,蝶阀,截止阀,止回阀,调节阀

    本周热门:气动球阀气动蝶阀气动刀闸阀气动调节阀电动球阀电动蝶阀电动刀闸阀电动调节阀不锈钢球阀不锈钢闸阀不锈钢截止阀不锈钢止回阀不锈钢电磁阀高压电磁阀高压球阀波纹管截止阀

    官方网址:www.fm058.com