U41SM法兰柱塞阀
U41SM法兰柱塞阀是根据原有的闸阀连接尺寸设计制造的,由于闸阀在使用过程中出现外漏,密封环带复性较差,使用寿命短等缺点,本法兰柱塞阀结合了柱塞阀的无泄漏优点和闸阀启闭快又耐高温高压的特点,成为一种结构新颖的无泄漏法兰柱塞阀。
|
产品名称: |
法兰柱塞阀 |
产品型号: |
U41SM |
|
公称通径: |
DN15~DN400 |
结构形式: |
柱塞式 |
|
工作压力: |
1.6MPa~4.0MPa |
连接方式: |
法兰 |
|
适用温度: |
-29ºC~+550ºC |
驱动方式: |
手动、电动、气动 |
|
阀体材质: |
铸钢、不锈钢 |
制造标准: |
国标GB、德国DIN、美国API、ANSI |
|
适用介质: |
水、油品、蒸汽等 |
生产厂家: |
上海凯利科阀门有限公司 |
产品说明
U41SM法兰柱塞阀是根据原有的闸阀连接尺寸设计制造的,由于闸阀在使用过程中出现外漏,密封环带复性较差,使用寿命短等缺点,本法兰柱塞阀结合了柱塞阀的无泄漏优点和闸阀启闭快又耐高温高压的特点,成为一种结构新颖的无泄漏法兰柱塞阀。
结构特点
1、法兰柱塞阀是由阀体、阀盖、阀杆、柱塞、导向套、密封环、手轮等零件组成。当手轮旋转时,通过阀杆带动柱塞在导向套中上、下往复运动,使柱塞端部斜锥面与阀座面完成阀门的开启与关闭功能。
2、在阀门中柱塞与密封环采用过盈配合,通过调节中法兰螺栓预紧力,使密封环压缩所产生的侧向力与阀体中孔面及柱塞外圆密封从而耐磨性高的无毒新型密封材料,所以密封可靠、经久耐用,从而提高阀门的使用寿命。
性能规范
|
阀体材料 |
适用温度 |
适用介质 |
压力范围 |
|
铸钢 |
≤350℃ |
水、蒸汽、油品 |
PN1.6-4.0MPa |
|
铸铁 |
≤180℃ |
水、蒸汽、油品 |
PN1.6 |
|
不锈钢 |
≤200℃ |
硝酸、醋酸 |
通径范围 |
|
含钼不锈钢 |
≤550℃ |
氮、氢、尿素等 |
DN15-400mm |
压力试验
|
实验项目 |
实验介质 |
实验压力 |
|
压强实验 |
水 |
1.5PN |
|
高压密封试验 |
水 |
1.1PN |
|
低压气密封试验 |
气 |
0.5-0.7MPa |
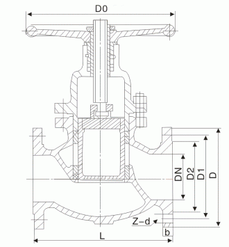
外形结构图
主要外形尺寸1.6MPa
|
DN(mm) / 尺寸(mm) |
1.6MPa UZ41SM-16C.P.R U41SM-16C.Y.P.R |
|
15 |
20 |
25 |
32 |
40 |
50 |
65 |
80 |
100 |
125 |
150 |
200 |
250 |
300 |
350 |
400 |
|
L |
130 |
150 |
160 |
180 |
240 |
250 |
265 |
280 |
300 |
325 |
350 |
400 |
450 |
500 |
550 |
600 |
|
Do |
100 |
100 |
120 |
140 |
160 |
180 |
200 |
240 |
280 |
320 |
350 |
400 |
520 |
640 |
760 |
900 |
|
D |
95 |
105 |
115 |
135 |
140 |
160 |
180 |
195 |
215 |
245 |
280 |
335 |
405 |
460 |
520 |
580 |
|
D1 |
65 |
75 |
85 |
100 |
110 |
125 |
145 |
160 |
180 |
210 |
240 |
295 |
355 |
410 |
470 |
525 |
|
D2 |
45 |
55 |
65 |
78 |
85 |
100 |
120 |
135 |
155 |
185 |
210 |
265 |
295 |
375 |
435 |
485 |
|
b |
14 |
14 |
14 |
16 |
16 |
16 |
18 |
20 |
20 |
22 |
24 |
26 |
26 |
30 |
34 |
36 |
|
Z-φd |
4-14 |
4-14 |
4-14 |
4-18 |
4-18 |
4-18 |
4-18 |
8-18 |
8-18 |
8-18 |
8-23 |
12-23 |
12-23 |
12-25 |
16-25 |
16-30 |
主要外形尺寸2.5MPa
DN(mm)/
尺寸(mm) |
2.5MPa UZ41SM-25C.P.R U41SM-25C.Y.P.R |
|
15 |
20 |
25 |
32 |
40 |
50 |
65 |
80 |
100 |
125 |
150 |
200 |
250 |
300 |
350 |
400 |
|
L |
130 |
150 |
160 |
180 |
240 |
250 |
265 |
280 |
300 |
325 |
350 |
400 |
450 |
500 |
550 |
600 |
|
Do |
100 |
100 |
120 |
140 |
160 |
180 |
200 |
240 |
280 |
320 |
350 |
400 |
520 |
640 |
760 |
900 |
|
D |
95 |
105 |
115 |
135 |
145 |
160 |
180 |
195 |
230 |
270 |
300 |
360 |
425 |
485 |
550 |
610 |
|
D1 |
65 |
75 |
85 |
100 |
110 |
125 |
145 |
160 |
190 |
220 |
250 |
310 |
370 |
430 |
490 |
550 |
|
D2 |
45 |
55 |
65 |
78 |
85 |
100 |
120 |
135 |
160 |
188 |
218 |
278 |
332 |
390 |
448 |
505 |
|
b |
16 |
16 |
16 |
18 |
18 |
20 |
22 |
22 |
24 |
28 |
30 |
34 |
36 |
40 |
44 |
48 |
|
Z-φd |
4-14 |
4-14 |
4-14 |
4-18 |
4-18 |
4-18 |
4-18 |
8-18 |
8-23 |
8-25 |
8-25 |
12-25 |
12-30 |
16-30 |
16-34 |
16-34 |
主要外形尺寸4.0MPa
DN(mm)/
尺寸(mm) |
4.OMPa UZ41SM-40C.P.R U41SM-40C.Y.P.R |
|
15 |
20 |
25 |
32 |
40 |
50 |
65 |
80 |
100 |
125 |
150 |
200 |
250 |
300 |
350 |
400 |
|
L |
130 |
150 |
160 |
180 |
200 |
250 |
265 |
280 |
300 |
325 |
350 |
400 |
450 |
500 |
550 |
600 |
|
Do |
100 |
100 |
120 |
140 |
160 |
180 |
200 |
240 |
280 |
320 |
350 |
400 |
520 |
640 |
760 |
900 |
|
D |
95 |
105 |
115 |
135 |
145 |
160 |
180 |
195 |
230 |
270 |
300 |
375 |
445 |
485 |
570 |
655 |
|
D1 |
65 |
75 |
85 |
100 |
110 |
125 |
145 |
160 |
190 |
220 |
250 |
320 |
385 |
430 |
510 |
585 |
|
D2 |
45 |
55 |
65 |
78 |
85 |
100 |
120 |
135 |
160 |
188 |
218 |
282 |
345 |
390 |
465 |
535 |
|
b |
16 |
16 |
16 |
18 |
18 |
20 |
22 |
22 |
24 |
28 |
30 |
38 |
42 |
40 |
52 |
58 |
|
Z-φd |
4-14 |
4-14 |
4-14 |
4-18 |
4-18 |
4-18 |
4-18 |
8-18 |
8-23 |
8-26 |
8-26 |
12-30 |
12-33 |
16-30 |
16-36 |
16-39 |
声明:【U41SM法兰柱塞阀】规格型号、结构尺寸由上海凯利科阀门有限公司提供,如何选择适用的U41SM法兰柱塞阀产品,使之在工艺控制中安全可靠、经济适用,可致电我司销售部门及技术部门,我们将在最短的时间内为您解答! |