
U44SM角式柱塞阀
U44SM角式柱塞阀与直通式柱塞阀的工作原理完全相同,只不过是安装在管线中的位置不同,因而石油、化工、化肥、制药等长输管线中有不少的拐角转弯处,而角式柱塞阀正好装在这个部位,这样不但减少了接管弯头,安装方便,省工、省料等特点。
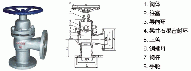
| 产品名称: | 角式柱塞阀 | 产品型号: | U41SM |
| 公称通径: | DN15~DN400 | 结构形式: | 柱塞角式 |
| 工作压力: | 1.6MPa~4.0MPa | 连接方式: | 法兰 |
| 适用温度: | -29ºC~+550ºC | 驱动方式: | 手动 |
| 阀体材质: | 铸钢、不锈钢 | 制造标准: | 国标GB、德国DIN、美国API、ANSI |
| 适用介质: | 水、油品、蒸汽等 | 生产厂家: | 上海凯利科阀门有限公司 |
|
DN(mm)/ 尺寸 (mm) |
U44SM-16C(P) UJ44H-16C.P.R | |||||||||||||||
| 15 | 20 | 25 | 32 | 40 | 50 | 65 | 80 | 100 | 125 | 150 | 200 | 250 | 300 | 350 | 400 | |
| L | 90 | 95 | 100 | 105 | 115 | 125 | 145 | 155 | 175 | 200 | 225 | 275 | 325 | 375 | 425 | 475 |
| H | 190 | 210 | 220 | 250 | 280 | 300 | 320 | 370 | 420 | 440 | 530 | 610 | 730 | 850 | 970 | 1100 |
| W | 100 | 100 | 120 | 140 | 160 | 180 | 200 | 240 | 280 | 320 | 350 | 400 | 520 | 640 | 760 | 900 |
| D | 95 | 105 | 115 | 135 | 145 | 160 | 180 | 195 | 215 | 245 | 280 | 335 | 405 | 460 | 520 | 580 |
| D1 | 65 | 75 | 85 | 100 | 110 | 125 | 145 | 160 | 180 | 210 | 240 | 295 | 355 | 410 | 470 | 525 |
| D2 | 45 | 55 | 65 | 78 | 85 | 100 | 120 | 135 | 155 | 188 | 210 | 265 | 295 | 375 | 435 | 485 |
| b | 12 | 12 | 12 | 13 | 13 | 13 | 15 | 17 | 17 | 19 | 21 | 23 | 27 | 28 | 30 | 32 |
| Z-φd | 4-14 | 4-14 | 4-14 | 4-18 | 4-18 | 4-18 | 4-18 | 8-18 | 8-18 | 8-18 | 8-23 | 12-23 | 12-25 | 12-25 | 16-25 | 16-30 |
|
DN(mm)/ 尺寸 (mm) |
U44SM-25(P) UJ44H-25C.P.R | |||||||||||||||
| 15 | 20 | 25 | 32 | 40 | 50 | 65 | 80 | 100 | 125 | 150 | 200 | 250 | 300 | 350 | 400 | |
| L | 90 | 95 | 100 | 105 | 115 | 125 | 145 | 155 | 175 | 200 | 225 | 275 | 325 | 375 | 425 | 475 |
| H | 190 | 210 | 230 | 260 | 260 | 290 | 320 | 370 | 420 | 460 | 530 | 610 | 730 | 850 | 970 | 1100 |
| W | 100 | 100 | 110 | 140 | 160 | 180 | 200 | 240 | 280 | 320 | 350 | 400 | 520 | 640 | 760 | 900 |
| D | 95 | 105 | 115 | 135 | 145 | 160 | 180 | 195 | 230 | 270 | 300 | 360 | 425 | 485 | 550 | 610 |
| D1 | 65 | 75 | 85 | 100 | 110 | 125 | 145 | 160 | 190 | 220 | 250 | 310 | 370 | 430 | 490 | 550 |
| D2 | 45 | 55 | 65 | 78 | 85 | 100 | 120 | 135 | 160 | 188 | 218 | 282 | 345 | 408 | 465 | 535 |
| b | 14 | 14 | 14 | 15 | 15 | 170 | 19 | 19 | 21 | 25 | 27 | 31 | 33 | 36 | 40 | 44 |
| Z-φd | 4-14 | 4-14 | 4-14 | 4-18 | 4-18 | 4-18 | 8-18 | 8-18 | 8-23 | 8-25 | 8-25 | 12-25 | 12-30 | 16-30 | 16-34 | 16-34 |
声明:【U44SM角式柱塞阀】规格型号、结构尺寸由上海凯利科阀门有限公司提供,如何选择适用的U44SM角式柱塞阀产品,使之在工艺控制中安全可靠、经济适用,可致电我司销售部门及技术部门,我们将在最短的时间内为您解答! |