D641X气动法兰蝶阀
D641X气动法兰蝶阀是由气动活塞式执行器、橡胶密封蝶阀和碳钢或不锈钢阀板、阀杆构成。气动法兰蝶阀适用于温度≤120℃如食品、医药、化工、石油、电力、轻纺、造纸等给排水、气体管道上作调节流量和截流介质的作用。
|
产品名称: |
气动法兰蝶阀 |
产品型号: |
D641X、D641F |
|
公称通径: |
DN50~DN1000 |
阀座密封: |
丁青橡胶、聚四氟乙烯 |
|
公称压力: |
1.0Mpa~1.6MPa |
连接方式: |
对夹、法兰 |
|
适用温度: |
-20ºC~+150ºC |
驱动方式: |
手动、蜗轮、电动、气动 |
|
阀体材质: |
铸铁、球墨铸铁、铸钢、不锈钢 |
制造标准: |
国标GB、德国DIN、美国API、ANSI |
|
适用介质: |
水、油、气体、粉体、液体 |
生产厂家: |
上海凯利科阀门有限公司 |
产品说明
D641X气动法兰蝶阀是由气动活塞式执行器、橡胶密封蝶阀和碳钢或不锈钢阀板、阀杆构成。气动法兰蝶阀适用于温度≤120℃如食品、医药、化工、石油、电力、轻纺、造纸等给排水、气体管道上作调节流量和截流介质的作用。
主要特点
(1)设计新颖、合理、结构独特,重量轻,启闭迅速。
(2)操力矩小,操作方便,省力灵巧。
(3)可以任何位置安装,维修方便。
(4)密封件可以更换,密封性能可靠达到双向密封零泄漏。
(5)密封材料耐老化、耐腐蚀,使用寿命长等特点。
设计标准
|
设计标准 |
GB/T12238-1989 |
|
法兰连接尺寸 |
GB/T9113.1-2000;GB/T9115.1-2000;JB78 |
|
结构长度 |
GB/T12221-1989 |
|
压力试验 |
GB/T13927-2000;JB/T9092-1999 |
技术参数
|
公称通径DN(mm) |
DN50~1000mm |
|
公称压力(MPa) |
PN1.0、1.6、2.5MPa |
|
阀体形式 |
直通铸造阀体 |
|
连接形式 |
法兰式、对夹式 |
|
阀芯形式 |
蝶板式 |
|
密封填料 |
柔性石墨、聚四氟乙烯 |
|
基本误差 |
带定位器:小于全行程的±2% |
|
回差 |
带定位器:小于全行程的±2% |
|
控制方式 |
开关型(开关两位控制)、调节型(4~20mA控制) |
气动执行器参数
|
执行器型号 |
GT、AT、AR、AW系列单双作用气动执行器 |
|
供气压力 |
0.4~0.7MPa |
|
气源接口 |
G1/4"、G1/8"、G3/8"、G1/2" |
|
环境温度 |
-30~+70℃ |
|
作用形式 |
单作用执行机构:气关式(B)--失气时阀位开(FO);气开式(K)--失气时阀位关(FC)
双作用执行机构:气关式(B)--失气时阀位保持(FL);气开式(K)-- 失气时阀位保持(FL) |
|
可配附件 |
定位器、电磁阀、空气过滤减压器、保位阀、行程开关、阀位传送器、手轮机构等 |
采用新型系列气动执行器,有双作用式和单作用式(弹簧复位),齿轮齿条传动,安全可靠;大口径阀门采用系列AW型气动执行器拔叉式传动,结构合理,输出扭矩大,有双作用式和单作用式。
1、齿轮式双活塞,输出力矩大,体积小。
2、气缸选用铝金材料,重量轻、外形美观。
3、可在顶部、底部安装手动操作机构。
4、齿条式连接可调节开启角度、额定流量。
5、执行器可选带电讯号反馈指示及各类附件以实现自动化操作。
6、IS05211标准连接为产品的安装更换提供了方便。
7、两端调的节螺钉可使标准产品在0°和90°有±4°的可调范围。确保与阀门的同步精度。
零件材料
|
零件名称 |
主要材料 |
|
阀体 |
灰铸铁、球墨铸铁、铸钢、合金钢、不锈钢 |
|
蝶板 |
灰铸铁、球墨铸钢、铸钢、不锈钢及特殊材料 |
|
密封圈 |
各种橡胶、聚四氟 |
|
阀杆 |
2Cr13、不锈钢 |
|
填料 |
O型圈、柔性石墨O |
性能规范
|
公称通径 |
DN(mm) |
50~1000 |
|
公称压力 |
PN(MPa) |
0.6 |
1.0 |
1.6 |
|
试验压力 |
强度试验 |
0.9 |
1.5 |
2.4 |
|
密封试验 |
0.66 |
1.1 |
1.76 |
|
气密封试验 |
0.6 |
0.6 |
0.6 |
|
适用介质 |
空气、水、污水、蒸气、煤气、油品等。 |
|
驱动形式 |
气动传动 |
密封材料和适用温度
|
材料品种 |
氯丁橡胶 |
丁晴橡胶 |
乙丙橡胶 |
聚四氟乙烯 |
硅橡胶 |
氟橡胶 |
天然橡胶 |
尼龙 |
|
英语简称 |
CR |
NBR |
EPDM |
PTFE |
SI |
VITON |
NR |
PA |
|
型号代号 |
X或J |
XA或JA |
XB或JB |
F或XC、JC |
XD或JD |
XE或JE |
X1 |
N |
|
耐最高温度 |
82℃ |
93℃ |
150℃ |
232℃ |
250℃ |
204℃ |
85℃ |
93℃ |
|
耐最低温度 |
-40℃ |
-40℃ |
-40℃ |
-268℃ |
-70℃ |
-23℃ |
-20℃ |
-73℃ |
|
适用工作温度 |
0~+80℃ |
-20~+82℃ |
-40~+125℃ |
-30~+150℃ |
-70~+150℃ |
-23~+150℃ |
-20~+85℃ |
-30~+93℃ |
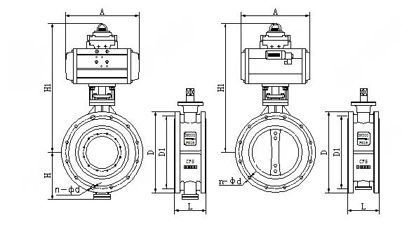
外形结构图
主要外形尺寸
|
公称通径 |
长度 |
外形尺寸(参考值) |
连接尺寸(标准值) |
|
0.6MPa |
1.0MPa |
1.6MPa |
|
毫米 |
英寸 |
L |
H |
H1 |
A |
D |
D1 |
n-d |
D |
D1 |
n-d |
D |
D1 |
n-d |
|
50 |
2 |
108 |
63 |
315 |
180 |
140 |
110 |
4-14 |
165 |
125 |
4-18 |
165 |
125 |
4-18 |
|
65 |
21/2 |
112 |
70 |
330 |
180 |
160 |
130 |
4-14 |
185 |
145 |
4-18 |
185 |
145 |
4-18 |
|
80 |
3 |
114 |
83 |
390 |
245 |
190 |
150 |
4-18 |
200 |
160 |
8-18 |
200 |
160 |
8-18 |
|
100 |
4 |
127 |
105 |
431 |
240 |
210 |
170 |
4-18 |
220 |
180 |
8-18 |
220 |
180 |
8-18 |
|
125 |
5 |
140 |
115 |
455 |
240 |
240 |
200 |
8-18 |
250 |
210 |
8-18 |
250 |
210 |
8-18 |
|
150 |
6 |
140 |
137 |
626 |
350 |
265 |
225 |
8-18 |
285 |
240 |
8-22 |
285 |
240 |
8-22 |
|
200 |
8 |
152 |
164 |
720 |
350 |
320 |
280 |
8-18 |
340 |
295 |
8-22 |
340 |
295 |
12-22 |
|
250 |
10 |
165 |
206 |
800 |
550 |
375 |
335 |
12-18 |
395 |
350 |
12-22 |
405 |
355 |
12-26 |
|
300 |
12 |
178 |
230 |
860 |
600 |
440 |
395 |
12-22 |
445 |
400 |
12-22 |
460 |
410 |
12-26 |
|
350 |
14 |
190 |
248 |
883 |
600 |
490 |
445 |
12-22 |
505 |
460 |
16-22 |
520 |
470 |
16-26 |
|
400 |
16 |
216 |
289 |
972 |
600 |
540 |
495 |
16-22 |
565 |
515 |
16-26 |
580 |
525 |
16-30 |
|
450 |
18 |
222 |
320 |
1043 |
750 |
595 |
550 |
16-22 |
615 |
565 |
20-26 |
640 |
585 |
20-30 |
|
500 |
20 |
229 |
343 |
1098 |
750 |
645 |
600 |
20-22 |
670 |
620 |
20-26 |
715 |
650 |
20-33 |
|
600 |
24 |
267 |
413 |
1236 |
750 |
755 |
705 |
20-26 |
780 |
725 |
20-30 |
840 |
770 |
20-36 |
|
700 |
28 |
430 |
478 |
1431 |
750 |
860 |
810 |
24-26 |
895 |
840 |
24-30 |
910 |
840 |
24-36 |
|
800 |
32 |
470 |
525 |
1488 |
750 |
975 |
920 |
24-30 |
1015 |
950 |
24-33 |
1025 |
950 |
24-39 |
|
900 |
36 |
510 |
620 |
1615 |
1250 |
1075 |
1020 |
24-30 |
1115 |
1050 |
28-33 |
1125 |
1050 |
28-39 |
|
1000 |
40 |
550 |
725 |
1765 |
1500 |
1175 |
1120 |
28-30 |
1230 |
1160 |
28-36 |
1255 |
1170 |
28-42 |
|
1200 |
48 |
630 |
780 |
1976 |
1500 |
1405 |
1340 |
32-33 |
1455 |
1380 |
32-39 |
1485 |
1390 |
32-48 |
声明:【D641X气动法兰蝶阀】规格型号、结构尺寸由上海凯利科阀门有限公司提供,如何选择适用的D641X气动法兰蝶阀产品,使之在工艺控制中安全可靠、经济适用,可致电我司销售部门及技术部门,我们将在最短的时间内为您解答! |