首页
公司介绍
新闻中心
组织机构
服务理念
售后服务
联系我们
产品中心
jtgk.png

产品中心

气动切断球阀,气动O型切断球阀

您的位置:阀门 - 球阀 - 气动切断球阀,气动O型切断球阀 更新时间:2024-07-27 09:07:48
气动切断球阀,气动O型切断球阀
    • 质量安全:压力、材质、密封等全方位检测确保质量过关!
    • 价格比较:在相同品质的情况下,厂里直销,更具有优势!
    • 交货快捷:常规产品现货供应,生产加工销售一条龙服务!
      上海凯利科阀门竭诚为您提供安全可靠的气动切断球阀,气动O型切断球阀成套技术方案,以及售前选型报价,售后技术指导、安装、调试服务!

    • 产品描述
    • 在线询价
    • 技术咨询
    气动切断球阀,气动O型切断球阀气动切断球阀,气动O型切断球阀

    Q641F气动切断球阀、气动O型切断球阀一种转角为90°的旋转类球阀,也可称为"气动O型球阀"。是采用角行程气动执行器及球阀组成。是在引进国外先进技术的基础上进行特殊设计、精心制造的产品。采用智能控制与定位,与电气阀门定位器配套,输入4~20mADC信号及0.4~0.7MPa气源即可控制运转。

    产品名称: 气动切断球阀、气动O型切断球阀 产品型号: Q641F
    公称通径: DN15~DN300 结构形式: 球形
    公称压力: 1.6Mpa~16.0Mpa 连接方式: 法兰、对夹、内螺纹、焊接
    适用温度: ≤350ºC 驱动方式: 气动(可佩带手动)
    阀体材质: 铸钢、不锈钢 制造标准: 国标GB、德国DIN、美国API、ANSI
    适用介质: 水、油、气体、液体 生产厂家: 上海凯利科阀门有限公司

    产品说明

    Q641F气动切断球阀、气动O型切断球阀一种转角为90°的旋转类球阀,也可称为"气动O型球阀"。是采用角行程气动执行器及球阀组成。是在引进国外先进技术的基础上进行特殊设计、精心制造的产品。采用智能控制与定位,与电气阀门定位器配套,输入4~20mADC信号及0.4~0.7MPa气源即可控制运转,实现对压力、流量、温度、液位等参数的调节。气动切断球阀、气动O型切断球阀是以压缩空气为动力,阀杆带动阀芯在阀体内转动90°可以实现全开—全闭的动作。按其密封性能分为金属密封与软密封。具有结构紧凑、体积精小、运行可靠、密封性好、维修容易、安装方便、适应性强等优点。特别适合于介质是粘稠、含颗粒、纤维性质的场合。气动调节球阀广泛应用于石油、化工、教学设备、轻工、高压设备、制药、造纸等工业自动控制系统中,作远距离集中控制或就地控制。

    产品特点

    1、流体阻力小、球阀是所有阀类中流体阻力最小的一种,即使是缩径球阀,其流体阻力也相当小。
    2、止推轴承减小阀杆磨擦力矩,可使阀杆长期操作平稳灵活。
    3、阀座密封性能好,采用聚四氟乙烯等弹性材料制成的密封圈,结构易于密封,而且球阀的阀封能力随着介质压力的增高而增大。
    4、阀杆密封可靠,由于阀杆只作彷转动运而不做升降运动,阀杆的填料密封不易破坏,且密封能力随着介质的压力增高而增大。
    5、由于聚四氟乙烯等材料具有良好的自润滑性,与球体的磨擦损失小,故球阀的使用寿命长。

    设计规范

    设计与制造 GB12237-89、API608、API 6D、JPI 7S-48、BS5351、DIN3357
    法兰尺寸 JB/T74~90(JB74~90)、GB9112~9131、HGJ44~76、SH3406、ANSI B16.5、JIS B2212~2214
    结构长度 GB12221-89、ANSI B16.10、JIS B2002、NF E29-305、DIN3202
    检验与试验 JB/T9113.1、API 598

    主要技术参数

    公称通径DN(mm) 15 20 25 32 40 50 65 80 100 125 150 200
    额定流量系数KV 21 38 72 112 170 273 384 512 940 1452 2222 3589
    公称压力(MPa) PN1.6、2.5、4.0、6.4 MPa;ANSI 150、300LB
    阀体形式 两段式铸造球阀
    连接形式 法兰式、焊接式、对夹式、螺纹式
    阀芯形式 "O"型球形阀芯
    密封填料 V型聚四氟乙烯填料、柔性石墨填料等
    流量特性 近似快开型
    动作范围 0~90°
    泄露量Q 按GB/T4213-92,小于额定KV0.01%
    基本误差 带定位器:小于全行程的±2%
    回差 带定位器:小于全行程的2%

    执行器技术参数

    执行器型号 GT、SR、ST、AT、AW系列单双作用气动执行器
    供气压力 0.4~0.7MPa
    气源接口 G1/4"、G1/8"、G3/8"、G1/2"
    环境温度 -30~+70℃
    作用形式 单作用执行机构:气关式(B)--失气时阀位开(FO);气开式(K)--失气时阀位关(FC)
    双作用执行机构:气关式(B)--失气时阀位保持(FL);气开式(K)-- 失气时阀位保持(FL)
    可配附件 定位器、电磁阀、空气过滤减压器、保位阀、行程开关、阀位传送器、手轮机构等

    主要零件材料

    零件名称 材料
    阀体 WCB 304(CF8) 316(CF8M) 316L(CF3M)
    球体 2Cr13+氮化处理 304 316 316L
    阀杆 2Cr13 304 316 316L
    阀座密封圈 PTFE(聚四氟乙烯)、PPL(对位聚苯)、金属密封(硬质合金)
    填料 V型PTFE四氟填料、柔性石墨

    主要设计标准

    试验标准 公称压力(Mpa) 压力级(class) JIS(Mpa)
    试验压力(Mpa) 1.6 2.5 4.0 6.4 10.0 150 300 600 10K 20K
    强度试验 2.4 3.8 6.0 9.6 15.0 3.1 7.8 15.3 2.4 3.8
    密封试验 1.8 2.8 4.4 7.0 11.0 2.2 5.6 11.2 1.5 2.8
    气密试验 0.5~0.7

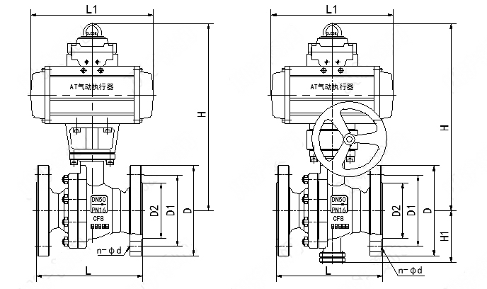
    外形结构图

     

    安装连接尺寸

    公称通径DN(mm) 主要尺寸 法兰尺寸
    PN1.6MPa PN2.5MPa
    L H H1 L1 D D1 D2 n-φd D D1 D2 n-φd
    15 130 185 / 140 95 65 46 4-14 95 65 46 4-14
    20 140 191 / 140 105 75 45 4-14 105 75 56 4-14
    25 150 193 / 140 115 85 65 4-14 115 85 65 4-14
    32 165 212 / 164 140 100 76 4-18 140 100 76 4-18
    40 180 217 / 164 150 110 84 4-18 150 110 84 4-18
    50 200 260 102 190 165 125 99 4-18 165 125 99 4-18
    65 220 293 114 210 185 145 118 4-18 185 145 118 8-18
    80 250 323 127 247 200 160 132 8-18 200 160 132 8-18
    100 280 382 152 276 220 180 156 8-18 235 190 156 8-22
    125 320 468 184 348 250 210 184 8-18 270 220 184 8-26
    150 360 510 219 378 285 240 211 8-22 300 250 211 8-26
    200 400 655 273 524 340 295 266 12-22 360 310 274 12-26
    250 630 / 360 / 405 355 319 12-26 425 370 330 12-30
    300 750 / 395 / 460 410 370 12-26 485 430 389 16-30
     

    声明:【气动切断球阀,气动O型切断球阀】规格型号、结构尺寸由上海凯利科阀门有限公司提供,如何选择适用的气动切断球阀,气动O型切断球阀产品,使之在工艺控制中安全可靠、经济适用,可致电我司销售部门及技术部门,我们将在最短的时间内为您解答!

    Copyright ©2011-2022 上海凯利科阀门有限公司,版权所有。 沪ICP备11046016号-29 网站地图

    销售电话:021-31001158

    手机号码:13816746668 陈国辉/经理

    电子邮件:klkvalves@126.com@126.com

    主营产品:球阀,闸阀,蝶阀,截止阀,止回阀,调节阀

    本周热门:气动球阀气动蝶阀气动刀闸阀气动调节阀电动球阀电动蝶阀电动刀闸阀电动调节阀不锈钢球阀不锈钢闸阀不锈钢截止阀不锈钢止回阀不锈钢电磁阀高压电磁阀高压球阀波纹管截止阀

    官方网址:www.fm058.com