首页
公司介绍
新闻中心
组织机构
服务理念
售后服务
联系我们
产品中心
jtgk.png

产品中心

XD381X涡轮沟槽信号蝶阀

您的位置:阀门 - 蝶阀 - XD381X涡轮沟槽信号蝶阀 更新时间:2024-07-27 09:07:42
XD381X涡轮沟槽信号蝶阀
    • 质量安全:压力、材质、密封等全方位检测确保质量过关!
    • 价格比较:在相同品质的情况下,厂里直销,更具有优势!
    • 交货快捷:常规产品现货供应,生产加工销售一条龙服务!
      上海凯利科阀门竭诚为您提供安全可靠的XD381X涡轮沟槽信号蝶阀成套技术方案,以及售前选型报价,售后技术指导、安装、调试服务!

    • 产品描述
    • 在线询价
    • 技术咨询
    XD381X涡轮沟槽信号蝶阀XD381X涡轮沟槽信号蝶阀

    XD381X涡轮沟槽信号蝶阀适用于消防系统中控制阀门,要求常开的场合,当阀门开或关到指定位置时,阀门上的信号装置便可发出信号送至消防检测中心可以显示出蝶阀开启或关闭,以防止阀门误关闭而影响自动喷水灭火功能。

    产品名称: 涡轮沟槽信号蝶阀 产品型号: XD381X
    公称通径: DN50~DN300 阀座密封: 丁青橡胶、聚四氟乙烯
    公称压力: 1.0Mpa~1.6MPa 连接方式: 沟槽、对夹、法兰
    适用温度: -20ºC~+80ºC 驱动方式: 手动、蜗轮、电动、气动
    阀体材质: 铸铁、球墨铸铁、铸钢 制造标准: 国标GB、德国DIN、美国API、ANSI
    适用介质: 水、油、气 生产厂家: 上海凯利科阀门有限公司

    产品说明

    XD381X涡轮沟槽信号蝶阀适用于消防系统中控制阀门,要求常开的场合,当阀门开或关到指定位置时,阀门上的信号装置便可发出信号送至消防检测中心可以显示出蝶阀开启或关闭,以防止阀门误关闭而影响自动喷水灭火功能。

    产品特点

    XD381X涡轮沟槽信号蝶阀引进国外先进技术而自行开发的中线型蝶阀,当阀门被误关闭25%(全开度的1/4)时,电信号装置便输出被误关闭的信号到消防控制中心。XD381X涡轮沟槽信号蝶阀是消防自动喷水灭火系统的最佳配套产品。XD381X涡轮沟槽信号蝶阀的电信号装置设计于蜗杆、蜗轮驱动装置的顶部,并与阀杆直联传动,在精密全封闭的机电装置内,没有阀门开启度机械指示器和进口电气元件及防锈机件。输出信号长期稳定可靠。是消防工程中ZS系列自动喷水来灭火系统的控制阀,是一种蜗轮传动对夹带有启闭信号装置的蝶阀,具有显示灭水装置水源启闭功能,该阀具有密封性能好、开闭灵活、启闭显示位置准确、可靠、防潮等特点。

    产品优点

    1、小型轻便,容易拆装及维修,并可以任意位置安装。
    2、结构简单、紧凑、90°旋转启闭迅速。
    3、操作扭矩小,省力轻巧。
    4、达到完全密封,气体试验泄漏为零。
    5、选择不同零部件材质,可适用多种介质。
    6、流量特性趋于直线,调节性能好。
    7、启闭试验次数多达万次,使用寿命长。

    性能参数

    型号 XD381X-10 XD381X-16
    工作压力(MPa) 1.0 1.6
    适用温度(℃) ≤80℃
    适用介质 水等
    材料 阀体 铸铁、球墨铸铁
    蝶板 球墨铸铁(表面尼龙覆层)
    阀杆 铬不锈钢
    阀座 丁晴橡胶、球铁
    填料 O形橡胶圈

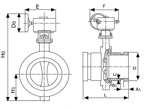
    外形结构图

    主要外形和连接尺寸

    规格 尺寸 (mm)
    mm inch A B C D E F
    50 2 81 60 8 16 85 57
    65 2.5 97 73 8 16 106 65
    80 3 97 89 8 16 113 75
    100 4 116 114 10 16 135 90
    125 5 148 141 10 16 148 110
    150 6 148 168 10 16 181 124
    200 8 134 219 11 19 204 155
    250 10 159 273 13 19 230 190
    300 12 166 324 13 19 270 230
     

    声明:【XD381X涡轮沟槽信号蝶阀】规格型号、结构尺寸由上海凯利科阀门有限公司提供,如何选择适用的XD381X涡轮沟槽信号蝶阀产品,使之在工艺控制中安全可靠、经济适用,可致电我司销售部门及技术部门,我们将在最短的时间内为您解答!

    Copyright ©2011-2022 上海凯利科阀门有限公司,版权所有。 沪ICP备11046016号-29 网站地图

    销售电话:021-31001158

    手机号码:13816746668 陈国辉/经理

    电子邮件:klkvalves@126.com@126.com

    主营产品:球阀,闸阀,蝶阀,截止阀,止回阀,调节阀

    本周热门:气动球阀气动蝶阀气动刀闸阀气动调节阀电动球阀电动蝶阀电动刀闸阀电动调节阀不锈钢球阀不锈钢闸阀不锈钢截止阀不锈钢止回阀不锈钢电磁阀高压电磁阀高压球阀波纹管截止阀

    官方网址:www.fm058.com