

XD371X对夹信号蝶阀
XD371X对夹信号蝶阀适用于消防系统中控制阀门,要求常开的场合,当阀门开或关到指定位置时,阀门上的信号装置便可发出信号送至消防检测中心可以显示出蝶阀开启或关闭,以防止阀门误关闭而影响自动喷水灭火功能。
| 产品名称: | 对夹信号蝶阀 | 产品型号: | XD371X |
| 公称通径: | DN50~DN300 | 阀座密封: | 丁青橡胶、聚四氟乙烯 |
| 公称压力: | 1.0Mpa~1.6MPa | 连接方式: | 对夹、法兰 |
| 适用温度: | -20ºC~+80ºC | 驱动方式: | 手动、蜗轮、电动、气动 |
| 阀体材质: | 铸铁、球墨铸铁、铸钢、不锈钢 | 制造标准: | 国标GB、德国DIN、美国API、ANSI |
| 适用介质: | 水、油、气 | 生产厂家: | 上海凯利科阀门有限公司 |
| 型号 | XD371X-10 | XD371X-16 | |
| 工作压力(MPa) | 1.0 | 1.6 | |
| 适用温度(℃) | ≤80℃ | ||
| 适用介质 | 水等 | ||
| 材料 | 阀体 | 铸铁 | |
| 蝶板 | 球墨铸铁(表面尼龙覆层) | ||
| 阀杆 | 铬不锈钢 | ||
| 阀座 | 丁晴橡胶 | ||
| 填料 | O形橡胶圈 | ||
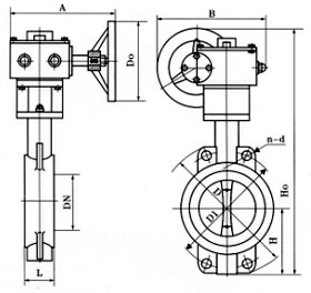
| 公称通径 |
结构长度 (标准值) |
外形尺寸(参考值) | 连接尺寸(标准值) |
参考重量 (kg) |
|||||||
| 1.6MPa | |||||||||||
| 毫米 | 英寸 | L | H | H0 | A | B | D0 | D | D1 | n-d | |
| 50 | 2 | 43 | 102 | 362 | 200 | 200 | 160 | 165 | 125 | 4-18 | 15 |
| 65 | 2 1/2 | 46 | 112 | 382 | 200 | 200 | 160 | 185 | 145 | 4-18 | 17 |
| 80 | 3 | 49 | 120 | 400 | 200 | 200 | 160 | 200 | 160 | 8-18 | 19.5 |
| 100 | 4 | 56 | 137 | 434 | 200 | 200 | 160 | 220 | 180 | 8-18 | 23 |
| 125 | 5 | 64 | 162 | 480 | 200 | 200 | 160 | 250 | 210 | 8-18 | 28 |
| 150 | 6 | 70 | 174 | 550 | 280 | 280 | 240 | 285 | 240 | 8-22 | 48 |
| 200 | 8 | 71 | 207 | 615 | 280 | 280 | 240 | 340 | 295 | 12-22 | 53 |
| 250 | 10 | 76 | 242 | 694 | 280 | 280 | 240 | 405 | 355 | 12-26 | 94 |
| 300 | 12 | 83 | 284 | 829 | 420 | 520 | 350 | 460 | 410 | 12-26 | 124 |
声明:【XD371X对夹信号蝶阀】规格型号、结构尺寸由上海凯利科阀门有限公司提供,如何选择适用的XD371X对夹信号蝶阀产品,使之在工艺控制中安全可靠、经济适用,可致电我司销售部门及技术部门,我们将在最短的时间内为您解答! |