首页
公司介绍
新闻中心
组织机构
服务理念
售后服务
联系我们
产品中心
jtgk.png

产品中心

D21X卫生级外螺纹蝶阀

您的位置:阀门 - 蝶阀 - D21X卫生级外螺纹蝶阀 更新时间:2024-07-27 09:07:43
D21X卫生级外螺纹蝶阀
    • 质量安全:压力、材质、密封等全方位检测确保质量过关!
    • 价格比较:在相同品质的情况下,厂里直销,更具有优势!
    • 交货快捷:常规产品现货供应,生产加工销售一条龙服务!
      上海凯利科阀门竭诚为您提供安全可靠的D21X卫生级外螺纹蝶阀成套技术方案,以及售前选型报价,售后技术指导、安装、调试服务!

    • 产品描述
    • 在线询价
    • 技术咨询
    D21X卫生级外螺纹蝶阀D21X卫生级外螺纹蝶阀

    D21X卫生级外螺纹蝶阀专用于乳制品、食品、制药、啤酒、化妆品等工业领域。卫生级外螺纹蝶阀是用圆形蝶板作启闭件并随阀杆转动来开启、关闭和调节流体通道的一种不锈钢阀门。所有卫生蝶阀与介质接触部份均为镜面抛光处理。

    产品名称: 卫生级外螺纹蝶阀 产品型号: D21X
    公称通径: DN25~DN200 阀座密封: 丁青橡胶、聚四氟乙烯
    公称压力: 1.0Mpa~1.6MPa 连接方式: 卡箍快装、外螺纹、焊接
    适用温度: -20ºC~+80ºC-150ºC 驱动方式: 手动、电动、气动
    阀体材质: 不锈钢304、316、316L 制造标准: 国标GB、德国DIN、美国API、ANSI
    适用介质: 水、油、气、液体 生产厂家: 上海凯利科阀门有限公司

    产品说明

    D21X卫生级外螺纹蝶阀专用于乳制品、食品、制药、啤酒、化妆品等工业领域。卫生级外螺纹蝶阀是用圆形蝶板作启闭件并随阀杆转动来开启、关闭和调节流体通道的一种不锈钢阀门。所有卫生蝶阀与介质接触部份均为镜面抛光处理。

    产品优点

    1 、蝶阀橡胶密封圈与阀板均采用进口件,保证了蝶阀的使用性能和使用寿命;
    2 、采用高精度数控车床精车阀体,保证了蝶阀可靠的互换性,免去了因更换橡胶而不能保证其使用性能的麻烦;
    3 、阀杆镶装尼龙轴套,减小了磨擦力因而开启灵活轻松;
    4 、钢件均采用不锈钢制作,橡胶采用食品橡胶,卫生质量高;
    5 、阀体通径与管道内径等径,开启时窄而呈流线型的阀板与流体方向一致,流量大而阻力小,无物料积聚;
    6 、手柄采用扳动式和拉动式,可承受较大操作力矩,不易扳断;
    7 、开闭范围为0~90°,可固定于每隔15°的位置上,具有可调性,且开闭迅速,操作方便;
    8 、阀体均采用可拆连接,结构简单,维修方便;
    9 、造型轻巧美观,表面光亮而不粘尘,无毛刺扎手;
    10 、经过严密的强度和密封试验,保证质量。

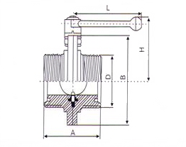
    外形结构图

    主要外形尺寸

    Size A B D L
    DN20 66 78 44×1/6 130
    DN25 66 78 52×1/6 130
    DN32 70 86 58×1/6 130
    DN40 74 90 65×1/6 130
    DN50 76 106 78×1/6 140
    DN65 84 124 95×1/6 150
    DN80 90 139 110×1/4 170
    DN100 108 159 130×1/4 170
    DN125 130 190 160×1/4 190
    DN150 150 220 190×1/4 190
    (工业标准:ISO、DIN、IDF、3A、SMS)

    声明:【D21X卫生级外螺纹蝶阀】规格型号、结构尺寸由上海凯利科阀门有限公司提供,如何选择适用的D21X卫生级外螺纹蝶阀产品,使之在工艺控制中安全可靠、经济适用,可致电我司销售部门及技术部门,我们将在最短的时间内为您解答!

    Copyright ©2011-2022 上海凯利科阀门有限公司,版权所有。 沪ICP备11046016号-29 网站地图

    销售电话:021-31001158

    手机号码:13816746668 陈国辉/经理

    电子邮件:klkvalves@126.com@126.com

    主营产品:球阀,闸阀,蝶阀,截止阀,止回阀,调节阀

    本周热门:气动球阀气动蝶阀气动刀闸阀气动调节阀电动球阀电动蝶阀电动刀闸阀电动调节阀不锈钢球阀不锈钢闸阀不锈钢截止阀不锈钢止回阀不锈钢电磁阀高压电磁阀高压球阀波纹管截止阀

    官方网址:www.fm058.com