



Z47WF燃气专用平板闸阀
Z47WF燃气专用平板闸阀专用于天然气、液体石油气煤气、油品等,它以独特的设计、新颖的结构和良好的密封性能彻底解决了阀门因燃气结焦而引起的关不严、开不动等问题,有效地提高了密封性能和使用寿命,真正达到零泄漏。
| 产品名称: | 燃气专用平板闸阀 | 产品型号: | Z47WF、Z547WF、Z647WF、Z947WF |
| 公称通径: | DN25~DN100 | 结构形式: | 闸板式 |
| 公称压力: | 1.6Mpa~6.4Mpa | 连接方式: | 焊接、法兰 |
| 适用温度: | -20ºC~+121ºC | 驱动方式: | 手动、伞齿轮、电动、气动 |
| 阀体材质: | WCB、铸钢 | 制造标准: | 国标GB、德国DIN、美国API、ANSI |
| 适用介质: | 水、石油、天然气 | 生产厂家: | 上海凯利科阀门有限公司 |
| 压力等级 | 常温试验压力(MPa) | 适用温度 | 适用介质 | |||||
| 壳体试验 | 左密封 | 右密封 | 低压气密封 | 普通型 | 抗硫型 | |||
|
公称压力 (MPa) |
1.6 | 2.4 | 1.76 | 1.76 | 0.6 | -29~121℃或按用户要求 | 石油、天然气、水等非腐蚀性介质 | 含H2S、Co2的石油、天然气、水等腐蚀性介质 |
| 2.5 | 3.75 | 2.75 | 2.75 | 0.6 | ||||
| 4.0 | 6.0 | 4.4 | 4.4 | 0.6 | ||||
| 6.4 | 9.6 | 7.04 | 7.04 | 0.6 | ||||
| 磅级(Lb) | 150 | 3.0 | 2.2 | 2.2 | 0.6 | |||
| 300 | 7.5 | 5.5 | 5.5 | 0.6 | ||||
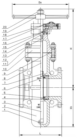
| 序号 | 零件名称 | 材料 |
| 1 | 排污堵头 | 25 |
| 2 | 阀体 | WCB |
| 3 | 闸板 | 16Mn+ENP |
| 4 | 阀座 | 16Mn |
| 5 | O形圈 | NBR |
| 6 | 密封圈 | PTFE |
| 7 | 阀杆螺母 | ZQAL9-4 |
| 8 | 阀杆 | 1Cr13 |
| 9 | 垫片 | 柔性石墨+1Cr18Ni9 |
| 10 | 阀盖 | WCB |
| 11 | 双头螺柱 | 35CrMo |
| 12 | 螺母 | 45 |
| 13 | O形圈 | NBR |
| 14 | 轴承 | 组件Package |
| 15 | 对开环 | 45 |
| 16 | 内六角螺钉 | 35 |
| 17 | 键 | 45 |
| 18 | 开关指示器 | PTFE+1Cr18Ni9 |
| 19 | 手轮 | Q235A |
| 20 | 螺母 | 35 |
|
DN (mm) |
NPS (in) |
法兰 | 对焊 | 手动 | ||
| L | L1 | H | H1 | D0 | ||
| 25 | 1 | 165 | - | 85 | 228 | 180 |
| 32 | 11/4 | 165 | - | 103 | 231 | 180 |
| 40 | 11/2 | 178 | - | 115 | 240 | 250 |
| 50 | 2 | 178 | 216 | 130 | 255 | 250 |
| 65 | 21/2 | 190 | 241 | 160 | 355 | 300 |
| 80 | 3 | 203 | 283 | 180 | 360 | 300 |
| 100 | 4 | 229 | 305 | 214 | 400 | 300 |
| 125 | 5 | 254 | 381 | 257 | 460 | 350 |
| 150 | 6 | 267 | 403 | 300 | 500 | 350 |
| 200 | 8 | 292 | 419 | 388 | 570 | 350 |
| 250 | 10 | 330 | 457 | 475 | 680 | 400 |
| 300 | 12 | 356 | 502 | 547 | 750 | 450 |
| 350 | 14 | 381 | 572 | 625 | 875 | 450 |
| 400 | 16 | 406 | 610 | 712 | 1000 | 500 |
| 450 | 18 | 432 | 660 | 785 | 1130 | 500 |
| 500 | 20 | 457 | 711 | 880 | 1200 | 600 |
| 600 | 24 | 508 | 813 | 1045 | 1420 | 800 |
| 700 | 28 | 610 | 914 | 1190 | 1650 | 800 |
| 800 | 32 | 660 | 914 | 1360 | 1880 | 1000 |
| 900 | 36 | 771 | 1016 | 1510 | 2100 | 1000 |
| 1000 | 40 | 811 | - | 1715 | 2300 | 1200 |
声明:【Z47WF燃气专用平板闸阀】规格型号、结构尺寸由上海凯利科阀门有限公司提供,如何选择适用的Z47WF燃气专用平板闸阀产品,使之在工艺控制中安全可靠、经济适用,可致电我司销售部门及技术部门,我们将在最短的时间内为您解答! |