首页
公司介绍
新闻中心
组织机构
服务理念
售后服务
联系我们
产品中心
jtgk.png

产品中心

D971X-10S电动塑料蝶阀

您的位置:阀门 - 蝶阀 - D971X-10S电动塑料蝶阀 更新时间:2024-07-27 09:07:49
D971X-10S电动塑料蝶阀
    • 质量安全:压力、材质、密封等全方位检测确保质量过关!
    • 价格比较:在相同品质的情况下,厂里直销,更具有优势!
    • 交货快捷:常规产品现货供应,生产加工销售一条龙服务!
      上海凯利科阀门竭诚为您提供安全可靠的D971X-10S电动塑料蝶阀成套技术方案,以及售前选型报价,售后技术指导、安装、调试服务!

    • 产品描述
    • 在线询价
    • 技术咨询
    D971X-10S电动塑料蝶阀D971X-10S电动塑料蝶阀

    D971X-10S电动塑料蝶阀采用一体式精小型电动执行器与塑料蝶阀组成,电动执行机构无须配伺服放大器,输入220V电源即可直接进行开关量调节,亦可内置伺服模块,输入控制信号(4~20mADC或1~5VDC)及单相电源即可控制运转。

    产品名称: 电动塑料蝶阀 产品型号: D971X-10S
    公称通径: DN40~DN300 阀座密封: 橡胶密封或者四氟密封
    公称压力: 0.6Mpa~1.6MPa 连接方式: 对夹式
    适用温度: -25ºC~+135ºC 驱动方式: 手动、蜗轮、电动、气动
    阀体材质: PVC、UPVC、CPVC、PPR、ABS、PVDF 制造标准: 国标GB、德国DIN、美国API、ANSI
    适用介质: 强酸、碱、腐蚀性液体 生产厂家: 上海凯利科阀门有限公司

    产品说明

    D971X-10S电动塑料蝶阀采用一体式精小型电动执行器与塑料蝶阀组成,电动执行机构无须配伺服放大器,输入220V电源即可直接进行开关量调节,亦可内置伺服模块,输入控制信号(4~20mADC或1~5VDC)及单相电源即可控制运转。具有连线简单,结构紧凑、尺寸小、重量轻、阻力小、动作稳定可靠等优点外型结构紧凑美观 本体重量轻容易安装 耐腐蚀性强,应用范围广材质卫生无毒 耐磨损、容易拆卸,维护简单易行。适用于带腐蚀性介质的输送过程的截流,根据不同材质温度-14℃~100℃、-40℃~140℃。密封圈采用F4。耐腐性能优异,延长使用寿命。转动灵活、使用方便。泄漏点少,强度高,装拆方便。含硬颗粒液体容易使球表面划伤。全部零件采用FRPP、PVDF、CPVC、UPVC、PVC、RPP 、ABS注塑件组装成型,耐腐蚀性能优良。

    电动执行器

    1、壳体:壳体为硬质铝合金,经阳极氧化处理和聚酯粉末涂层,耐腐蚀性强,防护等级为IP67,NEMA4和6,并有IP68型供选择。
    2、电机:全封闭式鼠笼式电机,体积小,扭矩大,惯性力小,绝缘等级为F级,内置过热保护开关,可防止过热损坏电机。
    3、手动结构:手柄的设计保证安全可靠、省力、体积小。不通电时,扳动手柄可进行手动操作。不用手动时,将扳手置于扳手夹内,方便使用。
    4、指示器:指示器安装在中心轴上,可以观察阀门位置。透镜采用凸出镜设计,不积水,观察更方便。
    5、干燥器:用来控制温度,防止由于温度和天气变化导致执行器内部水分凝结,保持内部电气元件的干燥。
    6、密封:密封性好,标准产品防护等级是IP67,并可选IP68防护等级。
    7、限位开关:机械,电子双重限位。机械限位螺钉可调,安全可靠;电子限位开关由凸轮机构来控制,简单的调整机构能精确并方便地设定位置,且不受手轮过量的影响。
    8、自锁:精密的蜗轮蜗杆机构可高效传输大扭矩,效率高,噪音低(最大50分贝),寿命长;有自锁功能,防止反转,传动部分稳定可靠,无需再加油。
    9、防脱螺栓:拆除外壳时,螺栓附在壳体上,不会脱落。
    10、安装:底部安装尺寸符合ISO5211/ DIN3337国际标准,孔成双四方形便于带方杆的阀线性或45°转角安装,适应性强。可以垂直安装,也可以水平安装。
    11、线路:控制线路符合单相或三相电源标准,线路布置紧凑合理,接线端子可有效满足各种附加功能的要求。

    技术参数

    公称通径 50 65 80 100 125 150 200 250 300
    公称压力 PN1.0、1.6MPa
    连接形式 对夹式
    密封材质 FPM、EPDM、NBR
    适用温度 0~+60℃
    阀体材质 UPVC、CPVC、PP
    阀芯材质 UPVC、CPVC、PP、PTFE
    适用介质 PVC兼容的食品工业化学溶剂
    配用执行机构 可配PSQ、HQ、UNIC、361RS、HR等系列角行程电动执行机构
    阀结构 A型
    阀板形式 蝶形(垂直板式)
    执行机构型号 CHR、381R、HQ
    主要技术参数 电源电压:220V/50Hz、380V/50Hz、输入信号:4-20mA或1-5V·DC、输出信号:4-20mA·DC
    防护等级:相当IP67、隔爆标志:ExdⅡBT4、手操功能:手柄、手轮
    环境温度:-25~+70℃、环境湿度:≤95%
    流量特性 线性
    控制方式 开关到位灯(开关两位控制)、智能调节(4~20mA模拟量信号控制)

    性能规范

    公称通径DN 50~300(mm)
    公称压力 PN(MPa) 0.6 1.0 1.6
    试验压力 强度试验 0.9 1.5 2.4
    密封试验 0.66 1.1 1.76
    气密封试验 0.6 0.6 0.6

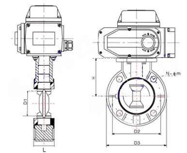
    外形结构图

    外形连接尺寸

    通径(mm) 英寸″ 尺寸(mm)
    L D1 D2-ANSI D2-JIS D2-DIN D3 H N-φm-ANSI N-φm-JSI N-φm-DIN
    50 2 43 56.5 120.39 120 125 165 103 4-19 4-19 4-18
    65 2 1/2 47.5 70 139.44 140 145 185 113 4-19 4-19 4-18
    80 3 47.5 79 152.4 150 160 201 115 4-19 4-19 4-18
    100 4 57.2 103 190.5 175 180 229 135 8-19 8-19 8-18
    125 5 66 130 216 210 210 257 165 8-22 8-23 8-18
    150 6 74 151 241.55 240 240 285 177 8-22 8-23 8-23
    200 8 87.5 200 298.5 290 295 343 210 8-22 8-23 8-23
    250 10 110 255 362 355 350 411 240 12-25 12-25 12-23
    300 12 129 311 432 400 400 490 297 12-25 12-25 12-23
     
     

    声明:【D971X-10S电动塑料蝶阀】规格型号、结构尺寸由上海凯利科阀门有限公司提供,如何选择适用的D971X-10S电动塑料蝶阀产品,使之在工艺控制中安全可靠、经济适用,可致电我司销售部门及技术部门,我们将在最短的时间内为您解答!

    上一篇:PVDF塑料蝶阀 下一篇:PVC电动蝶阀

    Copyright ©2011-2022 上海凯利科阀门有限公司,版权所有。 沪ICP备11046016号-29 网站地图

    销售电话:021-31001158

    手机号码:13816746668 陈国辉/经理

    电子邮件:klkvalves@126.com@126.com

    主营产品:球阀,闸阀,蝶阀,截止阀,止回阀,调节阀

    本周热门:气动球阀气动蝶阀气动刀闸阀气动调节阀电动球阀电动蝶阀电动刀闸阀电动调节阀不锈钢球阀不锈钢闸阀不锈钢截止阀不锈钢止回阀不锈钢电磁阀高压电磁阀高压球阀波纹管截止阀

    官方网址:www.fm058.com