首页
公司介绍
新闻中心
组织机构
服务理念
售后服务
联系我们
产品中心
jtgk.png

产品中心

Q681F卫生级气动球阀

您的位置:阀门 - 球阀 - Q681F卫生级气动球阀 更新时间:2024-07-27 09:07:49
Q681F卫生级气动球阀
    • 质量安全:压力、材质、密封等全方位检测确保质量过关!
    • 价格比较:在相同品质的情况下,厂里直销,更具有优势!
    • 交货快捷:常规产品现货供应,生产加工销售一条龙服务!
      上海凯利科阀门竭诚为您提供安全可靠的Q681F卫生级气动球阀成套技术方案,以及售前选型报价,售后技术指导、安装、调试服务!

    • 产品描述
    • 在线询价
    • 技术咨询
    Q681F卫生级气动球阀Q681F卫生级气动球阀

    Q681F卫生级气动球阀采用SUS304、316、316L制作,高档抛光设备处理,达到表面精密度要求有快装、法兰、焊接、螺纹连接方式,广泛用于食品、饮料、制药、乳制品、啤酒以及精细化工。

    产品名称: 卫生级气动球阀 产品型号: Q681F
    公称通径: DN15~DN100 结构形式: 球形
    公称压力: 1.6Mpa~4.0Mpa 连接方式: 法兰、卡箍(快装)、螺纹、焊接
    适用温度: ≤150ºC 驱动方式: 手动、电动、气动
    阀体材质: 不锈钢304/316/316L 制造标准: 国标GB、德国DIN、美国API、ANSI、ISO
    适用介质: 食品、水、油、气体、液体 生产厂家: 上海凯利科阀门有限公司

    产品说明

    Q681F卫生级气动球阀采用SUS304、316、316L制作,高档抛光设备处理,达到表面精密度要求,有快装、法兰、焊接、螺纹连接方式,广泛用于食品、饮料、制药、乳制品、啤酒以及精细化工。可以满足食品、生物制药领域各种介质的特殊要求,其光滑、无缝、自动排空手工艺流体通道还非常适用于蒸汽踏它就地清洗的需要,在制造加工过程中严格按FDA要求进行质量临控,采用电脑三维设计,是为GMP要求而制造的。能够满足食品、生物制药领域各种介质的特殊要求,其光滑、无缝、自动排空手工艺流体通道还非常适用于蒸汽其他

    技术参数

    金属材质 与产品接触的部件 304/304L/316/316L
    不与产品接触的部件 304/304L/316/316L
    可提供EN 10204 3.1B证书书
    密封材质 标配 EPDM/PTFE
    选配 FPM/PTFE,HNBR/PTFE,Silicone/PTFE
    温度 连续工作温度 -20~+135℃(EPDM)
    灭菌温度 150℃(max 20min)
    压力 工作压力 0~5bar(standard)
    控制气源压力 5~8bar
    表面处理 内表面处理 Ra≤0.8μm
    外表面处理 亚光
    连接 连接标准 焊接端: DIN 11850 系列2
    焊接端: Inch管径标准
    连接方式:焊接、快装、螺纹\等常用连接方式

    气动执行器介绍

             采用新型GT系列或AT系列气动执行器,有双作用式和单作用式(弹簧复位),齿轮传动,安全可靠;大口径阀门采用AW型系列气动执行器拔叉式传动,结构合理,输出扭矩大,有双作用式和单作用式。
    1、齿轮式双活塞,输出力矩大,体积小。
    2、气缸选用铝金材料,重量轻、外形美观。
    3、可在顶部、底部安装手动操作机构。
    4、齿条式连接可调节开启角度、额定流量。
    5、执行器可选带电讯号反馈指示及各类附件以实现自动化操作。
    6、IS05211标准连接为产品的安装更换提供了方便。
    7、两端调的节螺钉可使标准产品在0°和90°有±4°的可调范围,确保与阀门的同步精度。

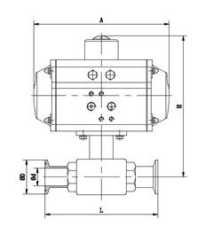
    外形结构图

     

    主要外形尺寸

    规格 d D L A H 执行器
    Ø20 16 50.5 102 144 144 AT050
    Ø25 21 50.5 117 144 149 AT050
    Ø32 29 50.5 125 144 156 AT050
    Ø40 35 50.5 140 163 180 AT063
    Ø50 47 64 180 214 206 AT075
    Ø65 59 77.5 200 214 212 AT075
    Ø76 72 91 220 252 230 AT088
    Ø89 80 106 235 252 235 AT088
    Ø102 97 119 275 270 256 AT100

    卫生级阀门系列


    声明:【Q681F卫生级气动球阀】规格型号、结构尺寸由上海凯利科阀门有限公司提供,如何选择适用的Q681F卫生级气动球阀产品,使之在工艺控制中安全可靠、经济适用,可致电我司销售部门及技术部门,我们将在最短的时间内为您解答!

    上一篇:Q81F卫生级球阀 下一篇:广式球阀

    Copyright ©2011-2022 上海凯利科阀门有限公司,版权所有。 沪ICP备11046016号-29 网站地图

    销售电话:021-31001158

    手机号码:13816746668 陈国辉/经理

    电子邮件:klkvalves@126.com@126.com

    主营产品:球阀,闸阀,蝶阀,截止阀,止回阀,调节阀

    本周热门:气动球阀气动蝶阀气动刀闸阀气动调节阀电动球阀电动蝶阀电动刀闸阀电动调节阀不锈钢球阀不锈钢闸阀不锈钢截止阀不锈钢止回阀不锈钢电磁阀高压电磁阀高压球阀波纹管截止阀

    官方网址:www.fm058.com