首页
公司介绍
新闻中心
组织机构
服务理念
售后服务
联系我们
产品中心
jtgk.png

产品中心

Q46F四通球阀

您的位置:阀门 - 球阀 - Q46F四通球阀 更新时间:2024-07-27 09:07:48
Q46F四通球阀
    • 质量安全:压力、材质、密封等全方位检测确保质量过关!
    • 价格比较:在相同品质的情况下,厂里直销,更具有优势!
    • 交货快捷:常规产品现货供应,生产加工销售一条龙服务!
      上海凯利科阀门竭诚为您提供安全可靠的Q46F四通球阀成套技术方案,以及售前选型报价,售后技术指导、安装、调试服务!

    • 产品描述
    • 在线询价
    • 技术咨询
    Q46F四通球阀Q46F四通球阀

    Q46F四通球阀在电站系统中称为双向供水转阀(在石化系统中也称空气换向切换阀)适用于液体、气体、粉尘、浆料及舍固体颗粒介质的循环系统。采用四通球阀替代该工艺管汇和阀组的工作原理,简化程序、方便操作、降低成本、便于控制、同步性好。

    产品名称: 四通球阀 产品型号: Q46F
    公称通径: DN15~DN100 结构形式: 球形
    公称压力: 1.6Mpa~4.0Mpa 连接方式: 法兰、螺纹
    适用温度: ≤425ºC 驱动方式: 手动、蜗轮、电动、气动
    阀体材质: 铸钢、不锈钢 制造标准: 国标GB、德国DIN、美国API、ANSI、ISO
    适用介质: 食品、水、油、气体、液体 生产厂家: 上海凯利科阀门有限公司

    产品说明

    Q46F四通球阀在电站系统中称为双向供水转阀(在石化系统中也称空气换向切换阀)适用于液体、气体、粉尘、浆料及舍固体颗粒介质的循环系统。采用四通球阀替代该工艺管汇和阀组的工作原理,简化程序、方便操作、降低成本、便于控制、同步性好。

    执行标准

    设计规范: GB/T12237 API 6D API 608 BS 5351
    结构长度: GB/T 12221 ASME B16.10
    法兰连接: GB/T 9113 ASME B16.5
    试验与检验:GB/T 13927 API598 API6D

    特点

    1、针对电力系统冷却器正反供水特定工艺过程设计,功能适用、可靠;
    2、顶装式固定球四面座阀芯结构密封性能好、耐沙粒磨损、使用寿命长;
    3、电动、气动操作(必要时可切换到手动操作);
    4、四通球阀便于控制控制箱与阀门间以及与上位机之间有良好的信息通道和操作介面:并可按工艺要求实现在一定时间间隔正反供水的自动切换。

    切换示意图

     

    构造图

     

    图中所标注数字解析

    1表示阀体,2表示锁紧螺母,3表示O型圈,4表示螺栓,5表示底盖,6表示垫片,7表示下阀杆,8表示球体,9表示密封圈,10表示阀座,11表示O型圈,12表示螺栓,13表示垫片,14表示阀盖,15表示阀杆,16表示垫片,17表示填料垫,18表示填料,19表示销轴,20表示活接螺栓,21表示螺母,22表示填料压盖。

    性能规范

    公称压力
    PN
    常温最大
    工作压力
    壳体试
    验压力
    气密封
      试验压力
    高压密封
    试验压力
    1.6 1.6 2.4 0.6 1.76
    2.5 2.5 3.8 0.6 2.75
    4.0 4.0 6.0 0.6 4.4
      C1aSSl50 2.0 3.0 0.6 2.2

    主要零件材料

    阀体\阀盖 GB WCB ZGlCrl8Ni9Ti ZGOCfl8Nil2M02Ti
      ASTM WCB CF8 CF8M
    球体  GB 2Cfl3 1Cfl8Ni9Ti 0Cfl8Ni12M02Ti
      ASTM 420 304 316
    阀杆 GB 2Crl3 1Crl8Ni9Ti 0Crl8Ni12M02Ti
      ASTM 420 304 316
    阀座
    密封面
    GB  
    聚四氟乙烯
    对位聚苯 聚四氟乙烯 对位聚苯  
    聚四氟乙烯
    对位聚苯
    ASTM
    填料 GB 柔性石墨 柔性石墨 柔性石墨
    ASTM
    螺栓 GB 35 0Crl8Ni9 0Crl8Ni9
      ASTM A193B7 A320-B8 A320-B8
    螺母 GB 45 0Cfl8Ni9 0Crl8Ni9
      ASTM A1942H A194-8 A194-8

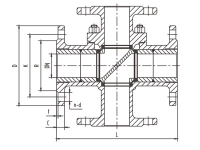
    外形结构图

     

    主要连接尺寸

    公称压力
    PN
    公称通径
    DN
    尺 寸(mm)
    L L0 D K d Y b z-do Hw Hd
    1.6MPa 50 260 130 165 125 100  
     
    16 4-ф18 205 265
    65 320 160 185 145 120  
     
    18 4-ф18 245 295
    80 320 160 200 160 135  
     
    20 8-ф18 305 345
    100 370 185 220 180 155  
     
    20 8-ф18 340 420
    125 510 255 250 210 185  
     
    22 8-ф18 425 465
    150 510 255 285 240 2"0  
     
    24 8-ф23 450 505
    200 580 290 340 295 265  
     
    26 12-ф23 480 525
    250 670 335 405 355 320  
     
    30 12-ф25 530 565
    300 760 380 460 410 375  
     
    30 12-ф25 585 630
    350 850 425 520 470 435  
     
    34 16-ф25 625 675
    400 980 490 580 525 485  
     
    36 16-ф30 670 710
    450 1080 540 640 585 545  
     
    40 20-ф30 705 770
    500 1220 610 715 650 608  
     
    44 20-ф34 765 825
    600 1360 680 840 770 718  
     
    48 20-ф41 840 945
    700 1750 875 910 840 788  
     
    50 24-ф41 1050 1110
    800 1850 925 1025 950 898  
     
    52 24-ф41 1125 1220
    900 2050 1025 1125 1050 998  
     
    54 28-ф41 1260 1315
    1000 2150 1075 1255 1170 1110  
     
    56 28-ф48 1325 1385
    1200 2450 1225 1485 1390 1325  
     
    58 32-ф54 1395 1450
    2.5MPa 50 260 130 165 125 100  
     
    20 4-ф18 205 265
    65 320 160 185 145 120  
     
    22 8-ф18 245 295
    80 320 160 200 160 135  
     
    22 8-ф18 305 345
    100 370 185 230 190 160  
     
    24 8-ф23 340 420
    125 510 255 270 220 188  
     
    28 8-ф25 405 465
    150 510 255 300 250 218  
     
    30 8-ф25 450 505
    200 580 290 360 310 278  
     
    34 12-ф25 480 525
    250 670 335 425 370 332  
     
    36 12-ф30 530 565
    300 760 380 485 430 390  
     
    40 16-ф30 585 630
    350 850 425 555 490 448  
     
    44 16-ф34 625 675
    400 980 490 620 550 505  
     
    48 16-ф34 670 710
    450 1080 540 670 600 555  
     
    50 20-ф34 705 770
    500 1220 610 730 660 610  
     
    52 20-ф41 765 825
    600 1360 680 845 770 718  
     
    56 20-041 840 945
    700 1750 875 960 875 815  
     
    60 24-ф48 1050 1110
    800 1850 925 1085 990 930  
     
    64 24-ф48 1125 1220
    900 2050 1025 1185 1090 1025  
     
    66 28-ф54 1260 1315
    1000 2150 1075 1320 1210 1140  
     
    68 28-ф58 1325 1385
    1200 2450 1225 1520 1420 1350  
     
    72 32-ф58 1395 1450
          
    4.0MPa
    50 260 130 165 125 100 88 20 8-ф18 245 285
    65 320 160 185 145 120 110 22 8-ф18 265 315
    80 320 160 200 160 135 121 22 8-ф18 320 365
    100 370 185 235 190 160 150 24 8-ф23 355 465
    125 510 255 270 220 188 176 28 8-ф25 425 495
    150 510 255 300 250 218 204 30 8-ф25 470 535
    200 580 290 375 320 282 260 38 12-ф30 480 565
    250 670 335 450 385 345 313 42 12-ф34 530 605
    300 760 380 515 450 408 364 46 16-ф34 585 675
    350 850 425 580 510 465 422 52 16-ф34 625 705
    400 980 490 660 585 535 474 58 16-ф41 670 745
    450 1080 540 685 610 560 524 60 20-ф41 705 795
    500 1220 610 755 670 612 576 62 20-ф48 765 855
    600 1360 680 890 795 730 678 62 20-ф54 840 985

    C1aSS150
    2" 260 130 152 120.5 92   16 伞φ19 205 265
    2 1/2" 320 160 178 139.5 105   18 4-ф19 245 295
    3" 320 160 190 152.5 127   19 4-ф19 305 345
    4" 370 185 229 190.5 157   24 8-ф19 340 420
    5" 510 255 254 216 186   24 8-ф22 425 465
    6" 510 255 279 241.5 216   26 8-ф22 450 505
    8" 580 290 343 298.5 270   29 8-ф22 530 525
    10" 670 335 406 362 324   31 12-ф25 630 565
    12"  760 380 483 432 381   32 12-ф25 680 630
    14" 850 425 533 476 413   35 12-ф29 625 675
    16" 980 490 597 540 470   37 16-ф29 670 710
    18" 1080 540 635 578 533   40 16-ф32 705 770
    20" 1220 610 699 635 584   43 20-ф32 765 825
    24" 1360 680 813 749.5 692   48 20。ф35 840 945
    28" 1750 875 927 864 800   71 28-ф35 1050 1110
    32" 1850 925 1060 978 914   81 28-ф41 1125 1220
    36" 2050 1025 1168 1086 1022   90 32-ф41 1260 1315
    40" 2150 1075 1289 1200 1124   90 36-ф41 1325 1385
    48" 2450 1225 1511 1422 1359   108 44-ф41   1395   1450
     

    声明:【Q46F四通球阀】规格型号、结构尺寸由上海凯利科阀门有限公司提供,如何选择适用的Q46F四通球阀产品,使之在工艺控制中安全可靠、经济适用,可致电我司销售部门及技术部门,我们将在最短的时间内为您解答!

    Copyright ©2011-2022 上海凯利科阀门有限公司,版权所有。 沪ICP备11046016号-29 网站地图

    销售电话:021-31001158

    手机号码:13816746668 陈国辉/经理

    电子邮件:klkvalves@126.com@126.com

    主营产品:球阀,闸阀,蝶阀,截止阀,止回阀,调节阀

    本周热门:气动球阀气动蝶阀气动刀闸阀气动调节阀电动球阀电动蝶阀电动刀闸阀电动调节阀不锈钢球阀不锈钢闸阀不锈钢截止阀不锈钢止回阀不锈钢电磁阀高压电磁阀高压球阀波纹管截止阀

    官方网址:www.fm058.com