YJZQ液压球阀
YJZQ液压球阀适用于液压系统和化工系统的各种管路上做为启闭用。开关迅速、方便,流体阻力小,是所有阀类中流体阻力最小的一种只要阀杆转动90°,球阀就完成了全开或全关动作,很容易实现快速启闭。阀杆密封可靠。球阀启闭时阀杆只作旋转运动,因此阀杆的填料密封不易被破坏,而且阀杆倒密封的密封力随着介质压力的增加而增大。适用介质:液压油、水一乙二醇、其它混合液体。
|
产品名称: |
液压球阀 |
产品型号: |
YJZQ |
|
公称通径: |
DN10~DN50 |
结构形式: |
球形 |
|
公称压力: |
1.6Mpa~31.5Mpa |
连接方式: |
外螺纹、内螺纹 |
|
适用温度: |
-20~232℃~450℃ |
驱动方式: |
手动 |
|
阀体材质: |
铸钢、不锈钢 |
制造标准: |
国标GB、德国DIN、美国API、ANSI |
|
适用介质: |
水、油、气 |
生产厂家: |
上海凯利科阀门有限公司 |
产品说明
YJZQ液压球阀适用于液压系统和化工系统的各种管路上做为启闭用。开关迅速、方便,流体阻力小,是所有阀类中流体阻力最小的一种只要阀杆转动90°,球阀就完成了全开或全关动作,很容易实现快速启闭。阀杆密封可靠。球阀启闭时阀杆只作旋转运动,因此阀杆的填料密封不易被破坏,而且阀杆倒密封的密封力随着介质压力的增加而增大。适用介质:液压油、水一乙二醇、其它混合液体。
产品特点
YJZQ液压球阀是我公司引进德国先进技术工艺,主要用于液压管路中控制油液的流通和截止,本型球阀具有流阻损失小,密封性能可靠,操作方便,外观精美等特点。
图形符号

技术参数
公称压力:31.5MPa
适用介质:液压油
内螺纹外形结构图
内螺纹外形尺寸表
|
型号 |
D1 |
D2 |
L1 |
L2 |
L3 |
L4 |
H1 |
H2 |
H3 |
|
YJZQ-J10N |
Ф10 |
M18×1.5 |
78 |
14 |
105 |
32 |
16 |
36 |
76 |
|
YJZQ-J15N |
Ф15 |
M22×1.5 |
86 |
16 |
147 |
38 |
19 |
45 |
80 |
|
YJZQ-J20N |
Ф20 |
M27×2 |
108 |
18 |
185 |
48 |
25 |
55 |
101 |
|
YJZQ-J25N |
Ф25 |
M33×2 |
116 |
20 |
185 |
57 |
28.5 |
64 |
111 |
|
YJZQ-J32N |
Ф32 |
M42×2 |
136 |
22 |
240 |
75 |
37.5 |
84 |
134 |
|
YJZQ-J40N |
Ф40 |
M48×2 |
148 |
24 |
240 |
85 |
42.5 |
95 |
165 |
|
YJZQ-J50N |
Ф50 |
M64×2 |
180 |
26 |
240 |
104 |
52 |
112.5 |
180 |
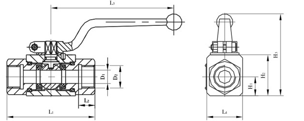
外螺纹外形结构图
外螺纹外形尺寸表
|
型号 |
D1 |
D2 |
D3 |
L1 |
L2 |
L3 |
L4 |
L5 |
H1 |
H2 |
H3 |
|
YJZQ-J10W |
Ф10 |
Ф20 |
M27×1.5 |
94 |
16 |
2 |
105 |
32 |
16 |
36 |
76 |
|
YJZQ-J15W |
Ф15 |
Ф22 |
M30×1.5 |
102 |
16 |
2 |
147 |
38 |
19 |
45 |
80 |
|
YJZQ-J20W |
Ф20 |
Ф28 |
M36×2 |
124 |
18 |
2.5 |
185 |
48 |
25 |
55 |
101 |
|
YJZQ-J25W |
Ф25 |
Ф35 |
M42×2 |
136 |
20 |
2.5 |
185 |
57 |
28.5 |
64 |
111 |
|
YJZQ-J32W |
Ф32 |
Ф40 |
M52×2 |
150 |
20 |
2.5 |
240 |
75 |
37.5 |
84 |
134 |
|
YJZQ-J40W |
Ф40 |
Ф50 |
M64×2 |
180 |
24 |
2.5 |
240 |
85 |
42.5 |
95 |
165 |
|
YJZQ-J50W |
Ф50 |
Ф60 |
M72×2 |
210 |
26 |
2.5 |
240 |
104 |
52 |
112.5 |
180 |
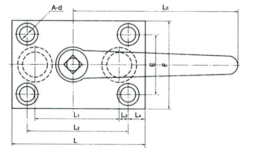
板式外形结构图
板式外形尺寸表
|
型号 |
A |
h |
H |
L0 |
E |
F |
L |
L1 |
L2 |
L3 |
L4 |
Ф |
D |
|
YJZQ-J10B |
33 |
42 |
68 |
160 |
38 |
54 |
81 |
45 |
56 |
11 |
10 |
Ф7 |
10 |
|
YJZQ-J15B |
39 |
46 |
75 |
160 |
42 |
60 |
92 |
52 |
60 |
6 |
16 |
Ф9 |
15 |
|
YJZQ-J20B |
49 |
50 |
78 |
180 |
50 |
70 |
108 |
60 |
70 |
7.5 |
17 |
Ф11 |
20 |
|
YJZQ-J25B |
52 |
60 |
86 |
220 |
55 |
77 |
114 |
65 |
80 |
11 |
17.5 |
Ф11 |
25
|
声明:【YJZQ液压球阀】规格型号、结构尺寸由上海凯利科阀门有限公司提供,如何选择适用的YJZQ液压球阀产品,使之在工艺控制中安全可靠、经济适用,可致电我司销售部门及技术部门,我们将在最短的时间内为您解答! |