
300X缓闭止回阀
300X缓闭止回阀是安装在高层建筑给水系统以及其它给水系统的水泵出口处,防止介质倒流,水锤及水击现象的智能型阀门,可有效提高供水系统的安全可靠性。该阀将缓开、速闭、缓闭消除水锤技术原理一体化,防止开泵水锤和停泵水锤的产生。只需操作水泵电机启闭按钮,阀门即可按照水泵操作规程自动实现启闭,流量大,压力损失小,适用于600口径以下的管道。
| 产品名称: | 缓闭止回阀 | 产品型号: | 300X |
| 公称通径: | DN20~DN800 | 结构形式: | 弹簧式 |
| 工作压力: | 1.0MPa~1.6MPa~2.5MPa | 连接方式: | 法兰 |
| 适用温度: | -0ºC~+80ºC | 功能作用: | 缓开、速闭、缓闭 |
| 阀体材质: | 铸铁、铸钢、不锈钢、黄铜 | 制造标准: | 国标GB、德国DIN、美国API、ANSI |
| 适用介质: | 水、污水 | 生产厂家: | 上海凯利科阀门有限公司 |
| 公称压(Mpa) | 壳体试验压力(MPa) | 密封试验压力(MPa) | 适用介质 | 介质温度(℃) |
| 1.0 | 1.5 | 1.1 | 水 | 0-80 |
| 1.6 | 2.4 | 1.76 | ||
| 2.5 | 3.75 | 2.75 |
| 零件名称 | 零件材料 |
| 阀体阀盖 | WCB |
| 阀座阀盘 | 铜合金 |
| 密封圈 O型圈 | 丁腈橡胶 |
| 阀杆 | 2Cr13 |
| 弹簧 | 50CrVA |
| 针型阀 | 铜合金 |
| 球阀 | 铜合金 |
| 浮球阀 | 铜合金 |
| 微型过滤器 | 不锈钢 |
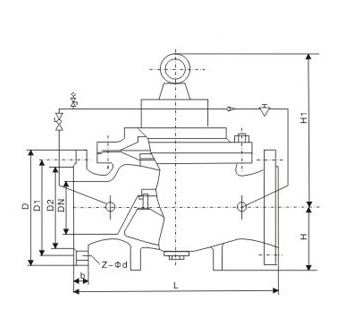
| DN | L | A | A1 | H | H1 | F |
D mm |
D1 mm |
D2 mm |
||||||
| mm | mm | mm | mm | mm | mm | PN1.0 | PN1.6 | PN2.5 | PN1.0 | PN1.6 | PN2.5 | PN1.0 | PN1.6 | PN2.5 | |
| 20 | 180 | 282 | 200 | 172 | 106 | 116 | 105 | 105 | 105 | 75 | 75 | 75 | 58 | 58 | 56 |
| 25 | 180 | 282 | 200 | 172 | 106 | 116 | 115 | 115 | 115 | 85 | 85 | 85 | 68 | 68 | 65 |
| 32 | 180 | 282 | 200 | 172 | 106 | 116 | 140 | 140 | 140 | 100 | 100 | 100 | 78 | 78 | 76 |
| 40 | 240 | 320 | 210 | 265 | 210 | 170 | 150 | 150 | 150 | 110 | 110 | 110 | 88 | 88 | 84 |
| 50 | 240 | 320 | 210 | 265 | 210 | 170 | 165 | 165 | 165 | 125 | 125 | 125 | 102 | 102 | 99 |
| 65 | 250 | 330 | 215 | 310 | 215 | 180 | 185 | 185 | 185 | 145 | 145 | 145 | 122 | 122 | 118 |
| 80 | 285 | 350 | 220 | 350 | 245 | 210 | 200 | 200 | 200 | 160 | 160 | 160 | 133 | 133 | 132 |
| 100 | 360 | 410 | 230 | 460 | 305 | 275 | 220 | 220 | 235 | 180 | 180 | 190 | 158 | 158 | 156 |
| 125 | 400 | 420 | 245 | 520 | 365 | 310 | 250 | 250 | 270 | 210 | 210 | 220 | 184 | 184 | 184 |
| 150 | 455 | 430 | 260 | 570 | 415 | 355 | 285 | 285 | 300 | 240 | 240 | 250 | 212 | 212 | 211 |
| 200 | 585 | 440 | 280 | 695 | 510 | 460 | 340 | 340 | 360 | 295 | 295 | 310 | 268 | 268 | 274 |
| 250 | 650 | 450 | 300 | 780 | 560 | 500 | 395 | 405 | 425 | 350 | 355 | 370 | 320 | 320 | 330 |
| 300 | 800 | 460 | 320 | 902 | 658 | 580 | 445 | 460 | 485 | 400 | 410 | 430 | 370 | 370 | 389 |
| 350 | 860 | 470 | 340 | 1025 | 696 | 640 | 505 | 520 | 555 | 460 | 470 | 490 | 430 | 430 | 448 |
| 400 | 960 | 480 | 360 | 1080 | 735 | 715 | 565 | 580 | 620 | 515 | 525 | 550 | 482 | 482 | 503 |
| 450 | 1075 | 530 | 395 | 1030 | 610 | 780 | 615 | 640 | 670 | 565 | 585 | 600 | 532 | 550 | 548 |
| 500 | 1075 | 580 | 420 | 1135 | 665 | 830 | 670 | 715 | 730 | 620 | 650 | 660 | 585 | 585 | 609 |
| 600 | 1230 | 600 | 445 | 1270 | 725 | 920 | 780 | 840 | 845 | 725 | 770 | 770 | 685 | 685 | 720 |
| 700 | 1650 | 730 | 495 | 1460 | 865 | 980 | 895 | 910 | 960 | 840 | 840 | 875 | 800 | 800 | 820 |
| 800 | 1750 | 830 | 530 | 1640 | 925 | 1050 | 1015 | 1025 | 1085 | 950 | 950 | 990 | 905 | 905 | 928 |

声明:【300X缓闭止回阀】规格型号、结构尺寸由上海凯利科阀门有限公司提供,如何选择适用的300X缓闭止回阀产品,使之在工艺控制中安全可靠、经济适用,可致电我司销售部门及技术部门,我们将在最短的时间内为您解答! |