首页
公司介绍
新闻中心
组织机构
服务理念
售后服务
联系我们
产品中心
jtgk.png

产品中心

D971X电动蝶阀

您的位置:阀门 - 蝶阀 - D971X电动蝶阀 更新时间:2024-07-27 09:07:30
D971X电动蝶阀
    • 质量安全:压力、材质、密封等全方位检测确保质量过关!
    • 价格比较:在相同品质的情况下,厂里直销,更具有优势!
    • 交货快捷:常规产品现货供应,生产加工销售一条龙服务!
      上海凯利科阀门竭诚为您提供安全可靠的D971X电动蝶阀成套技术方案,以及售前选型报价,售后技术指导、安装、调试服务!

    • 产品描述
    • 在线询价
    • 技术咨询
    D971X电动蝶阀D971X电动蝶阀

    D971X电动蝶阀是采用一体化结构,接入220VAC电源即可控制运转,也可加入控制模块,输入控制信号(4-20mADC或1-5VDC)进行调节控制。电动蝶阀具有功能强,体积小,轻便宜人,性能可靠,配套简单元,流通能力大,对常温、干净介质,可选用阀板加软密封(橡胶圈、四氟圈)来减少泄漏(可达0.01%),高温高压工况可选用三偏心硬密封阀体。电动蝶阀可广泛应用于食品,环保,轻工,石油,化工,教学设备,造纸,电力等到行业的工业过程自动控制系统中。

    产品名称: 电动蝶阀 产品型号: D971X
    公称通径: DN50~DN1000 阀座密封: 丁青橡胶、聚四氟乙烯
    公称压力: 1.0Mpa~1.6MPa 连接方式: 对夹、法兰
    适用温度: -20ºC~+150ºC 驱动方式: 手动、蜗轮、电动、气动
    阀体材质: 铸铁、球墨铸铁、铸钢、不锈钢 制造标准: 国标GB、德国DIN、美国API、ANSI
    适用介质: 水、油、气体、粉体、液体 生产厂家: 上海凯利科阀门有限公司

    产品说明

    D971X电动蝶阀是采用一体化结构,接入220VAC电源即可控制运转,也可加入控制模块,输入控制信号(4-20mADC或1-5VDC)进行调节控制。电动蝶阀具有功能强,体积小,轻便宜人,性能可靠,配套简单元,流通能力大,对常温、干净介质,可选用阀板加软密封(橡胶圈、四氟圈)来减少泄漏(可达0.01%),高温高压工况可选用三偏心硬密封阀体。电动蝶阀可广泛应用于食品,环保,轻工,石油,化工,教学设备,造纸,电力等到行业的工业过程自动控制系统中。

    产品特点

    1、本阀采用双偏心结构,具有越关越紧的密封功能,密封性能可靠。
    2、密封副材料选用不锈钢和丁腈耐油橡胶配对,使用寿命长。
    3、橡胶密封圈即可位于阀体上,也可以位于蝶板上,可适用不同特点的介质,供用户选择。 
    4、蝶板采用框架结构,强度高,过流面积大,流阻小。
    5、整体烤漆、能有效地防止锈蚀且只要更换密封阀座密封材料,就可使用于不同介质。
    6、本阀具有双向密封功能,安装时不受介质流向的控制,也不受空间位置的影响,可在任何方向安装。 
    7、本阀结构独特,操作灵活,省力,方便。

    设计标准

    设计标准 GB/T2238-1989
    法兰连接尺寸 GB/T9113.1-2000;GB/T9115.1-2000;JB78
    结构长度 GB/T12221-1989
    压力试验 GB/T13927-2000;JB/T9092-1999

    技术参数

    公称通径DN(mm) 50~1200
    公称压力 PN1.0、1.6MPa
    法兰标准 JB/T79、GB/T9113、HG20594-97
    连接形式 法兰式、对夹式
    阀板形式 垂直板式
    流量特性 近似快开型
    动作范围 0~90°
    泄露量 按GB/T4213-92,为Kv值的10-4
    基本误差 ±2.5%
    回差 ±2.5%
    死区 1% (可调)
    可调范围 50:1
    配置执行机构 可配PSQ、HQ、UNIC、361RS、JO等系列角行程电动执行机构
    控制方式 开关到位灯(开关两位控制)、智能调节(4~20mA模拟量信号控制)

    电动执行器

    执行器类别 引进型RDK系列执行器参数 引进型3610R系列执行器参数 引进型HQ系列执行器参数
    电源电压 标准:220V AC单相 可选:110V AC 单相、380/440V AC 三相、24V/110V/220V AC
    输出力矩 50N·M~2000N·M 50N·M~1500N·M 50N·M~3000N·M
    动作范围 0~90° 0~360° 0~90° 0~90°、0°~270°可选
    控制方式 开关到位灯(开关两位控制)、无源触点信号、1/5K电位计、智能调节(4~20mA模拟量信号控制)
    动作时间 15秒/30秒/60秒 10秒/15秒/30秒 18S~112S
    保护装置 过热保护 过载保护 内置过热保护、过载保护
    环境温度 -30°~60° -30°~60° -20℃~+70℃
    手动操作 同附带手柄操作 同附带手柄操作 机械离合机构,配手轮操作
    机械限位 电气、机械二重限位 电气、机械二重限位 2个外部调整螺栓
    防护等级 IP65 IP55 IP65、IP67、可定制IP68
    防爆等级 无防爆 ExdⅡ BT4 ExdⅡ BT4,ExdⅡ CT6
    位置测量 可选装开关或电位计 比例控制单元 电位计、比例控制单元
    驱动电机 8W/E AC可逆电机 鼠笼式异步电机
    进线接口 PE1/2〞进线线锁 2-PF 1/2〞进线线锁 2个 PF 3/4”
    壳体材料 铝合金 钢,铝合金 钢,铝合金,铝青铜,聚碳酸脂
    外涂层 干粉,环氧聚酯,具有超强防腐功能
    (1)功能强劲:智能型、调节型、开关式。
    (2)体积小巧:体积仅相当于同类产品的35%左右。
    (3)使用方便:采用单相电源,接线简单;采用独创的球型凸出结构,使观察更方便;免加油免点检、防水防锈、任意角度安装。
    (4)保护装置有双重限位、过热保护、过载保护。全行程时间15秒、30秒、45秒、60秒。及带手动功能。
    (5)智能数控:内置模块采用先进计算机单片及智能控制软件直接接收计算机或工业仪表等输出的标准信号(4-20mA DC /1-5VDC)实现阀门开度的智能控制和精确定位。
    也可选用3810系列或NA系列电子式角行程执行机构.亦可选用PSQ系列或DYR系列。≥DN400口径阀门一般采用380VAC电动执行器。

    零件材料

    零件名称 材料
    阀体 球墨铸钢、铸钢、合金钢、不锈钢
    蝶板 灰铸铁、球墨铸钢、铸钢、不锈钢及特殊材料
    密封圈 各种橡胶、聚四氟
    阀杆 2Cr13、不锈钢
    填料 O型圈、柔性石墨

    性能规范

    公称通径DN(mm) DN50~1200
    公称压力 PN(MPa) 0.6 1.0 1.6 2.5
    试验压力 强度试验 0.9 1.5 2.4 3.75
    密封试验 0.66 1.1 1.76 2.75
    低压气密试验 0.5~0.7
    适用介质 空气、水、污水、蒸气、煤气、油品等

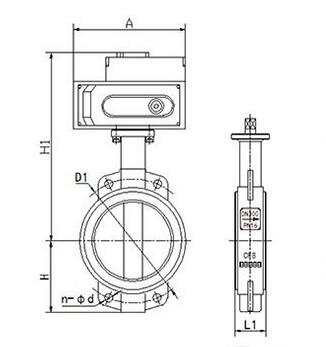
    外形结构图

    主要外形连接尺寸

    DN L H H1 A B ФD
    0.6MPa 1.0MPa 1.6MPa
    50 43 77 443 125 125 88 99 99
    65 46 85 463 125 125 108 118 118
    80 46 95 483 125 125 124 132 132
    100 52 105 498 125 125 144 156 156
    125 56 129 682 325 245 174 184 184
    150 56 132 736 325 245 199 211 211
    200 60 165 800 325 245 254 266 266
    250 68 197 895 363 313 309 319 319
    300 78 234 956 363 313 363 370 370
    350 78 283 1029 363 313 413 429 429
    400 102 325 1103 363 313 463 480 480
    450 114 369 1186 465 469 518 530 548
    500 127 404 1280 546 431 568 582 609
    600 154 470 1321 546 556 667 682 720
    700 165 503 1431 546 556 772 794 794
    800 190 571 1542 546 556 878 901 901
    900 203 621 1800 617 706 978 1001 1001
    1000 216 702 2363 632 706 1078 1112 1112
    1200 254 818 2583 632 706 1295 1328 1328
     

    声明:【D971X电动蝶阀】规格型号、结构尺寸由上海凯利科阀门有限公司提供,如何选择适用的D971X电动蝶阀产品,使之在工艺控制中安全可靠、经济适用,可致电我司销售部门及技术部门,我们将在最短的时间内为您解答!

    Copyright ©2011-2022 上海凯利科阀门有限公司,版权所有。 沪ICP备11046016号-29 网站地图

    销售电话:021-31001158

    手机号码:13816746668 陈国辉/经理

    电子邮件:klkvalves@126.com@126.com

    主营产品:球阀,闸阀,蝶阀,截止阀,止回阀,调节阀

    本周热门:气动球阀气动蝶阀气动刀闸阀气动调节阀电动球阀电动蝶阀电动刀闸阀电动调节阀不锈钢球阀不锈钢闸阀不锈钢截止阀不锈钢止回阀不锈钢电磁阀高压电磁阀高压球阀波纹管截止阀

    官方网址:www.fm058.com